首页
图纸下载
冲压模具
塑胶模具
数控编程
机械设备
家用电器
更多
软件下载
二维软件
三维软件
编程软件
CAE软件
系统软件
更多
图文资讯
软件应用
模具制造
机械制造
机械知识
平面设计
其他
软件安装
帮助中心
注册问题
登录问题
上传问题
下载问题
充值问题
更多
在线视频
新站课程
本站课程
在线问答
登录
注册
基准 第2页
最新标签
HTML
入门
精通
摩托车
三轮
狂想
两栖
图文
作用
水泵
诱导
前置
视频
测试
咨询
售后
违规
注册
登录
充值
积分
流程
提现
编号
大小
提取
0167
XSSJUG
取值
旋切
毫米
按照
上传
退稿
稿件
无法
账号
注销
站上
qiufukang
右上角
绑定
下拉
帐号
原作者
以下简称
本站
协议
会员
其它
刀路
桃木
夹板
关联性
鸟瞰
文章
PAUSE
command
主视图
长度
RCDATA
计算
ID
开发
雕刻机
生成
注释
端盖
中设
标题
回到
外公切线
圆心
立体
实验
布局
浮动
外部
参照
网格
多线
显示
缩放
特性
编组
门厅
源点
附着
光源
图片
一圆
基点
SolidEdge
教程
属性
10.3
有的
弧段
正交
栅格
及图
文章排序
时间
标题
热度
留言
随机
机械制图-3.2尺寸基准和尺寸分类(图文教程)
尺寸
制图
基准
教程
机械制图-4.2形状和位置公差(图文教程)
公差
形状
基准
机械制图教程—6-4组合体的尺寸注法(图文教程)
尺寸
基准
如图
标注
切削件结构设计:合理选择基准(图文教程)
结构设计
基准
形位公差的定义(GB/T1182—1996)(图文教程)
公差
基准
轴线
平行
机械制造与工艺全书-8 典型零件的加工(图文教程)
零件
加工
基准
典型齿轮加工工艺分析(图文教程)
加工
齿轮
定位
基准
车床进刀轴架零件加工工艺分析(图文教程)
基准
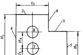
机械加工时精基准的选择原则(图文教程)
基准
加工
定位
机械加工定位基准的选择原则(图文教程)
基准
定位
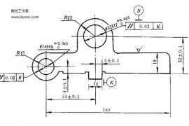
两种不同的设计基准,哪一个不合理?(图文教程)
基准
不合理
教程
数控冲床基准选择原则(图文教程)
基准
数控
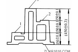
零件加工时的基准及其分类图文教程
基准
如图
平面
降低模具成本的六大法宝教程
模具
成本
精加工
设计
基准
1
2
首页
发布
用户中心
积分充值
开通会员
客服