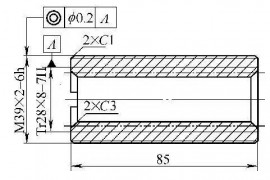
螺纹 第5页