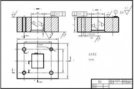
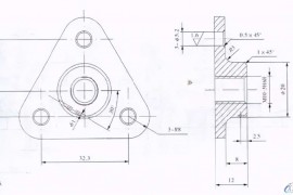
非标 第2页