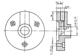
教程 第49页