中望机械软件是中望CAD自主开发的机械绘图设计系统,它集智能化、高效率、兼容性为一体,为机械行业的CAD设计师提供了各种机械设计中所应用到的功能,下面我们就以绘制减速器箱体为例,为大家详细介绍中望机械软件的绘图功能和尺寸标注功能。

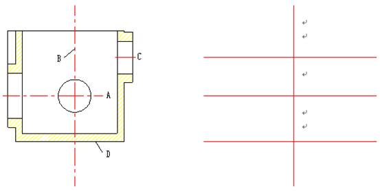
主视图布局。零件的端面线D及孔的中心线A、B、C是主视图的主要作图基准线。利用中望机械软件屏幕菜单中“绘图工具—构造线”进行辅助线的绘制。

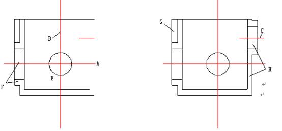
画主视图细节。根据已有尺寸画圆E,然后运用偏移功能完成图形细节F和图形细节H。

绘制左视图。从主视图向左视图画水平投影线,再画出左视图的对称线(左视图近似对称),同样可参考使用中望机械软件屏幕菜单中“绘图工具—构造线”进行绘制。

以直线A、B、C为作图基准线,通过偏移功能来形成图形细节D。

将图形D镜像,然后画圆E,结果如下图所示:

绘制俯视图。绘制俯视图中孔的轴线A、B,再从主视图向俯视图作竖直投影线,同样可参考使用中望机械软件屏幕菜单中“绘图工具—构造线”进行绘制。

分别用偏移命令对直线A、B、E、F进行编辑形成细节C、H,然后画圆,如图所示:

画局部视图并填充剖面图案。在屏幕的适当画出局部视图的定位线A、B、C、D,然后画图,如图所示:

最后再利用中望机械软件中的“辅助工具”中的图层变换工具将图形对称线,孔的中心线全部变换至中心线层,然后利用“绘图工具—剖面线”功能完成剖面图案填充工作。

展开中望机械屏幕菜单中的尺寸标注菜单,分别利用智能标注、点线标注、引线标注、直径标注、半径标注和修改尺寸等功能对箱体零件做相应的尺寸标注工作;最后在机械幅面菜单中进行图纸设置,插入图幅为A3,绘图比例为1:1 .5的图框。

免责声明:
1;所有标注为智造资料网zl.fbzzw.cn的内容均为本站所有,版权均属本站所有,若您需要引用、转载,必须注明来源及原文链接即可,如涉及大面积转载,请来信告知,获取《授权协议》。
2;本网站图片,文字之类版权申明,因为网站可以由注册用户自行上传图片或文字,本网站无法鉴别所上传图片或文字的知识版权,如果侵犯,请及时通知我们,本网站将在第一时间及时删除,相关侵权责任均由相应上传用户自行承担。
[complaint:内容投诉]
智造资料网打造智能制造3D图纸下载,在线视频,软件下载,在线问答综合平台 » 中望机械CAD之零件绘制与标注(图文教程)
1;所有标注为智造资料网zl.fbzzw.cn的内容均为本站所有,版权均属本站所有,若您需要引用、转载,必须注明来源及原文链接即可,如涉及大面积转载,请来信告知,获取《授权协议》。
2;本网站图片,文字之类版权申明,因为网站可以由注册用户自行上传图片或文字,本网站无法鉴别所上传图片或文字的知识版权,如果侵犯,请及时通知我们,本网站将在第一时间及时删除,相关侵权责任均由相应上传用户自行承担。
[complaint:内容投诉]
智造资料网打造智能制造3D图纸下载,在线视频,软件下载,在线问答综合平台 » 中望机械CAD之零件绘制与标注(图文教程)

