非标自动化结构设计培训:火炮炮尾炮闩类型及结构

作为一名军事爱好者,尤其是陆军火炮爱好者对火炮的了解首先应该从火炮的基本结构开始,通晓火炮各部分的功能,进而了解各型火炮的结构特征和战术运用。
    火炮闭锁装置通常由炮尾和炮闩组合而成,火炮炮闩闩体结构决定火炮炮尾结构
    炮闩是发射时承受燃气压力,具有闭锁、击发、开锁、开闩及抽出药筒等功能的机构。炮闩的核心零件就是闩体。炮尾就是指连接炮闩和身管并容纳部分炮闩机构及构件的零件。

非标自动化结构设计培训:火炮炮尾炮闩类型及结构,火炮炮尾炮闩类型及结构,设计,结构,自动,零件,设计培训,结构设计,第1张
炮闩的分类

    炮闩按照闭锁原理分:楔式炮闩、螺式炮闩和组合式炮闩。炮闩按照机构动作则分自动炮闩、半自动炮闩和非自动炮闩等。在地炮中广泛采用楔式和螺式炮闩。相对应的炮尾结构为楔式和螺式炮尾。
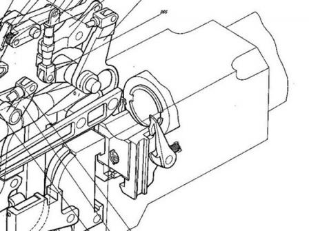
楔式炮尾
    楔式炮闩其闩体为楔形,垂直于炮膛轴线作直线运动,以进行闭锁、开锁等动作。闩体水平运动的叫横楔,垂直运动的叫立楔。

非标自动化结构设计培训:火炮炮尾炮闩类型及结构,火炮炮尾炮闩类型及结构,设计,结构,自动,零件,设计培训,结构设计,第2张非标自动化结构设计培训:火炮炮尾炮闩类型及结构,火炮炮尾炮闩类型及结构,设计,结构,自动,零件,设计培训,结构设计,第3张非标自动化结构设计培训:火炮炮尾炮闩类型及结构,火炮炮尾炮闩类型及结构,设计,结构,自动,零件,设计培训,结构设计,第4张
非标自动化结构设计培训:火炮炮尾炮闩类型及结构,火炮炮尾炮闩类型及结构,设计,结构,自动,零件,设计培训,结构设计,第5张
非标自动化结构设计培训:火炮炮尾炮闩类型及结构,火炮炮尾炮闩类型及结构,设计,结构,自动,零件,设计培训,结构设计,第6张
非标自动化结构设计培训:火炮炮尾炮闩类型及结构,火炮炮尾炮闩类型及结构,设计,结构,自动,零件,设计培训,结构设计,第7张
非标自动化结构设计培训:火炮炮尾炮闩类型及结构,火炮炮尾炮闩类型及结构,设计,结构,自动,零件,设计培训,结构设计,第8张

    一种普通式半自动立楔式炮闩与炮尾结构原理图,其作用是闭锁炮膛,击发底火、抽出药筒。炮闩由闭锁装置、击发装置、抽筒装置、保险装置、半自动装置和复拨器组成。
1闭锁机构
    闭锁机构主要由闩体、曲臂、曲臂轴、闩柄和闩体挡板等组成。闩体是一个楔形体,内部各孔安装击发装置,上端有输弹槽、提把孔,前面有抽筒子挂臂及镜面直接抵住药筒,右侧有供曲臂滑轮运动的定形槽。人工开时,则曲臂轴带动曲臂滑轮闩体槽子迫使闩体下降而开闩。
2开闩,关闩机构
    在半自动炮闩和自动炮闩中,需要设置独立的关闩和开闩机构。关闩机构多采用弹簧式。依靠开闩时压缩弹簧而储存的能量,需要关时,靠弹簧伸张推动闩体完成闭锁动作。
3抽筒机构
    抽筒机构的作用是抽出药筒,保持闩体在开闩状态以便输弹。
4 击发装置
    击发装置一般由击发机和发射机组成。根据点火的能源不同,击发装置可分为机械式和电点火式两种。前者用机械构件的撞击动能引燃底火,后者用电流加热金属丝引燃底火。在地炮上多采用机械式。
5 保险机构
    保险机构是射击时控制击发条件和时机,保证火炮机构和人员安全的炮闩装置。
6 复拨器
    复拨器是发射时出现迟发火时,不必开闩,就能将击针拨回便于再次击发。
    普通楔式炮闩是靠药筒的变形后紧贴炮膛密闭膛内火药燃气的。闭气式楔形炮闩是利用密闭件封闭炮膛的,一般用在采用药包分装弹药或使用全可燃药筒的火炮上。

非标自动化结构设计培训:火炮炮尾炮闩类型及结构,火炮炮尾炮闩类型及结构,设计,结构,自动,零件,设计培训,结构设计,第9张

    普通立楔炮闩采用药筒装药,图中可见闩体上挡弹装置。炮尾向上的开口部分一般为人工装填关闩时装填手手掌上移部分(避免关闩时闩体夹手),有时也是为了便于安置在炮尾上部的输弹机工作。

 非标自动化结构设计培训:火炮炮尾炮闩类型及结构,火炮炮尾炮闩类型及结构,设计,结构,自动,零件,设计培训,结构设计,第10张

非标自动化结构设计培训:火炮炮尾炮闩类型及结构,火炮炮尾炮闩类型及结构,设计,结构,自动,零件,设计培训,结构设计,第11张

    闭气式的立楔炮闩结构有所不同,金属闭气机构结构较复杂
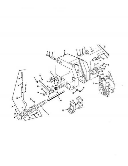
    其它一些结构各异的炮尾炮闩结构构成图

非标自动化结构设计培训:火炮炮尾炮闩类型及结构,火炮炮尾炮闩类型及结构,设计,结构,自动,零件,设计培训,结构设计,第12张
非标自动化结构设计培训:火炮炮尾炮闩类型及结构,火炮炮尾炮闩类型及结构,设计,结构,自动,零件,设计培训,结构设计,第13张

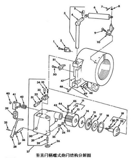
螺式炮尾
    螺式炮闩是靠闩体上的外螺纹直接与炮尾闩室内的螺纹连接的一种炮闩。闩体形状有圆柱形、圆锥形、圆柱圆锥混合形。按照闩体外螺纹形状,闩体可分为连续螺纹闩体、断隔螺纹闩体和阶梯式断隔螺纹闩体。按闩柄轴的位置不同可分为垂直的和水平的。按闭锁方式又分普通式和闭气式。

非标自动化结构设计培训:火炮炮尾炮闩类型及结构,火炮炮尾炮闩类型及结构,设计,结构,自动,零件,设计培训,结构设计,第14张非标自动化结构设计培训:火炮炮尾炮闩类型及结构,火炮炮尾炮闩类型及结构,设计,结构,自动,零件,设计培训,结构设计,第15张非标自动化结构设计培训:火炮炮尾炮闩类型及结构,火炮炮尾炮闩类型及结构,设计,结构,自动,零件,设计培训,结构设计,第16张非标自动化结构设计培训:火炮炮尾炮闩类型及结构,火炮炮尾炮闩类型及结构,设计,结构,自动,零件,设计培训,结构设计,第17张

    普通螺式炮闩一般由闭锁、击发、抽筒、保险及挡弹等装置组成。
1闭锁装置

    闭锁装置:由闩体、锁扉、闩柄、诱导杆及驻拴等组成。此装置的主要零件是闩体,他旋在锁扉的连接筒上,锁扉用闩柄轴装在炮尾上,并可绕闩柄轴转动。诱导杆可在锁扉内滑动,其上的齿与闩体的齿弧相啮合,闩柄转动时带动诱导杆滑动,诱导杆带闩体转动。关闩第一阶段:闩柄、锁扉、闩柄和诱导杆一起转动,直至闩体完全进入闩室。关闩第二阶段:锁扉不动,闩柄继续转动,经诱导杆使闩体转动90°,闩体螺纹与闩室螺纹相吻合而实现闭锁。

2 击发装置

    击发装置采用击针拉火式。由击发机与拉火机组成。击发机包括击针、击针簧、击针套筒等组成。击针装在击针套筒内,击针簧被预压在支筒与套筒之间。击针后段之逆钩用来与引铁的钩脱板相连接。当炮手拉动引铁时,逆钩与钩脱板脱离,击针弹回,实现击发。
3 抽筒装置
    抽筒装置以耳轴装在炮尾右侧。开闩是,锁扉上的冲铁冲击抽筒子的凸起部,使抽筒子转动而抽出药筒。
4 保险装置
    常见的保险装置有两种,关闩不到位不能击发和惯性保险。
5 挡弹装置
    挡弹装置用来在装填时挡住弹丸和药筒,防止掉出。由挡弹板和轴组成。
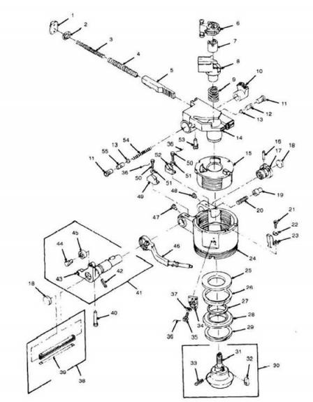
    闭气螺式炮闩,只要是对于采用药包分装式炮弹的螺式炮闩,在炮闩上需要安置有专用的紧塞装置,以密封火药燃气和安置点火具,紧塞具由气密垫、菌状杆、前后切口垫环及弹簧等组成。发射时,菌状杆受燃气压力作用而后移,压缩气密垫,使其向炮膛扩张而紧贴于药室壁。菌状杆中心有导火孔,由装在发火机上的底火铜壳闭气。采用气密垫方式,省去了药筒,炮弹成本可降低。
    比较经典的一种闭气螺式炮闩,这种结构炮尾在许多大口径火炮中被运用(如:美国的M109自行榴弹炮、奥地利GHN-45榴弹炮、南非G5-G6榴弹炮、中国WA021加榴炮等) 

    以某型155毫米加榴炮炮闩结构为图例说明 

非标自动化结构设计培训:火炮炮尾炮闩类型及结构,火炮炮尾炮闩类型及结构,设计,结构,自动,零件,设计培训,结构设计,第18张非标自动化结构设计培训:火炮炮尾炮闩类型及结构,火炮炮尾炮闩类型及结构,设计,结构,自动,零件,设计培训,结构设计,第19张非标自动化结构设计培训:火炮炮尾炮闩类型及结构,火炮炮尾炮闩类型及结构,设计,结构,自动,零件,设计培训,结构设计,第20张非标自动化结构设计培训:火炮炮尾炮闩类型及结构,火炮炮尾炮闩类型及结构,设计,结构,自动,零件,设计培训,结构设计,第21张

    锁扉和诱导齿条

非标自动化结构设计培训:火炮炮尾炮闩类型及结构,火炮炮尾炮闩类型及结构,设计,结构,自动,零件,设计培训,结构设计,第22张


免责声明:
1;所有标注为智造资料网zl.fbzzw.cn的内容均为本站所有,版权均属本站所有,若您需要引用、转载,必须注明来源及原文链接即可,如涉及大面积转载,请来信告知,获取《授权协议》。
2;本网站图片,文字之类版权申明,因为网站可以由注册用户自行上传图片或文字,本网站无法鉴别所上传图片或文字的知识版权,如果侵犯,请及时通知我们,本网站将在第一时间及时删除,相关侵权责任均由相应上传用户自行承担。
[complaint:内容投诉]
智造资料网打造智能制造3D图纸下载,在线视频,软件下载,在线问答综合平台 » 非标自动化结构设计培训:火炮炮尾炮闩类型及结构