冲压模具设计年度总结!!!

一、 设计过程

1、 冲裁件工艺性分析:

① 材料性能分析:是否具有良好的冲压工艺性能;

工件结构分析:
结构要求:如果只是对孔的定位有高要求,对外形要求不高,可以改进外形,以实现无废料排样
料厚:是薄板材料还是厚板材料?t<0.3mm? t<2mm? t>2mm?
孔边距:c≥1.5t或c≥t
圆角过渡:转角处尽量用圆角过渡,有利于减少冲裁时尖角处的崩刃和过快磨损,一般可取r=0.5t,范围大致在0.21mm

2、 设计该零件的冲压生产工艺,编制其冷冲压工艺卡片,要求至少提出两种以上的冲压工艺方案分析比较,确定可行的工艺方案。

3、 论文正文中需要有该零件的模具结构总图一套及主要零件图。另外,需打印出来至少三张用Autocad画的规范三视图,打印图号至少A3号或以上。

4、 选择冲压设备,所有设备参数计算需注明取值来源,并将源图表重新绘制在论文中。

5、 编写设计说明书,所有工艺参数计算需注明来源,并将源图表重新绘制在论文中。

6、 设计论文的最后,将所有来源参考文献按[1],[2],[3]等顺序列出。

二、 设计进度

第1周,完成工艺分析、工艺方案制定及工艺计算;

第2周,完成模具总图设计与绘制;

第3周,设计绘制主要零件图,撰写设计计算说明书,答辩。

三、 参考书

1)王孝培. 冲压手册(或冲压设计资料). 机工版,第11章

2)肖景容. 冲压工艺学. 机工版,第7章

3)太原工学院主编. 冷冲模结构图册

4)中华人民共和国国家标准. 机械制图. GB4457~4460-84

5)* 周玲. 冲模设计实例详解. 化学工业出版社. 2007

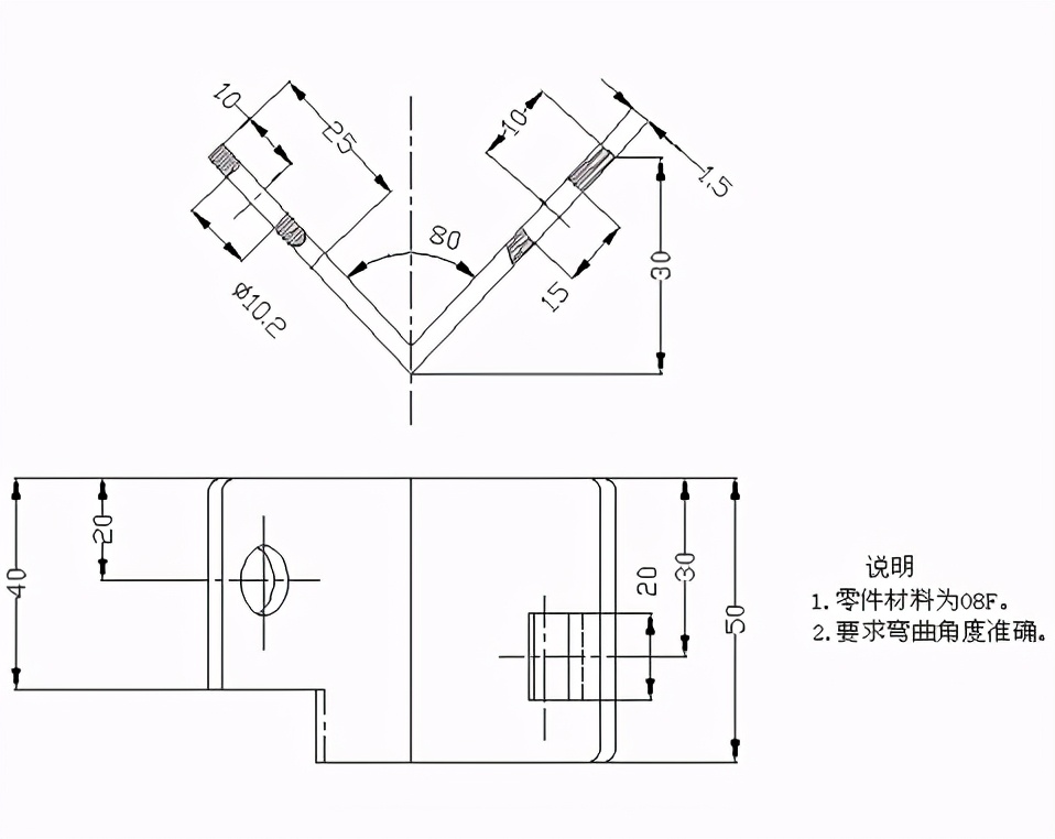
1.支架,设计该零件的冲压生产工艺及模具。

冲压模具设计年度总结!!!,冲压模具设计总结,新手必备,模具,设计,模具设计,第1张

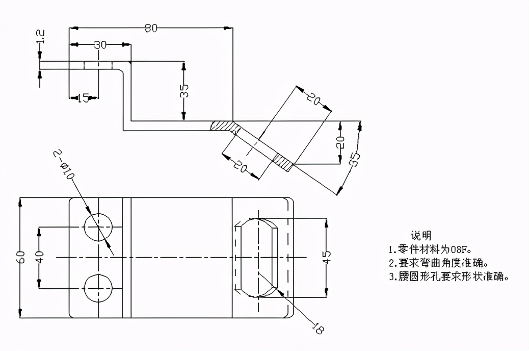
2.支架,设计该零件的冲压生产工艺及模具。

冲压模具设计年度总结!!!,冲压模具设计总结,新手必备,模具,设计,模具设计,第2张

3.法兰零件,试设计该零件的冲压生产工艺及模具。

冲压模具设计年度总结!!!,冲压模具设计总结,新手必备,模具,设计,模具设计,第3张

4.筒形零件,试设计该零件的冲压生产工艺及模具。

冲压模具设计年度总结!!!,冲压模具设计总结,新手必备,模具,设计,模具设计,第4张



免责声明:
1;所有标注为智造资料网zl.fbzzw.cn的内容均为本站所有,版权均属本站所有,若您需要引用、转载,必须注明来源及原文链接即可,如涉及大面积转载,请来信告知,获取《授权协议》。
2;本网站图片,文字之类版权申明,因为网站可以由注册用户自行上传图片或文字,本网站无法鉴别所上传图片或文字的知识版权,如果侵犯,请及时通知我们,本网站将在第一时间及时删除,相关侵权责任均由相应上传用户自行承担。
[complaint:内容投诉]
智造资料网打造智能制造3D图纸下载,在线视频,软件下载,在线问答综合平台 » 冲压模具设计年度总结!!!