在我们使用CAD软件绘制机械零件图的过程中,经常会碰到绘制机械对称零件图的情况。在这种情况下,如果能活用CAD软件的快捷功能,将会节约我们大量的时间。
首先,依次点击浩辰CAD机械软件中的【辅助工具】——【图层变换】,该功能可以快速改变对象所在图层,而且支持快捷命令。
接下来就进入了我们的实际绘制过程,绘制大致上可以分为以下的几个步骤:
1、分析对象结构:该零件结构是以中心线为界限,上下两部分相同,所以可以先绘制上半部分然后在进行镜像,或者使用浩辰CAD机械2011中【对称划线】命令(如图1)。

图1
2、使用浩辰CAD机械2011的【图案填充】功能对图案进行填充,通过选择区域、对象、图案、样例等功能来实现对图形的填充(如图2)。

图2
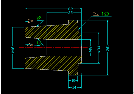
3、使用浩辰CAD机械2011尺寸标注中的【智能标注】功能能够让设计师对图形进行快速的标注(如图3)。

图3
双击标注可以对标注的内容进行添加、修改、删除等设置(如图4)

图4
4、使用浩辰CAD机械2011中的【符号标注】功能可以对图形进行快速的标注,标注后也可以双击标注再次对标注内容进行修改(如图5)。

图5
进行上述步骤之后,我们就完成了此零件图的绘制(如图6),我们从绘制过程中可以看出,由于利用了浩辰CAD机械2011的智能命令,我们可以节约大量的绘制时间。

图6
免责声明:
1;所有标注为智造资料网zl.fbzzw.cn的内容均为本站所有,版权均属本站所有,若您需要引用、转载,必须注明来源及原文链接即可,如涉及大面积转载,请来信告知,获取《授权协议》。
2;本网站图片,文字之类版权申明,因为网站可以由注册用户自行上传图片或文字,本网站无法鉴别所上传图片或文字的知识版权,如果侵犯,请及时通知我们,本网站将在第一时间及时删除,相关侵权责任均由相应上传用户自行承担。
[complaint:内容投诉]
智造资料网打造智能制造3D图纸下载,在线视频,软件下载,在线问答综合平台 » 浩辰CAD2011机械_(19)对称零件图(图文教程)
1;所有标注为智造资料网zl.fbzzw.cn的内容均为本站所有,版权均属本站所有,若您需要引用、转载,必须注明来源及原文链接即可,如涉及大面积转载,请来信告知,获取《授权协议》。
2;本网站图片,文字之类版权申明,因为网站可以由注册用户自行上传图片或文字,本网站无法鉴别所上传图片或文字的知识版权,如果侵犯,请及时通知我们,本网站将在第一时间及时删除,相关侵权责任均由相应上传用户自行承担。
[complaint:内容投诉]
智造资料网打造智能制造3D图纸下载,在线视频,软件下载,在线问答综合平台 » 浩辰CAD2011机械_(19)对称零件图(图文教程)

