UG草绘练习图(图文教程)

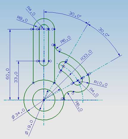
 草绘(一)

UG草绘练习图(图文教程),UG草绘练习图,教程,第1张

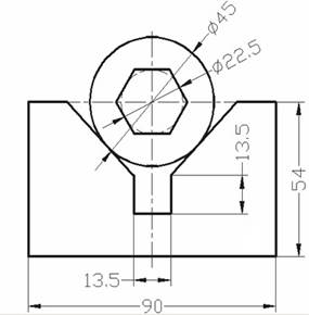
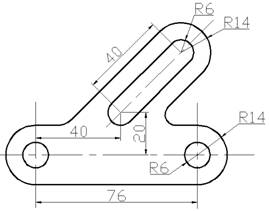
草绘(二)                草绘(三)

UG草绘练习图(图文教程),UG草绘练习图,教程,第2张   UG草绘练习图(图文教程),UG草绘练习图,教程,第3张

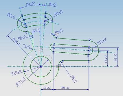
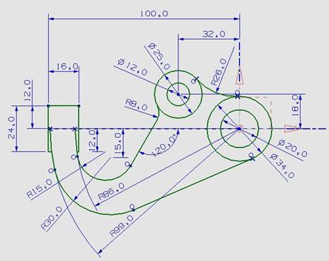
草绘(四)

UG草绘练习图(图文教程),UG草绘练习图,教程,第4张

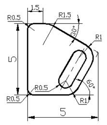
草绘(五)

UG草绘练习图(图文教程),UG草绘练习图,教程,第5张

草绘(六)              草绘(七)

UG草绘练习图(图文教程),UG草绘练习图,教程,第6张UG草绘练习图(图文教程),UG草绘练习图,教程,第7张

 

草绘(八)

UG草绘练习图(图文教程),UG草绘练习图,教程,第8张

UG草绘练习图(图文教程),UG草绘练习图,教程,第9张

UG草绘练习图(图文教程),UG草绘练习图,教程,第10张

UG草绘练习图(图文教程),UG草绘练习图,教程,第11张

 

UG草绘练习图(图文教程),UG草绘练习图,教程,第12张

 

UG草绘练习图(图文教程),UG草绘练习图,教程,第13张

 

UG草绘练习图(图文教程),UG草绘练习图,教程,第14张

 

 

 

UG草绘练习图(图文教程),UG草绘练习图,教程,第15张

 

UG草绘练习图(图文教程),UG草绘练习图,教程,第16张

 

 

UG草绘练习图(图文教程),UG草绘练习图,教程,第17张

 

UG草绘练习图(图文教程),UG草绘练习图,教程,第18张

 

UG草绘练习图(图文教程),UG草绘练习图,教程,第19张

 

UG草绘练习图(图文教程),UG草绘练习图,教程,第20张

 

UG草绘练习图(图文教程),UG草绘练习图,教程,第21张

 

 

UG草绘练习图(图文教程),UG草绘练习图,教程,第22张

 

UG草绘练习图(图文教程),UG草绘练习图,教程,第23张

免责声明:
1;所有标注为智造资料网zl.fbzzw.cn的内容均为本站所有,版权均属本站所有,若您需要引用、转载,必须注明来源及原文链接即可,如涉及大面积转载,请来信告知,获取《授权协议》。
2;本网站图片,文字之类版权申明,因为网站可以由注册用户自行上传图片或文字,本网站无法鉴别所上传图片或文字的知识版权,如果侵犯,请及时通知我们,本网站将在第一时间及时删除,相关侵权责任均由相应上传用户自行承担。
[complaint:内容投诉]
智造资料网打造智能制造3D图纸下载,在线视频,软件下载,在线问答综合平台 » UG草绘练习图(图文教程)