工装在烟草机零件加工中的应用要求

在烟草机械零部件的加工过程中,异形件比较多。对于一些不规则的零件,若采用通用的工装夹具,装夹及定位都比较麻烦,不仅效率低,产品质量也不易保证,同时一些加工要素用常规检具测量也很困难。在异形件加工过程中,零件的定位装夹是一个难点。根据零件的特点,设计相应的工装夹具,使零件的定位装夹简单化,并保证零件尺寸的一致性。检测工装的使用可以简化测量方法,快速准确地得到测量结果。利用工装进行加工及测量,不仅保证了零件精度,还可以提高生产效率,减轻工人的劳动强度,降低对工人技能的要求。下面针对几个应用实例加以说明。
  1. 铲刀圆弧面切割工装 
  铲刀是YJ29接装机改造组件切纸系统中的一个零件,其材料为Q235A。该零件的φ148.5mm圆弧面与切纸鼓轮相贴,清理鼓轮上粘附的杂物。圆弧面与鼓轮的贴合程度是保证鼓轮清洁的关键,所以圆弧面与安装定位面的位置关系必须正确。
  从图1可以看出,φ148.5mm圆弧中心与安装基准面的角度为 5°。实际生产中是利用工装定位,将φ148.5mm圆弧的中心调整到垂直的方向,用线切割的方法来完成的 。
工装在烟草机零件加工中的应用要求,工装在烟机零件加工中的应用,零件,要求,加工,第1张
(a)
工装在烟草机零件加工中的应用要求,工装在烟机零件加工中的应用,零件,要求,加工,第2张
(b)
工装在烟草机零件加工中的应用要求,工装在烟机零件加工中的应用,零件,要求,加工,第3张
(c)
图1 铲刀结构示意图
  如图2所示,线割工装以定位面A定位压紧在线切割机床工作台上,以定位销及工装上台阶定位将工件定位压紧在工装安装面上。工装上φ20mm找正孔的中心是钼丝切割时的零点位置。设计工装时要确定φ20mm找正孔与定位销的位置尺寸A,从而确定φ20mm到φ148.5mm 圆弧中心的尺寸。切割时,用钼丝找正φ20mm孔壁,从而确定孔中心,从孔中心移动坐标尺寸B和C 到φ148.5mm圆弧中心,切割圆弧至设计要求。
工装在烟草机零件加工中的应用要求,工装在烟机零件加工中的应用,零件,要求,加工,第4张         工装在烟草机零件加工中的应用要求,工装在烟机零件加工中的应用,零件,要求,加工,第5张
 图2 铲刀圆弧面线割工装
  1.线割工装 2.定位销 3.压紧螺钉 4.工件
  工装的应用使零件在加工圆弧面时,定位装夹极其方便,零点位置确定后,一批零件无需找正,不仅保证了零件的精度要求,还有效提高了生产效率。
  2. 支座折弯工装
  如图3所示,支座是YB25软盒包装机上商标纸输送部分的一个零件,材料是45钢,筋板处焊接有材质为60Si2Mn的导片,导片的厚度为1mm。D处筋板焊接导片后需按要求折弯,因筋板上有焊接的导板,给折弯带来了难度。在实际生产中,通过设计折弯工装满足了图样的要求。
工装在烟草机零件加工中的应用要求,工装在烟机零件加工中的应用,零件,要求,加工,第6张
图3 支座结构示意图
  折弯工装(见图4)由底座、圆柱销和上盖组成。工件以底座上大面定位,以定位面A和定位面B定上下和左右两个方向的位置,工件上导片放入底座槽内,盖上上盖,用螺钉2将工件夹持在底座和上盖之间。圆柱销中心与工装斜面垂直,端面有槽,导片可陷入圆柱销槽中。折弯时,旋动螺钉3,推动圆柱销滑动,压支座筋板部分弯曲(导片不受力)。考虑折弯后的反弹,工装上斜面的角度α比工件上的角度大1°左右。折弯工装的使用简化了工艺方法,在钳工上完成了折弯的操作,操作简单、成本低。
工装在烟草机零件加工中的应用要求,工装在烟机零件加工中的应用,零件,要求,加工,第7张
图4 支座筋板折弯工装
  1.底座 2、3.螺钉 4.圆柱销 5.上盖
  3. 锁止弧轴测量工装
  锁止弧轴(见图5)是GDX2包装机上马耳他轮机构中的一个零件。锁止弧轴上的锁止圆弧与马耳他轮上的锁止凹槽相互作用,将机械的圆周连续回转变换成间歇转动,完成烟支的包装。图5中R(36.4±0.02)mm圆弧是一段引导弧,可避免两锁止弧接触时的刚性冲击,减轻机构的摩擦磨损,减缓振动和噪声,保证运动的平稳性。该段圆弧因长度短,且与锁止圆弧有偏心,测量较困难。在实际生产过程中,借用测量工装解决这一问题。
工装在烟草机零件加工中的应用要求,工装在烟机零件加工中的应用,零件,要求,加工,第8张
图5 锁止弧轴结构示意图
  锁止弧检测工装(见图6)上有一个与φ80H7定位孔偏心5mm的偏心外圆R36.4mm。测量时,以零件上φ80h6 外圆及φ6H7 孔定位,通过定位销将工件装在测量工装中,用两个M6 螺钉固定。工装上R36.4mm偏心外圆与工件上R36.4mm圆弧组成同心圆φ72.8mm,从而实现了工件上引导弧的测量。借用测量工装,有效地解决了短圆弧的测量,简单、方便,测量结果准确、一致性好。
工装在烟草机零件加工中的应用要求,工装在烟机零件加工中的应用,零件,要求,加工,第9张
图6 锁止弧检测用工装
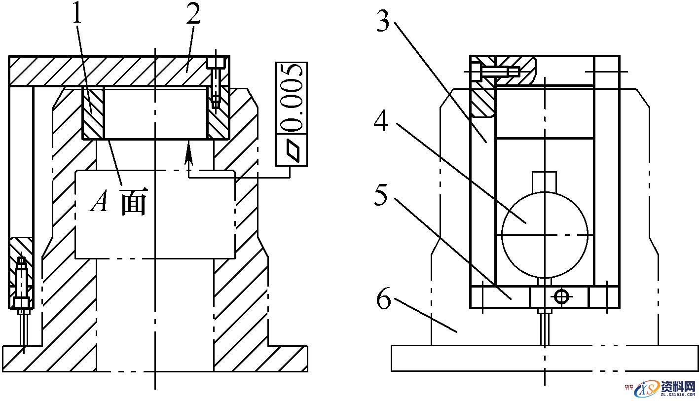
  4. 台阶轴套长度尺寸的测量
  图7所示的台阶轴套长度为(138.2±0.02)mm,是内孔端面与外圆肩面之间的尺寸。在实际加工中,φ100JS7孔及φ154g6外圆是一次装夹中在普通外圆磨床上磨削而成的。尺寸(138.2±0.02)mm的测量是加工中的一个难点。为保证尺寸精度、提高效率,设计了测量工装,解决了实际加工中的测量难题。
工装在烟草机零件加工中的应用要求,工装在烟机零件加工中的应用,零件,要求,加工,第10张
图7 台阶轴套结构示意图
  长度检测工装(见图8)由检具体、连接板、竖板和横板组成,横板上装有一个百分表。测量前先用一个高 138.2mm 的标准块将测量工装校对好。校对时,将标准块放在平台上,检具体A面与标准块上面接触,百分表测头与平台接触,将表指针调至零位。测量零件时,将检具体A面与φ100JS7孔底面贴合,百分表测头与φ154g6外圆肩面接触,根据表指针偏离零位的数值,确定尺寸的大小。
工装在烟草机零件加工中的应用要求,工装在烟机零件加工中的应用,零件,要求,加工,第11张
图8 台阶轴套长度尺寸测量工装
  1.检具体 2.连接板 3.竖板 4.百分表
  5.横板 6.工件
  测量工装的使用能快速、准确地测量出尺寸的误差,为在线测量提供了方便、有效的方法。
  5. 结语
  在异形件的加工中使用合理的工装进行装夹和测量,可以简化工艺及测量方法,在保证产品质量的同时,降低了成本,有效提高了生产效率,同时降低了对工人技能的要求。
免责声明:
1;所有标注为智造资料网zl.fbzzw.cn的内容均为本站所有,版权均属本站所有,若您需要引用、转载,必须注明来源及原文链接即可,如涉及大面积转载,请来信告知,获取《授权协议》。
2;本网站图片,文字之类版权申明,因为网站可以由注册用户自行上传图片或文字,本网站无法鉴别所上传图片或文字的知识版权,如果侵犯,请及时通知我们,本网站将在第一时间及时删除,相关侵权责任均由相应上传用户自行承担。
[complaint:内容投诉]
智造资料网打造智能制造3D图纸下载,在线视频,软件下载,在线问答综合平台 » 工装在烟草机零件加工中的应用要求