塑料模具排气系统设计(图文教程)

排氣系統

    在註射以及合模過程中﹐必須及時將模具中多余的氣體排出﹐保証产品質量及合模的順暢。

排氣系統包括﹕产品排氣﹑導套排氣。對于細水口模﹐還包括尼龙螺絲排氣等。

1.1产品排氣

1.1.1分型面排氣

    一般設置于型腔周圍﹐但有時也設置在型芯周圍或是型腔﹑型芯周圍均設。通常流道也要設排氣槽﹐特別是澆口對側部位。

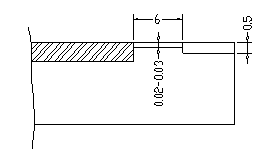
    排氣槽深度與材料粘度關系密切﹐排氣槽深度一般0.02~0.03﹐寬5~8MM,長6之後以0.5的深度引出模外,避免正对操作工人。

1.1.2頂針排氣

塑料模具排气系统设计(图文教程),塑料模具排气系统设计,水口,型腔,一般,尼龙,产品,第1张

    大型深腔制品﹐非常適合采用頂針排氣﹐將頂針双边車小0.02~~0.03即可。同時﹐当产品中間有燒焦等缺陷時也可采用頂針排氣來解決。

1.1.3鑲件排氣

塑料模具排气系统设计(图文教程),塑料模具排气系统设计,水口,型腔,一般,尼龙,产品,第2张

    制品上深的骨位常采用鑲拼結構﹐既方便加工﹐又可起到排氣的

1.2 導套排氣槽

     導套上排氣槽一般寬5—8mm, 深0.5—1.0mm。

塑料模具排气系统设计(图文教程),塑料模具排气系统设计,水口,型腔,一般,尼龙,产品,第3张

1.3 尼龙胶钉排氣孔

     細水口模前模尼龙胶钉孔頂端一般要開排氣孔﹐直徑ø5.0。

塑料模具排气系统设计(图文教程),塑料模具排气系统设计,水口,型腔,一般,尼龙,产品,第4张

免责声明:
1;所有标注为智造资料网zl.fbzzw.cn的内容均为本站所有,版权均属本站所有,若您需要引用、转载,必须注明来源及原文链接即可,如涉及大面积转载,请来信告知,获取《授权协议》。
2;本网站图片,文字之类版权申明,因为网站可以由注册用户自行上传图片或文字,本网站无法鉴别所上传图片或文字的知识版权,如果侵犯,请及时通知我们,本网站将在第一时间及时删除,相关侵权责任均由相应上传用户自行承担。
[complaint:内容投诉]
智造资料网打造智能制造3D图纸下载,在线视频,软件下载,在线问答综合平台 » 塑料模具排气系统设计(图文教程)