內模結構
※ 分型面
在模具设计中,分型面的选择是一项非常重要的工作,确定分型面需从以下几个方面综合考虑:
1).产品的质量与外观要求;
2).开模后产品留前模或后模的方便性;
3).易加工性(例钮CD座中间碰穿孔位);
4).排气;
5).客户指定。
設計时,考慮到产品的精度、加工的方便性、模具的強度、本公司的加工能力以及排氣與冷卻的因素,往往需要采用鑲拼結構。
1.1. 当产品某處需换呵,必须单独镶出。
1.2. 当产品周围有止口时,需要整体镶呵,此时,镶呵并不镶通,并且其周边倒R6.0圆弧,例如大的底面壳等产品。

1.3. 当产品骨位過深時要鑲出,如圖: h/t≧10

1.4. 当产品某處结构复杂,难加工时要镶。例如CD座上CD门转轴柱位,前后模对碰前后模均需镶出。
1.5 齿輪产品前后模均需做鑲件,如圖

1.6. 当产品上有細小的不規則碰穿孔時,一般要鑲,例如中層采取前模線割方式。
1.7当产品上有文字标识时,一般要镶,镶件尽量不镶通,采用螺絲固定,镶嵌范围为文字标识处最外圈装饰线。
1.8. 当按鈕等制品對碰穿位大小有嚴格要求時,往往要鑲(镶件为黄牌),以保護前模。


1.9当钮孔周围有环骨,且其深度超过5MM时,需镶。
1.10當鑲件采用不超過M1/4的螺絲固定時﹐螺絲邊與鑲件邊的最小距離為2.0mm.

1.11.CH型模胚前模镶针底要加压板。
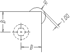
1.12.固定內模的螺絲位于内模边时,其与內模邊的尺寸對應關系見表﹕
螺絲規格 | B最小值 | B常用值 |
M1/4" | 8 | 12 |
M5/16" | 10 | 12 |
M3/8" | 15 | 15 |
M1/2" | 15 | 15 |

当需模胚厂开框时,开框深度不超过40MM,四角R10。开框深度超过40MM,四角R16。当深度超过60MM时,四角R16,同时底面R6.0。
当由工场开框时,开框深度35MM及以上2XR为1/2”,开框深度35MM以下,2XR为3/8”。
1;所有标注为智造资料网zl.fbzzw.cn的内容均为本站所有,版权均属本站所有,若您需要引用、转载,必须注明来源及原文链接即可,如涉及大面积转载,请来信告知,获取《授权协议》。
2;本网站图片,文字之类版权申明,因为网站可以由注册用户自行上传图片或文字,本网站无法鉴别所上传图片或文字的知识版权,如果侵犯,请及时通知我们,本网站将在第一时间及时删除,相关侵权责任均由相应上传用户自行承担。
[complaint:内容投诉]
智造资料网打造智能制造3D图纸下载,在线视频,软件下载,在线问答综合平台 » 模具內模結构(图文教程)

