一 模具标注原则
1、所有图面均采用第三视角画法。
2、所标图面均不能用SCALE放大或缩小(即在计算器图面保持1:1),只能将图框放大或缩小。
3、图框大小的选取,依照图形的大小,复杂程度来定图框大小。
4、图形标注时,尽量采取1:1标注,以便核对图面。
5、图框放大或缩小的比例必须能被1整除。
常用比例有:1:10、1:8、1:5、1:4、1:2.5、1:1.25、1:1、1.25:1、2:1、2.5:1、4:1、5:1、8:1、10:1等(特殊时可采用1:1.6)
6、图面出图字高为2.25,字宽为字高的0.75或0.8,为便于规划,我们统一RONENS或CHINA两种字型。
7、出图时坐标标注的尺寸线12~15MM,限界标注呎寸线长为6~7MM , 中心线露出界长1.2-1.5mm (都指出图后的长度)。
8、整套零件采用统一基准(即基准符号位置摆 放一致)﹕A 一般与装配图基准一致﹔B 可以整套图面按组立图基准旋转正90°
9、单位设定一般以十进制毫米为单位, 标注精度﹕角度标注(两位小数)﹐水孔﹑螺丝孔﹑逃孔等无装配精度以整数或整十条标注﹔有配合关系﹑成型部份等均以两位小数
10 、出图笔宽设定
颜色----------笔宽 -----------备注
1 号色----------0.10 -----------红色
2 号色----------0.10 -----------黄色
3 号色----------0.15 -----------绿色
4 号色----------0.10 -----------蓝色
5 号色----------0.10 -----------水蓝色
6 号色----------0.10 -----------紫色
7 号色----------0.20 -----------白色
8 号色----------0.08 -----------\
9 号色----------0.08 -----------\
其它----------0.10------------\
11、常用图层
名称 颜色 线型 应用范围
0 white continuous 轫廓线 可见线
11 red center 中心线 弹簧简化线
13 green hidden 不可见线
14 cyan continuous 加强结 顶针逃孔
15 blue hidden 不可见O型环
16 magenta hidden 不可见水孔及塞子
17 white continuous 轫廓线 可见线
20 gray phanton 打断线
29 green continuous 尺寸标注线
Center ren center 中心线
Hatch gray continuous 剖面线
二 标注分类
标注按如下三类来说明:模板类、模仁类、机构类
模板类
装配图: AS
面 板: A01
A 板: A
B 板: B
顶出板: B12
底 板: B03
装配图标注
1. 在平面组立图上, 以模具中心为原点 标注以下各零件的大小和位置尺寸.
1.1 模座上各模板的大小.
1.2 导柱, 导套的位置.
1.3 大. 小拉杆及其过孔的位置.
1.4 顶板导柱(EGP)的位置.
1.5 KO孔的位置.
1.6 支柱(SP)的位置.
1.7 停止销(STP)的位置.
1.8 回位销(RP)的位置.
1.9 开闭器的位置.
1.10 定位块的位置和大小.
1.11 滑块座的位置和大小.
1.12 模座上各螺丝的位置.
1.13 水孔的位置, 规格及编号(如NO.1 IN).
2. 在断面图上主要标注的尺寸有:
2.1 各模板的厚度以及模具的总长L , 总宽W,总高H.
2.2 定位环的大小, 高度及螺丝孔的位置.
2.3 注口衬套的细部加工尺寸都应标注清楚.
2.4 模仁的厚度.
2.5 水孔的高度.
2.6 导柱, 导套的长度及其大小.
2.7 大. 小拉杆的行程及其大小.
2.8 顶板导柱及其导套的长度和大小.
2.9 KO孔的直径.
2.10 支柱(SP)的长度和直径.
2.11 回位销的大小和长度.
2.12 停止销的直径和厚度.
2.13 开闭器的直径和长度.
2.14 定位块的高度.
2.15 各吊模螺钉的规格及高度.
2.16 行位的行程及其高度.
2.17 斜销的行程和宽度及其配件的大小.
3. 装配图中主要螺丝应标上编号(如S-1;S-2等), 其编号在平面图和断面图上要一致.
4. 各标准件在平面图上应标上代号(如SP;GB;SP; STP; RP; EGP 等).
面 板
1.面板的长﹑宽﹑高,尺寸精度为两位小数。
2.定位环的位置﹑直径及深度﹐注口衬套逃孔直径。
3.螺丝孔的规格位置及深度﹐此时不应有S - 7 等字样而应标注为M8.M10等形式,侧面螺丝(吊模螺丝孔)高度尺寸需文字说明 (如:H=-12.5)。
4.有排气槽的应标明排气槽的位置﹑大小和深度。
A 板
1. 斜进胶口的标注: 斜度, 进胶口小端直径, 胶口的角度, 胶口的位置尺寸, 与喷嘴接触处的圆弧大小及深度. 见图一

2. 斜导柱孔: 斜导柱的直径及其斜度, 各部分的深度, 见图二
3. 冷却水孔: 冷却水孔的规格, 型号, 编号及位置尺寸, 见图三
4. “O”型环﹕其外形均以整数标注, 要标注的尺寸有: 槽的外径, 宽度, 深度, 水孔的直径﹐并在空白处注明“O”型环规格,如P12, 见图四
5. 螺丝孔的规格位置及深度(标准模胚上已经有的 螺丝孔可以不标注)﹐此时不应有S-1等字样而应标注为M8.M10等形式。侧面螺丝(吊模螺丝孔)高度尺寸需文字说明(如:H=-50)。

5. 螺丝孔的规格位置及深度﹐此时不应有S - 6 等字样而应标注为 M8.M10等形式。侧面螺丝
(吊模螺丝孔)高尺寸需文字说明(如:H=-50)。
6. 铲基留自然其主视图上应以小端尺寸标注﹐侧视图上的大﹑小端无需标出。见图五
7. 侧视图上插破之角度斜面应注明(插破)字样。见图五
8. 小拉杆﹑开闭器﹑导柱(套)孔等需应剖视反映见图六
9. 如有其它特殊情况﹐可以用文字说明。


B 板
1. 冷却水孔: 冷却水孔的规格, 型号, 编号及位置尺寸, 见图三
2. “O”型环﹕其外形均以整数标注, 要标注的尺寸有: 槽的外径, 宽度, 深度, 水孔的直径﹐并在空白处注明“O”型环规格, 如P12, 见图四
3. 螺丝孔的规格位置及深度(标准模胚上已经有的可以不标注)﹐此时不应有S -4 等字样而应标注为M8.M10等形式。打在B板侧面螺孔(如﹕吊模螺丝孔)高度尺寸有时为了方便可以以文字说明(如:H=-50)。
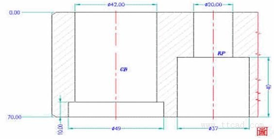
4. 回位销RP孔径及其逃孔大小和深度,导柱(导套)孔孔径及沉头高度﹑直径等。见图七


7. 侧视图上插破之角度斜面应注明(插破)字样如﹕与顶出块靠(插)破之面﹑前模仁插过后模的插破面等。见图(九)
8. 开闭器孔应标出孔径﹑孔深﹑螺丝孔型号﹑深度﹐见图(十)
9. 侧面使用直角定位块﹐除应作一剖视图外还 需作一向视图。见图(十)
10. 如有其它特殊情况﹐可以用文字说明。

图九

图十
顶出板
1.上下顶出板密切相关, 因此将它们为一个整体进行标注。
2.上下顶出板上包含了﹕顶针沉头孔﹑套筒孔﹑螺丝孔﹑回位梢RP孔﹑顶板导套EGP孔﹑斜顶座孔﹑支撑柱SP孔﹑拉回装置孔等。
3.上下顶出板之支撑柱孔(SP)可以不在侧视图上反映﹐可直接在主视图上标明其直径﹐并注明其通孔(THR)即可。
4.对于斜顶座孔一致而斜顶编号不一致的情况﹐可不必将每一座孔在剖视图的反映﹐注明(AG01,AG02)斜顶座孔型式一致之字样。
5. 回位梢孔应标出孔径及沉头高度﹑大小﹐顶板导柱孔应标出孔径﹑沉头高度及大小﹑斜梢座孔及拉回装置孔应依其具体形式进行标注。如下图十一﹕
6. 各顶针﹑套筒﹑扁梢之沉头均应标注出孔径﹑沉头高度及大小。如下图十一﹕

图十一
底板
1. 底板包含了:K.O.孔﹑顶板导柱孔﹑拉回装置孔﹑螺丝孔﹑套筒顶针沉头孔等。
2. 标注下固定板时,要注意下固定板上的螺丝种类,其中包括锁模脚的螺丝,锁底板的螺丝,锁支撑柱的螺丝及吊模螺丝,有时还有定位模脚的定位销孔。
3. 具体结构的标注与前面介绍的模板类零件相同,不再重述。
模仁类
前模仁: CAV
前模镶件: CAV01,CAV02……
后模仁: COR
后模镶件: COR01,COR02……
前,后模仁
1‧ 标注模仁时,首先将3D传档过来的DWG档与装配图进行核对,检查模仁尺寸是否正确,以及模仁有无倒勾,有无做拔模角或尖角。
2‧ 模仁基准摆放要与组立图一致,(特殊时可旋 转,但要符合组立图摆放一致)。
3‧ 模仁视图的布置
3.1. 主视图要以开模方向的视图作为主视图‧
3.2. 侧视图要靠近主视图摆放,然后才是剖视图‧
3.3. 模仁外侧为断差面或曲面时,要以侧视图反映其形状‧不要以剖视图反映其形状‧
3.4. 放大尽量放在其图旁边‧
4‧ 立体图的摆放
4.1. 立体图的摆放要与主视图一致,如反应不清,可增加立体图‧
4.2. 立体图放大位数不定,可依图纸空间来定,但不能太小,如空间不够,立体图可单独另放一张图面‧
4.3. 为了避免编号弄错,模仁基准侧要刻字,字深为0.5mm‧
4.4. 为了设变时删除方便,立体图做成一个块,
5‧ (0,0)点选取
A. 主视图的x、y方向(0,0)点以模具中心为(0,0)点,特殊情况以成品中心为(0,0)点‧
B. 模仁轴方向(0,0)以pl面为(0,0)点‧
C. 如模具中心,pl面离模仁太远时,可以模仁直角边来定(0,0)点,一般要近基准侧优先,并注明To mcl mm及To pl mm
6‧ 模仁标注时均采用2位数标注,对于精度不高的,可用整数标注如靠肩宽度。
7. 对于顶针,镶件,斜顶较多的模仁及用毛料割的大镶件需另外标注线割打孔图
8. 对于一个视图只反映一个具体工位时﹐如图面放置不下﹐可以采用局部视图(局部投影图与局部放大图)。
9. 需有一侧视图反映其加工最深点﹐并标出(最深点或THE DEEPEST),在侧向投影视图上标出(最大点或MAX)。
10. 标注模仁时
A. 要注明,pl面以下取负数,pl面以上取正数‧
如:平面Z=-15.00,Z=+2.00,水路高度H=-15
B. 视图与立体图均要注明插破及靠破‧
C. 模仁入子编号要在主视图上注明,侧视图编号也要注明‧

图十二

图十三
机构类
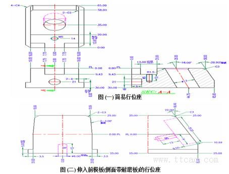
斜顶,斜顶座,斜顶引导块,斜顶耐磨板 (AG01,AG02……)
行位,行位座,行位耐磨板,行位压板,铲基
拨杆(S01,S02……)
斜顶
1.斜顶,英文名为Angle Lifer,我部门命名为AG01﹐…
2.斜顶的功用有﹕A.成形倒勾B.顶出成品C.排气
3.斜顶的重要工位﹕A.成形工位B.配合面
4.一般情况下, 斜顶高度方向应以分模线PL为基准进行标注,宽长方向以斜顶中间面进行标度。长度方向(及斜顶后退方向)一般找一平面作一基准﹐如斜顶成型面为平面﹐以成型面为基准进行标注﹐如斜顶面无平面﹐可在斜下部做一对刀平面为基准进行标注。

斜顶引导块

斜顶座及耐磨板

行位座
如图所示﹕行位座以行位座后退之视图方向为主视图﹔
PL面以及行位的中间面为基准﹔
有的行位座也有成型部分﹐其成型部分的标注按模仁的标注规范。有水路的行位还应标出其水路的大小﹑规格及高度。


行位压板

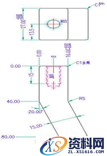
铲基


拨杆

线割A图档制作规范
目的
统一、规范线割档的制作方法并推广之。
适用范围
设计部制作线割档的相关人员。
内容
1.线割图档的源图必须调用3D人员转换的最新.Dwg档。
2.配合加工部的线割编程软件,设计所制作的线割轮廓线只能由直线和圆弧组成,其它任何线条将使档案读不出来。
3.前后模仁的分模面、内模仁镶件孔与镶件外轮廓线是曲线且需要线割加工时,制作的线割轮廓线要用同一条线,以保证其装配的准确性。
4.线割轮廓线的编辑
a.轮廓线由直线和圆弧组成——不需要任何编辑。
b.轮廓线由多义线(Polyline)组成——需要编辑,步聚如下:Pedit Select Polyline 点选多义线 F(it) 回车,再炸开(Explode)多义线,便是由一段段的圆弧顺滑过渡连接;如直接炸开多义线,将是由一段段的直线连接。
c.轮廓线由样条曲线(Spline)组成——无法编辑,通过手工方法,用一段段的圆弧圆整之,然后删除原来的线条。
5.除线割编程所必须的轮廓线外,其余线条一律删除,要注明各轮廓线对应的零件编号;线割轮廓线的视图选取尽量和2D标注的相关图面一致,以方便加工人员辩认。
6.斜顶,镶件等有线割斜度时,要使主视图和侧视图的线条和点相对应,并作辅助线以使加工人员易辩认。
7.线割档的(加工)余量预留:通常在高度方向上和有插破、靠破的地方预留0.05mm,长宽方向一律不留(加工部按图面标注公差进行偏移) ; 凡线割后需放电加工的工位,如成型面较复杂,可以最高点拉平之后预留0.05mm,节省线割工时。
8.特别地,斜顶宽度方向上如有线割工位,在线割斜度方向时须在斜顶头部留出对刀面.
1;所有标注为智造资料网zl.fbzzw.cn的内容均为本站所有,版权均属本站所有,若您需要引用、转载,必须注明来源及原文链接即可,如涉及大面积转载,请来信告知,获取《授权协议》。
2;本网站图片,文字之类版权申明,因为网站可以由注册用户自行上传图片或文字,本网站无法鉴别所上传图片或文字的知识版权,如果侵犯,请及时通知我们,本网站将在第一时间及时删除,相关侵权责任均由相应上传用户自行承担。
[complaint:内容投诉]
智造资料网打造智能制造3D图纸下载,在线视频,软件下载,在线问答综合平台 » 模具制图的标注经验(图文教程)

