分流组合模的互换式设计(图文教程)

 1、引言

    在挤压型材所用的挤压模具巾,用来挤压空心型材的分流组合模,由于它的设计结构复杂(如图1所示),从而使得加工工序繁琐,加工周期较长,而且加工所需的原材料也较多。又由于传统的设计结构中,最易损坏的上模刑芯和下模型孔分别与上、下模体为一整体,使得相同规格的模具间不具有互换性,在上模型芯或下模型孔的某一部位遭到损坏或整体型芯或型孔由于长期使用而磨损变形时,因为不具有互换性,模具只能整体报废,这种不具有互换性的设计力案,不仅会造成极大的浪费,增加产品成本,而且还会影响到生产的正常进行。

分流组合模的互换式设计(图文教程),分流组合模的互换式设计,教程,第1张
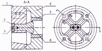
图1 原设计装配图

    鉴于上述原因,如果能将分流以组合模的上模型芯和下模型孔处设计成可更换的形式,在上模型芯或下模型孔因受到损坏而无法继续使用时,只需加工一个同样的上模型芯或下模型孔,将受损的型芯或型孔部分更换掉,即可使模具恢复正常的使用,这样将会大大地提高模具的使用寿命,节省可观的模具的材料费用及模具的加工费用,并能极大地缩短模具的加工期,满足用户的使用需求,确保生产的正常进行。

    2、设计分析

    图2、图3分别为按传统设计方案设计的分流组合模的上模与下模的结构。从图中可知,由于上模型芯和下模型孔分别与上、下模基体为一个整体,因此在型芯或型孔某一处有损坏而不能正常使用时,使得上、下模的基体也必然随之报废,造成了大量不必要的损失和浪赞。为此将分流组合模的设计方案修改成上模型芯与下模型孔的镶拼式结构,如图4所示,即上模型芯与下模型孔分别与上、下模基体为可分的两体形式,使上、下模结构成为镶嵌式的两体形式,在基体没有受到损坏时,只需要换掉受损的上模型芯或下模型孔,便可使模具得以继续正常使用。

分流组合模的互换式设计(图文教程),分流组合模的互换式设计,教程,第2张
图2 原设计上模

分流组合模的互换式设计(图文教程),分流组合模的互换式设计,教程,第3张
图3 原设计下模

分流组合模的互换式设计(图文教程),分流组合模的互换式设计,教程,第4张
图4 镶嵌式装配图
1.上模基体 2.堵板 3.螺钉 4.下模基体 5.下模镶块 6.上模镶块

    3、设计分析

    3.1 上模设计

    从图2中可知,分流组合模上模的型芯是凸在上模基体外侧的,基根部与基体相连接,因此,在上模基体与型芯相连接的模体部分必然是一个实体。为了实现上模型芯与基体以镶嵌的形式相连接,在与型芯根部相连接的基体疗分设计出一个阶梯式方孔,如图5所示,将上模型芯部分设计成如图6所示的与上模本体镶嵌的形式,基根部设计成方形,与基体上相对应的方孔按H8/r7的配合形式设计,这样就使上模型芯与上模本体间以过渡配合的形式相连接。方形的设计可以有效地防止镶块在基体中转动。

分流组合模的互换式设计(图文教程),分流组合模的互换式设计,教程,第5张
图5 镶嵌式上模

分流组合模的互换式设计(图文教程),分流组合模的互换式设计,教程,第6张
图6 上模镶块

    由于分流组合模在工作时,铝料是从流口方向进入模腔的焊合室内,为了防止型芯在强大的挤压力作用下,沿工作压力方向被挤出上模基体,将上模本体设计成阶级形式的方孔,同时设计了如图7所示的堵板,使之与上模型芯镶块之间用螺栓连接,确保上模型芯镶块在挤压时不至于从上模本体中挤出,更换时只需取下堵板和螺栓,即对型芯进行更换,简便易操作。

分流组合模的互换式设计(图文教程),分流组合模的互换式设计,教程,第7张
图7 堵板

    3.2 下模设计

    对于下模的可互换式设计,其设计方案要比上模简单,且容易加工。由于下模型孔是在焊合室平面内加工成形的,因此,根据工作时的受力特点,在设计下模时,将焊合室底面设计成如图8所示的阶梯形式,与之相配合的下模型孔也设计成相对应的阶梯形式,如图9所不。在下模基体与型孔镶块相配合处采用H8/r7的过渡配合形式。这种阶梯式的设计方案,可以有效地避免型孔镶块在挤压时从下模基体内挤出。在装配时下模镶块可直接沿阶梯方向装入下模基体即可,不需进行其它形式的连接即可使用,使之容易拆卸更换。

免责声明:
1;所有标注为智造资料网zl.fbzzw.cn的内容均为本站所有,版权均属本站所有,若您需要引用、转载,必须注明来源及原文链接即可,如涉及大面积转载,请来信告知,获取《授权协议》。
2;本网站图片,文字之类版权申明,因为网站可以由注册用户自行上传图片或文字,本网站无法鉴别所上传图片或文字的知识版权,如果侵犯,请及时通知我们,本网站将在第一时间及时删除,相关侵权责任均由相应上传用户自行承担。
[complaint:内容投诉]
智造资料网打造智能制造3D图纸下载,在线视频,软件下载,在线问答综合平台 » 分流组合模的互换式设计(图文教程)