针对链轮轴零件加工过程中出现的问题,对加工方案进行改进,采用组合加工的方法,降低了加工难度和加工成本,达到了零件的尺寸和精度要求,提高了加工效率。

轴的主要功用是支承传动件(齿轮、链轮和带轮等)、传递转矩及承受载荷,其主要结构特点是长度大于直径,一般由同轴心的外圆、圆锥、内孔、螺纹和键槽等组成。
1. 零件结构及加工难点分析
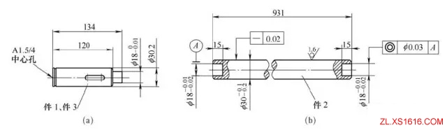
链轮轴是我所设备SPL-1200印刷系统中烘干炉链轮传动机构的一种细长轴,材料45钢,调质(T215)处理。零件直径30mm,长度1 171mm(见图1),长径比39,为细长轴,刚性很差。加工要求两端的尺寸精度φ 30 0-0.009mm,两端φ 3 0 m m 外圆的同轴度0.02mm,表面粗糙度Ra=1.6μm。

图1 链轮轴的结构
从链轮轴的结构可知,其最大的特点是刚性差,在加工过程中,切削力、切削热和振动等因素都将影响加工的尺寸精度和形位精度,加工难度大。该零件单台产品需要18件,若采用常规的加工方法,加工周期长,很难达到加工要求,容易造成零件的报废,而且影响产品交付周期,增加了加工成本。
2. 加工时存在的问题
在链轮轴试制时, 采用常规加工方法, 其加工工艺过程为:①下料。45钢,毛坯尺寸φ 35mm×1 180mm。②热处理。材料调质处理。受热处理工艺限制,调质处理外部协作完成。③车。除两端φ 30mm外圆留磨量外,其余各处车到尺寸。④铣。铣两端键槽。⑤ 车。修研两端中心孔。⑥ 外圆磨。顶磨两端φ 30mm外圆达图样尺寸要求。⑦表面处理。黑色氧化处理。
由于链轮轴为细长轴, 零件刚性差,结构工艺性不好,车削时受切削力、装夹力、自身重力、切削热以及振动等因素的影响,加工时会出现以下问题:
(1)切削时产生的径向切削力与装夹径向分力的合力会使工件弯曲,工件旋转时引起振动,从而影响加工精度和表面质量。
(2)工件高速旋转时,由于离心力的作用,加剧了工件的弯曲和振动。
(3)由于工件自重变形而加剧工件的自振,影响加工精度和表面质量。
(4)钢调质处理造成毛坯弯曲变形,严重影响到后序的车削加工,需进行校直处理,增加了加工成本。
若选用光轴加工,则链轮轴加工工艺过程变成:①定购研磨光棒,保证尺寸公差。②车各处空刀、倒角。③铣两端键槽。④表面氧化处理。由于光轴尺寸公差达不到0.009mm要求,并且镀铬光轴表面硬度能达到45HRC,造成后序键槽加工困难,所以该方法不太理想。
3. 解决方案
针对链轮轴在加工过程中出现的问题,根据零件的结构特点和使用要求,考虑采取组合焊接的加工方案。
根据零件的结构特点把零件拆分为3部分,如图2、图3所示。图2为组合焊接图,图3为拆分件。将链轮轴拆分成3部分组焊而成。中间部分选用45钢光轴,该部分加工工艺过程为: 定购φ 30mm光棒→车两端面,车两端焊接工艺沉孔并倒焊接坡口。

图2 链轮轴组焊图

图3 链轮轴拆分件
两 端φ 3 0m m外圆有精度要求,部分选用45钢毛坯加工而成, 其加工工艺过程为: ①下料。材料4 5 钢, 毛坯尺寸φ 35mm×195mm。②热处理。
材料调质处理。③车。车两端达尺寸要求;钻中心孔,顶车外圆φ 30mm留磨量;车环槽成尺寸;车出焊接定位工艺把,倒焊接坡口。④铣键槽。⑤车。修研两端中心孔。⑥ 外圆磨。双顶, 磨φ 30mm外圆达图样尺寸要求。
等拆分的各件按图样加工完成后,把中间部分和两端部分组装在一起,以两端中心孔为定位基准,在双顶夹持状态下,用氩弧焊按图样组焊而成(见图4)。

图4 链轮轴焊接工装示意图
1.固定支座 2.前顶尖 3.链轮轴 4.后顶尖 5.调节支座 6.焊接平台
为减少焊接变形,可采用预加热和分层焊接的方法,在定位工装上均匀旋转工件,沿焊口均匀焊接,其工艺过程为:组合焊接→车(修平修光焊缝)→表面氧化处理。焊前要求校直光棒,用氩弧焊连续焊接牢固、可靠,焊完保证两端φ 30mm同轴度不大于0.04mm,修平焊缝,保护零件表面。
4. 结语
对链轮轴的拆分组焊,降低了细长轴的加工难度,比整体车削加工容易,节省了加工时间。
加工完成后检测零件各处尺寸和精度,能够达到图样要求。通过实际装配,完全满足设备的使用要求。改进加工工艺后的链轮轴成品如图5所示。

图5 成品链轮轴
细长轴的车削加工是机械加工中比较常见的一种加工方式。由于细长轴刚性差,车削时产生的应力、受热变形较大,很难保证加工质量。链轮轴的拆分与组焊加工为细长轴的加工提供了一种解决思路,即根据细长轴的实际结构和使用要求,选择相应材料的光棒和研磨棒(45钢、304不锈钢等),采用组合加工的方式来简化加工工艺,达到细长轴的加工要求。
1;所有标注为智造资料网zl.fbzzw.cn的内容均为本站所有,版权均属本站所有,若您需要引用、转载,必须注明来源及原文链接即可,如涉及大面积转载,请来信告知,获取《授权协议》。
2;本网站图片,文字之类版权申明,因为网站可以由注册用户自行上传图片或文字,本网站无法鉴别所上传图片或文字的知识版权,如果侵犯,请及时通知我们,本网站将在第一时间及时删除,相关侵权责任均由相应上传用户自行承担。
[complaint:内容投诉]
智造资料网打造智能制造3D图纸下载,在线视频,软件下载,在线问答综合平台 » 细长轴难加工,采用拆分与组焊加工方法(图文教程)

