机械图纸尺寸标注中常见符号的意义(图文教程)

    机械图纸尺寸标注中常见符号的意义:

序号

符号名称

符号绘制标准

应用示例

1

GB/T 1182-2008

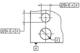
基准符号。

涂黑三角形及中轴线可任意变换位置,方框和字母只允许水平放置不允许歪斜;方框外边的连线也只允许在水平或铅垂两个方向画出。

机械图纸尺寸标注中常见符号的意义(图文教程),机械图纸尺寸标注中常见符号的意义,图纸,标注,符号,尺寸,第1张

机械图纸尺寸标注中常见符号的意义(图文教程),机械图纸尺寸标注中常见符号的意义,图纸,标注,符号,尺寸,第2张

2

GB/T 4458.4-2003;

标注正方形结构尺寸时在尺寸前面加注正方形符号。

高度h=3.5mm

机械图纸尺寸标注中常见符号的意义(图文教程),机械图纸尺寸标注中常见符号的意义,图纸,标注,符号,尺寸,第3张

 

机械图纸尺寸标注中常见符号的意义(图文教程),机械图纸尺寸标注中常见符号的意义,图纸,标注,符号,尺寸,第4张

3

GB/T 4458.4-2003;

标注弧长时在尺寸前面加注弧长符号。

高度h=R=3.5mm

机械图纸尺寸标注中常见符号的意义(图文教程),机械图纸尺寸标注中常见符号的意义,图纸,标注,符号,尺寸,第5张

机械图纸尺寸标注中常见符号的意义(图文教程),机械图纸尺寸标注中常见符号的意义,图纸,标注,符号,尺寸,第6张

4

GB/T 4458.4-2003;GB/T 16675.2-1996

尺寸注法;

沉孔或锪平符号。

高度h=3.5mm

机械图纸尺寸标注中常见符号的意义(图文教程),机械图纸尺寸标注中常见符号的意义,图纸,标注,符号,尺寸,第7张

机械图纸尺寸标注中常见符号的意义(图文教程),机械图纸尺寸标注中常见符号的意义,图纸,标注,符号,尺寸,第8张

机械图纸尺寸标注中常见符号的意义(图文教程),机械图纸尺寸标注中常见符号的意义,图纸,标注,符号,尺寸,第9张

机械图纸尺寸标注中常见符号的意义(图文教程),机械图纸尺寸标注中常见符号的意义,图纸,标注,符号,尺寸,第10张

5

GB/T 4458.4-2003;

GB/T 16675.2-1996

尺寸注法;

沉孔或锪平深度符号。

高度h=3.5mm

机械图纸尺寸标注中常见符号的意义(图文教程),机械图纸尺寸标注中常见符号的意义,图纸,标注,符号,尺寸,第11张

6

GB/T 4458.4-2003;

GB/T 16675.2-1996

尺寸注法;

埋头孔符号。

高度h=3.5mm

机械图纸尺寸标注中常见符号的意义(图文教程),机械图纸尺寸标注中常见符号的意义,图纸,标注,符号,尺寸,第12张

序号

符号名称

符号绘制标准

应用示例

7

GB/T 15754-1995

锥度符号或莫氏锥度注法。

高度h=3.5mm

机械图纸尺寸标注中常见符号的意义(图文教程),机械图纸尺寸标注中常见符号的意义,图纸,标注,符号,尺寸,第13张

机械图纸尺寸标注中常见符号的意义(图文教程),机械图纸尺寸标注中常见符号的意义,图纸,标注,符号,尺寸,第14张机械图纸尺寸标注中常见符号的意义(图文教程),机械图纸尺寸标注中常见符号的意义,图纸,标注,符号,尺寸,第15张

8

JB/T 5061-2006

定位支撑符号。

高度h=3.5mm

机械图纸尺寸标注中常见符号的意义(图文教程),机械图纸尺寸标注中常见符号的意义,图纸,标注,符号,尺寸,第16张

机械图纸尺寸标注中常见符号的意义(图文教程),机械图纸尺寸标注中常见符号的意义,图纸,标注,符号,尺寸,第17张 机械图纸尺寸标注中常见符号的意义(图文教程),机械图纸尺寸标注中常见符号的意义,图纸,标注,符号,尺寸,第18张

9

JB/T 5061-2006

辅助支撑符号。

高度h=3.5mm

机械图纸尺寸标注中常见符号的意义(图文教程),机械图纸尺寸标注中常见符号的意义,图纸,标注,符号,尺寸,第19张

机械图纸尺寸标注中常见符号的意义(图文教程),机械图纸尺寸标注中常见符号的意义,图纸,标注,符号,尺寸,第20张

10

JB/T 5061-2006

辅助支撑符号。

高度h=5mm

机械图纸尺寸标注中常见符号的意义(图文教程),机械图纸尺寸标注中常见符号的意义,图纸,标注,符号,尺寸,第21张

机械图纸尺寸标注中常见符号的意义(图文教程),机械图纸尺寸标注中常见符号的意义,图纸,标注,符号,尺寸,第22张

11

GB/T 4459.5-1999

中心孔符号。

高度h=3.5mm;

高度H1=5mm。

机械图纸尺寸标注中常见符号的意义(图文教程),机械图纸尺寸标注中常见符号的意义,图纸,标注,符号,尺寸,第23张

机械图纸尺寸标注中常见符号的意义(图文教程),机械图纸尺寸标注中常见符号的意义,图纸,标注,符号,尺寸,第24张

12

JB/T 8555-2008 热处理技术要求在零件图样上的表示方法。粗糙度符号的三角形部分为测量点符号。可随图形进行缩放。

机械图纸尺寸标注中常见符号的意义(图文教程),机械图纸尺寸标注中常见符号的意义,图纸,标注,符号,尺寸,第25张

机械图纸尺寸标注中常见符号的意义(图文教程),机械图纸尺寸标注中常见符号的意义,图纸,标注,符号,尺寸,第26张

免责声明:
1;所有标注为智造资料网zl.fbzzw.cn的内容均为本站所有,版权均属本站所有,若您需要引用、转载,必须注明来源及原文链接即可,如涉及大面积转载,请来信告知,获取《授权协议》。
2;本网站图片,文字之类版权申明,因为网站可以由注册用户自行上传图片或文字,本网站无法鉴别所上传图片或文字的知识版权,如果侵犯,请及时通知我们,本网站将在第一时间及时删除,相关侵权责任均由相应上传用户自行承担。
[complaint:内容投诉]
智造资料网打造智能制造3D图纸下载,在线视频,软件下载,在线问答综合平台 » 机械图纸尺寸标注中常见符号的意义(图文教程)