对现有的零件实物进行绘图、测量和确定技术要求的过程,称为零件测绘。仿造和修配测绘零件的工作常在机器的现场进行,由于受条件的限制,一般先绘制零件草图(即以目测比例、徒手绘制的零件图);然后由零件草图整理成零件工作图(简称零件图)。
零件草图是绘制零件图的重要依据,必要时还可直接用来制造零件,因此,零件草图必须具备零件图应有的全部内容。要求做到:图形正确,表达清晰,尺寸完整,线型分明,图面整洁,字体工整,并注写出技术要求等有关内容。
零件测绘的方法和步骤
(一)了解和分析测绘对象
首先应了解零件的名称、用途、材料以及它在机器(或部件)中的位置和作用;然后对该零件进行结构分析和制造方法的大致分析。
(二)确定视图表达方案
先根据显示零件形状特征的原则,按零件的加工位置或工作位置确定主视图;再按零件的内外结构特点选用必要的其它视图和剖视、剖面等表达方法。
(三)绘制零件草图
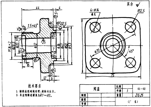
今以绘制球阀上阀盖(下图)的零件草图为例,说明绘制零件草图的步骤。

1.在图纸上定出各视图的位置,画出主、左视图的对称中心线和作图基准线,如下图a所示。布置视图时,要考虑到各视图应留有标注尺寸的位置。
2.以目测比例详细地画出零件的结构形状,如图833b所示。(www.ttcad.com)
3.定尺寸基准,按正确、完整、清晰以及尽可能合理地标注尺寸的要求,画出全部尺寸界线,尺寸线和箭头。经仔细校核后,按规定线型将图线加深(包括画剖面符号),如图833c所示。
4.逐个量注尺寸,标注各表面的表面粗糙度代号,并注写技术要求和标题栏,如图所示。

(四)对画好的零件草图进行复核后,再画零件图。
免责声明:
1;所有标注为智造资料网zl.fbzzw.cn的内容均为本站所有,版权均属本站所有,若您需要引用、转载,必须注明来源及原文链接即可,如涉及大面积转载,请来信告知,获取《授权协议》。
2;本网站图片,文字之类版权申明,因为网站可以由注册用户自行上传图片或文字,本网站无法鉴别所上传图片或文字的知识版权,如果侵犯,请及时通知我们,本网站将在第一时间及时删除,相关侵权责任均由相应上传用户自行承担。
[complaint:内容投诉]
智造资料网打造智能制造3D图纸下载,在线视频,软件下载,在线问答综合平台 » 测绘零件图的方法(图文教程)
1;所有标注为智造资料网zl.fbzzw.cn的内容均为本站所有,版权均属本站所有,若您需要引用、转载,必须注明来源及原文链接即可,如涉及大面积转载,请来信告知,获取《授权协议》。
2;本网站图片,文字之类版权申明,因为网站可以由注册用户自行上传图片或文字,本网站无法鉴别所上传图片或文字的知识版权,如果侵犯,请及时通知我们,本网站将在第一时间及时删除,相关侵权责任均由相应上传用户自行承担。
[complaint:内容投诉]
智造资料网打造智能制造3D图纸下载,在线视频,软件下载,在线问答综合平台 » 测绘零件图的方法(图文教程)

