读懂机械零件图的方法和步骤(图文教程)

    读零件图的方法和步骤

读标题栏

    了解零件的名称、材料、画图的比例、重量等。

分析视图,想象形状

    读零件的内、外形状和结构,是读零件图的重点。组合体读图方法(包括视图、剖视、剖面等),仍然适用于读零件图。

    从基本视图看出零件的大体内外形状;结合局部视图、斜视图以及剖面等表达方法,读懂零件的局部或斜面的形状;同时,也从设计和加工方面的要求,了解零件的一些结构的作用。

 分析尺寸和技术要求

     了解零件各部分的定形、定位尺寸和零件的总体尺寸,以及注写尺寸时所用的基准。还要读懂技术要求,如表面粗糙度、公差与配合等内容。

 综合考虑

    把读懂的结构形状、尺寸标注和技术要求等内容综合起来,就能比较全面地读懂这张零件图。

     有时为了读懂比较复杂的零件图,还需参考有关的技术资料,包括零件所在的部件装配图以及与它有关零件图。

 读零件图举例

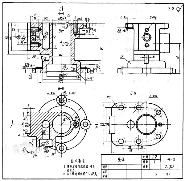
    下图是一个壳体的零件图,按下述四个步骤读图:

(一)读标题栏

    零件的名称是壳体,属箱体类零件。由ZL102查表可知,材料是铸造铝合金,整个零件是铸件。

(二)分析视图,想象形状

    该壳体较为复杂,用三个基本视图(都按需采取适当的剖视)和一个局部视图表达它的内外形状。主视图采用单一的正平面剖切后所得的A-A全剖视图,表达内部形状。俯视图采用阶梯剖后的B-B全剖视图,同时表达内部和底板的形状。采用局部剖视的左视图以及C向局部视图,主要表达外形及顶面形状。

     由形体分析可知:读壳体主要由上部的本体、下部的安装底板以及左面的凸块组成。除了凸块外,本体及底板基本上是回转体。 

     再看细部的结构:顶部有ø30H7的通孔、ø12的盲孔和M6的螺孔;底部有ø48H7与本体上ø30H7通孔相连接的台阶孔,底板上还馏平4-ø16的安装孔4-ø7。结合主、俯、左三个视图看,左侧为带有凹槽T型凸块,在凹槽的左端面上有ø12、ø8的阶梯孔,与顶部ø12的圆柱孔相通;在这个台阶孔的上方和下方,分别有一个螺孔M6。在凸块前方的圆柱形凸缘(从外径ø30可以看出)上,有ø20、ø12的阶梯孔,向后也与顶部ø12的圆柱孔贯通。从采用局部剖视的左视图和C向视图可看出:顶部有六个安装孔ø7,并在它们的下端分别平成ø14的平面。 (天天CAD网http://m.ttcad.com)

     通过这样的读图,就可以大致看清壳体的内、外形状。

读懂机械零件图的方法和步骤(图文教程),读懂机械零件图的方法和步骤,步骤,教程,第1张

(三)分析尺寸和技术要求

    通过形体分析和分析图上所注尺寸可以看出:长度基准、宽度基准分别是通壳体的本体轴线的侧平面和正平面;高度基准是底板的底面。从这三个尺寸基准出发,再进一步看懂各部分的走位尺寸和定形尺寸,就可以完全读懂这个壳体的形状和大小。
在图中可以看到:在这个壳体的顶板和安装底板中相连接贯通的台阶孔ø48H7、ø30H7都有公差要求,其极限偏差数值可由公差带代号H7查表获得。
再看表面粗糙度,除主要的圆柱孔ø30H7、ø48H7为读懂机械零件图的方法和步骤(图文教程),读懂机械零件图的方法和步骤,步骤,教程,第2张外,加工面大部分为读懂机械零件图的方法和步骤(图文教程),读懂机械零件图的方法和步骤,步骤,教程,第3张,少数是读懂机械零件图的方法和步骤(图文教程),读懂机械零件图的方法和步骤,步骤,教程,第4张;其余仍为铸件表面读懂机械零件图的方法和步骤(图文教程),读懂机械零件图的方法和步骤,步骤,教程,第5张。由此可见:该零件对表面粗糙度要求不高。

    用文字叙述的技术要求是:铸件要经过时效处理后,才能进行切削加工;图中未注尺寸的铸造圆角都是R1~R3。

(四)综合考虑

    把上述各项内容综合起来,就能得出对于这个壳体的总体概念。

免责声明:
1;所有标注为智造资料网zl.fbzzw.cn的内容均为本站所有,版权均属本站所有,若您需要引用、转载,必须注明来源及原文链接即可,如涉及大面积转载,请来信告知,获取《授权协议》。
2;本网站图片,文字之类版权申明,因为网站可以由注册用户自行上传图片或文字,本网站无法鉴别所上传图片或文字的知识版权,如果侵犯,请及时通知我们,本网站将在第一时间及时删除,相关侵权责任均由相应上传用户自行承担。
[complaint:内容投诉]
智造资料网打造智能制造3D图纸下载,在线视频,软件下载,在线问答综合平台 » 读懂机械零件图的方法和步骤(图文教程)