CAD绘图技能实验(四)绘制正等轴测图(图文教程)

实验四、绘制正等轴测图  

CAD绘图技能实验(四)绘制正等轴测图(图文教程),CAD绘图技能实验(四)绘制正等轴测图,如图,绘制,圆心,外公切线,指定,第1张

CAD绘图技能实验(四)绘制正等轴测图(图文教程),CAD绘图技能实验(四)绘制正等轴测图,如图,绘制,圆心,外公切线,指定,第2张

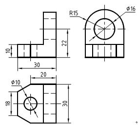
按钮,命令提示区提示: 指定椭圆轴的端点或 [ 圆弧 (A)/ 中心点 (C)/ 等轴测圆 (I)]: i (输入)? 指定等轴测圆的圆心 : (选择圆心) 指定等轴测圆的半径或 [ 直径 (D)]: 5 (输入半径值或键入 D 并输入直径值) (其中“等轴测圆”选项是在等轴测模式下专有的选项,用于绘制等轴测圆。) 如图 4-2 所示。

CAD绘图技能实验(四)绘制正等轴测图(图文教程),CAD绘图技能实验(四)绘制正等轴测图,如图,绘制,圆心,外公切线,指定,第3张

,选择立板左表面上的等轴测圆及两直线,基点为 A ,位移的第二点为 B ,结果如图 4-4 所示。 ( 3 )使用“直线”命令,捕捉切点,绘制 等轴测 圆的外公切线,使用“修剪( TR )”命令剪去多余部分,如图 4-5 所示。 4 .保存文件: 保存文件为“正等轴测图 .dwg ”。
免责声明:
1;所有标注为智造资料网zl.fbzzw.cn的内容均为本站所有,版权均属本站所有,若您需要引用、转载,必须注明来源及原文链接即可,如涉及大面积转载,请来信告知,获取《授权协议》。
2;本网站图片,文字之类版权申明,因为网站可以由注册用户自行上传图片或文字,本网站无法鉴别所上传图片或文字的知识版权,如果侵犯,请及时通知我们,本网站将在第一时间及时删除,相关侵权责任均由相应上传用户自行承担。
[complaint:内容投诉]
智造资料网打造智能制造3D图纸下载,在线视频,软件下载,在线问答综合平台 » CAD绘图技能实验(四)绘制正等轴测图(图文教程)