1、引言
零件装配和维修结构工艺性对于产品的整个生产过程有很大影响。它是评定机器设计好坏的标志之一。装配过程的难易、成本的高低、以及机器使用质量是否良好,在很大程度上取决于它本身的结构。
机器的装配工艺性要求机器结构在装配过程中,使相互联接的零部件不用或少用修配和机械加工,就能按要求顺利地、花比较少的劳动量装配起来并达到规定的装配精度。
装配对零部件结构工艺性的要求,主要是使装配周期最短、劳动量最少、而且操作方便容易达到装配精度要求。
2、装配单元的划分
整台机器应能分拆成若干可以单独装配的单元一部件、组合件。由于各部件、组合件构成的装配单元可平行作业,因此可缩短装配周期,且便于维修(只需要将检修的部分拆下)。
采用这种设计法,常需要增加一些连接零件,但装配工艺性有很大改善,故在实际生产中常常应用。
为了多快好省地装配机器,必须最大限度缩短装配周期,而把机器分成若干个装配单元是缩短装配周期的基本措施。因为机器分拆成若干个装配单元后,可以在 装配工作上组织平行装配作业,扩大装配工作面,而且能使装配按流水线组织生产。同时,各装配单元能预先调整试验。各部分能以较完善的状态送去总装,有利于保证机器的最终质量。
将机器分拆成若干独立装配单元,除上述优点外,还有:
1)便于部件规格化、系列化和标准化,并可减少劳动量,提高装配生产率和降低成本。
2)有利于机器质量不断的改进和提高。这对重型机器尤为重要,因为它们寿命周期较长,不会轻易报废。随着科学技术进步和要求的不断提高,经常在使用过程中需加以改进。若机器具有独立装配单元,则改进起来很方便。
3)便于协作生产。可由各专业工厂分别生产独立单元,然后再集中进行装配。
4)给重型机械包装运输带来很大方便。
5)装配工作中,可在组织平行装配作业基础上安排流水作业生产。
6)各独立装配单元可预先进行调整实验,各部分以比较完善状态进入总装,有利于保证产品质量和总装顺利进行。
3、能够方便装拆
设计机器结构时,必须考虑装配工作简单方便。很重要的一点是套件的几个表面不应该是同时地装入基准零件(如箱体零件)的配合孔中,而应该按先后次序,依次装入。
综上所述,一般装配和维修对零件结构工艺性的要求主要包括:能够组成单独的部件或装配单元、应具有合适的装配基面、考虑装配和拆卸的方便性、考虑设备维护的方便性、选择合理的调整或补偿环以及尽量减少修配工作量等。
3.1、要留有足够的装拆空间
机器设计时,要使所设计机器的各零、部(组)件之间易于装配和拆卸(也有不要拆卸的),并力求装配工作量小。如图2(a)所示的结构,螺钉过长,无法装入。应采用图2 (b)所示的结构(或采用双头螺栓连接),考虑螺钉要有足够的空间装入和拆下。对螺纹连接还要注意留足够扳手空间,否则无法用扳手拧紧,如图2(c)所示,所留扳手空间太小,应改成如图2(d)所示的结构(图中所示尺寸A、B、C可由有关手册中查出)。

图2 螺钉装拆
如图3所示,当圆柱面配合较紧时,应设有拆卸螺钉以便维修时拆卸。

图3 便于拆卸的结构设计图
3.2、滚动轴承的装拆
滚动轴承在轴上的装拆时应避免从外圈施力,因此在设计时,应使轴肩高度小于轴承内圈厚度,如图4(b)所示,使轴承内圈露出于轴肩,便于用工具通过内圈将轴承拆下。图4(a)的结构设计是不合理的。又如图4(C)所示,为圆锥滚子轴承座孔的设计是不合理的,因轴承外圈的拆卸是困难的。应采用图4(d)所示的结构,使轴承座孔的凸肩高度小于轴承外圈的厚度。

图4 轴颈结构尺寸的合理选择
如图5所示,装配零件1时,其键槽要与轴上的键对准,而图5(a)所示的轴结构,不如图5(b)和5(C)的结构易于对准。

图5 较易对准装配的结构
另外,为了便于安装,在设计中要避免两段配合面同时进入装配。例如图6所示,蜗杆轴装入箱体时,两轴承外圈不应同时装入轴承座孔,而是一先一后地进入轴承座孔配合面。

图6 两轴承不应同时装入箱体孔图 图7 整体式箱体示意图
3.3、箱体类零件装配
对于箱体类零件,为了便于装拆常设计成剖分式结构。例如齿轮箱,设计成沿轴承孔的轴线把箱体分为上箱盖、下箱座两部分。轴上的齿轮、滚动轴承、轴套等零件,可先与轴进行装配,然后一起放人下箱座的轴承孔中,再装上箱盖。若为图7所示的整体式箱体,当齿轮顶圆直径大于轴承孔孔径时,只能将齿轮放人箱体内,将轴从轴承孔穿人进行装配。显然,这种整体式箱体结构的设计,造成装配工作不方便,特别是当齿轮与轴采用过盈配合时,装配困难更大。
但剖分式箱体比整体式箱体的结构加工工艺较复杂。剖分面须制出凸缘,并用螺栓和销钉将剖分的两部分定位和连接;剖分面要进行精加工;轴承孔的加工需将剖分的两部分用螺栓和销钉连接定位后组合加工。即剖分式箱体的机械加工量要增大,加工工艺也明显复杂。尽管如此,由于装配工作难度可大为降低,且装配方便可靠,剖分式箱体仍常被采用。
表1给出了部分装配和维修结构工艺性正误示例。
示例 | 不合理结构 | 合理结构 | 说明 |
往复运动的定位基准面 |
|
| 正确的基准面;用螺纹连接时难以保证气缸盖内孔与缸体内孔的同轴度,活塞运动时活塞杆易偏移。可该用圆柱体作为定位面 |
使用调整补偿环 |
|
| 格式的提补偿环节;无调整环节时难以调整齿轮的轴向位置,转工作复杂。可设置调整垫片,调整时通过改变垫片厚度保证啮合精度 |
分式轴承座 |
|
| 必要的游动时间隙;无游隙时可能使轴承外圈被轴承盖压死,拧紧压盖螺母时紧固力不由轴承承受的结构 |
划分装配单元 |
|
| 划分装配单元,同一零件同时装入两个部件,装配不方便。可将该零件分为两段,中间用联轴器联接,两边各自成为单独的装配单元 |
组件一次装入箱体 |
|
| 避免在箱体内安装,轴上齿轮直径大于箱体轴承孔直径时,轴上零件需在箱体内装配,当结构允许时,可设计轴上齿轮小于轴承孔直径,轴上零件组装后,一次装装入箱体 |
箱体的结构 |
|
| 避免在箱内安装,整体式箱体内部的零件不便装配。对较大型、内部零件较多、尤其是装配时需要进行调整的箱体,可采用部分式结构 |
齿轮传动轴 |
|
| 避免不同表面同时进入装配;两个表面同时接触其配合表面使装配L1>L2 |
装轴承的轴 |
|
| 方便零件进入装配位置,安装轴承的轴颈太长,早成轴承装配困难、应设计为阶梯形轴,便于轴承的安装、拆卸、避免擦上轴的表面 |
轴承座 |
|
| 便于拆卸,无工艺螺孔时轴承拆卸困难。可在箱体上与轴承外圆和相应的部位设3~4个螺孔,拆卸时用螺钉将轴承顶出 |
孔肩的结构 |
|
| 便于拆卸,轴肩或机壳挡肩的高度超过轴承座圈厚度,拆卸轴承时将难以施加轴向推力。若技术上需要保持较高的挡肩高度,可设计供拆卸工具用的专用槽 |
锥齿轮轴向定位结构 |
|
| 减少装配现场的加工和修配,用修配轴肩方式调整啮合间隙时,修配工作量大,可用削面圆销进行轴向定位,调整间隙时只需修配圆销 |
车床尾座的导轨 |
|
| 减少装配现场的加工和修配,接触面长度或长时,装配中刮销工作量大,可在接触刚度允许的范围内,减少接触面长度 |
|
|
| 保证装拆空间;箱子 螺孔上方应留出足够的空间,供螺钉进入及操作工具有必要的操作空间。 |
|
| ||
|
| ||
|
| ||
|
| ||
|
| ||
|
| ||
|
| ||
|
| ||
|
| ||
4、保证正确安装措施
4.1、装配零件要有定位基准
零件的结构设计,要确保在装配时能方便准确地达到所要求的位置。
如图8所示,两法兰盘用普通螺栓连接,两法兰盘轴孔有同轴度要求。图8(a)无定位基准,难于满足同轴度要求,而图8(b)所示结构有定位基准,则易于保证两轴孔的同轴度。

图8 联轴器装配图
图9所示的液压缸要求缸盖上的孔(活塞杆由此穿出)要求与缸体内圆表面同轴。如按图9(a)所示,缸盖与缸体用螺纹直接连接,由于螺纹之间有间隙,则不能保证其同轴度,而应同时设有定位基准,如图9(b)或图9(C)所示缸盖与缸体用螺栓连接,都设有止口作为定位基准。

图9 液压缸装配结构

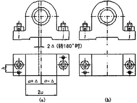
图10 支承座安装定位
图10所示为支座的安装位置,用两个销钉定位。若如图10(a)所示来布置定位销,安装时若将支座转180。则将会产生安装错误。因为左右两销钉孔到支座轴线的距离不要求也不可能加工得绝对相等,如果左孑L距离为o+△,右孔距离为。一△,此时若不慎将支座转180。安装,则此时左孔距离为。一△,右孔距离为o+△,这样安装就使支座轴线较原来的正确位置向左偏移2A。按图10(b)所示的那样布置定位销,则可避免产生上述安装误差。
4.2、一些补偿误差的结构措施
为了使零件能够获得准确的按装位置,仅依靠提高加工精度,既不经济又使加工难度加大,因此常采用一些结构措施补偿误差,以保证装配质量。
例如对于一般圆柱齿轮机构,设计时使小齿轮比大齿轮稍宽一些,当有装配误差时,仍能保证量齿轮沿全齿宽啮合,这就在保证安装要求的前提下降低装配精度。
例如图11所示的结构,要求轴上套筒1左边抵住零件2,右边抵住轴承3的内圈,这时轴的结构长度应如图11所示,即左右两边的轴肩不应与零件2和轴承3内圈的端面齐平,这样既可保证安装要求,又降低了机械加工精度的要求并避免了装配时的修配工作。
图12所示结构,在轴承外圈与轴承盖2之间加一环状零件1,它的厚度是在装配时根据测量结果配置的。图示中其它组件的轴向尺寸加工时,可按自由公差加工,积累的轴向误差用零件1补偿,以保证对轴承内外圈的固定要求。

图11 轴承定位 图12 轴向误差补偿
当装配精度要求较高时,也常采取一些结构措施,在装配时调整零件的位置进行误差补偿以保证装配精度。例如圆锥齿轮机构,要求两齿轮副的节圆锥共顶,以保证正确啮合。因此装配时要使两轮能沿各自轴线有调整量,以便将两齿轮调整到合适位置。
通常锥齿轮的轴向位移用轴承座处的垫片来调整,从动大锥齿轮的轴向位移用两端轴承盖处的垫片来调整。又如蜗杆蜗轮机构的装配,图13(a)所示是正确啮合位置,而图13(b)所示为不正确,所以装配时蜗轮的轴向位置要能调整。通常用蜗轮两端轴承盖处的垫片来调整蜗轮的轴向位置。

图13 蜗杆蜗轮装配
5、尽量减少装配时的修配和机械加工
装配时的修配工作,不仅要求技术高,而且多半是手工操作,既费工又难以确定工作量。因此,在结构设计中就应考虑到如何将装配时的修配工作减少到最低限度。
6、装配和维修对零件结构工艺性的要求
零件的结构应便于装配和维修时的拆装。如图14a左图结构无透气口,销钉孔内的空气难于排出,故销钉不易装入。改进后的结构如图14a右图。在图14b中为保证轴肩与支承面紧贴,可在轴肩处切槽或孔口处倒角。图14c为两个零件配合,由于同一方向只能有一个定位基面,故图14c左图不合理,而右图为合理的结构。在图14d 中,左图螺钉装配空间太小,螺钉装不进。改进后的结构如图14d 右图。

(a)

(b)

(c)

(d)
改进前的结构 改进后的结构
图14 便于装配的零件结构示例
图15为便于拆装的零件结构示例。在图15a左图中,由于轴肩超过轴承内圈,故轴承内圈无法拆卸。图15b所示为压入式衬套。若在外壳端面设计几个螺孔,如图15b右图所示,则可用螺钉将衬套顶出

改进前的结构 改进后的结构 改进前的结构 改进后的结构
图15 便于拆卸的零件结构示例
1;所有标注为智造资料网zl.fbzzw.cn的内容均为本站所有,版权均属本站所有,若您需要引用、转载,必须注明来源及原文链接即可,如涉及大面积转载,请来信告知,获取《授权协议》。
2;本网站图片,文字之类版权申明,因为网站可以由注册用户自行上传图片或文字,本网站无法鉴别所上传图片或文字的知识版权,如果侵犯,请及时通知我们,本网站将在第一时间及时删除,相关侵权责任均由相应上传用户自行承担。
[complaint:内容投诉]
智造资料网打造智能制造3D图纸下载,在线视频,软件下载,在线问答综合平台 » 机械产品设计中零件装配工艺性(图文教程)













































