机械制图教程-(2.2)三面投影及其投影规律(图文教程)

2.2  三面投影及其投影规律

2.2.1  三视图的形成

2.2.1.1  单面投影

    如图2-2(a)所示,点的投影仍为点。设投射方向为S ,空间点A在投影面H 上有唯一的投影a。反之,若已知点A在H面的投影a,却不能唯一确定点A的空间位置(如A1、A2),由此可见,点的一个投影不能确定点的空间位置。

    同样,仅有物体的单面投影也无法确定空间物体的真实形状,如图2-2(b)所示。结构形状不同的A、B、C物体在W面却得到了相同的投影。这样,空间形体与投影之间没有一一对应关系。为此,必须增加投影面的数量。

 

  机械制图教程-(2.2)三面投影及其投影规律(图文教程),机械制图教程-(2.2)三面投影及其投影规律,投影,教程,制图,第1张

图2-2  单面投影

2.2.1.2  三面投影

机械制图教程-(2.2)三面投影及其投影规律(图文教程),机械制图教程-(2.2)三面投影及其投影规律,投影,教程,制图,第2张

 图2-3三投影面体系

    三个相互垂直的投影面V、H和W构成三投影面体系,如图2.3。     

    正立放置的V面称正立投影面,简称正立面;

    水平放置的H面称水平投影面,简称水平面;

    侧立放置的W面称侧立投影面,简称侧立面。

    投影面的交线称投影轴即OX、OY、OZ,三投影轴的交点O

    称为投影轴原点。

    三面投影体系将空间分为八个区域,称为分角。国家标准“图样画法”(GB/T 17451-1998)规定,技术图样优先采用第一角画法,

    必要时才允许使用第三角画法,本教材主要讨论第一分角画法。       

    如图2-4(a)所示,将物体置于第一分角后,分别在三个方向得到投影。为了把物体的三面投影画在同一平面内,国家标准规定V面保持不动,H面绕OX轴向下旋转90°(与V面重合),W面绕OZ轴向右旋转90°(与V面重合)。这样,V-H-W展开后就得到了物体的三面投影如图2-4(b)所示,其中OY轴随H面旋转时以OYH表示,随W面旋转时以OYW表示。投影图大小与物体相对于投影面的距离无关,即改变物体与投影面的相对距离,并不会引起图形的变化。所以,在作图时一般不画出投影面的边界甚至投影轴,如图2-4(c)所示。

2.2.1.3  三视图的概念

    所谓视图实际上就是物体的正投影。如图2-4所示,物体在V、H和W面上的三个投影,通常称为物体的三视图。其中,正面投影,即从前向后投射所得图形,称为主视图;水平投影,即

    机械制图教程-(2.2)三面投影及其投影规律(图文教程),机械制图教程-(2.2)三面投影及其投影规律,投影,教程,制图,第3张

图2-4  三面投影体系与三视图

    从上向下投射所得的图形,称为俯视图;侧面投影,即从左向右投射所得的图形,称为左视图。

图2-4(b)所示,即为三视图的配置关系。物体的三度空间尺寸长、宽、高反映在三视图中,如

图2-4(c)。

2.2.1.4  三视图的方位关系

    主视图上反映物体左右、上下方向;俯视图上反映左右、前后方向;左视图上反映上下、前后方向,如图2-5所示。

2.2.2  三视图之间的投影关系

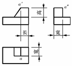
    如图2-6所示,主视图反映物体的高度和长度;俯视图反映物体的长度和宽度;左视图反映物体的高度和宽度。由此可得出三视图之间的投影关系:

    主、俯视图——共同反映物体的长度方向的尺寸,简称“长对正”;

机械制图教程-(2.2)三面投影及其投影规律(图文教程),机械制图教程-(2.2)三面投影及其投影规律,投影,教程,制图,第4张 机械制图教程-(2.2)三面投影及其投影规律(图文教程),机械制图教程-(2.2)三面投影及其投影规律,投影,教程,制图,第5张

图2-5 三视图上的方位    图2-6 物体的投影关系

    主、左视图——共同反映物体的高度方向的尺寸,简称“高平齐”;

    俯、左视图——共同反映物体的宽度方向的尺寸,简称“宽相等”。

   “长对正、高平齐、宽相等”反映了物体上所有几何元素三个投影之间的对应关系。三视图之间的这种投影关系是画图时必须遵循的投影规律和读图时必须掌握的要领。

该文章所属专题:机械制图技术教程

免责声明:
1;所有标注为智造资料网zl.fbzzw.cn的内容均为本站所有,版权均属本站所有,若您需要引用、转载,必须注明来源及原文链接即可,如涉及大面积转载,请来信告知,获取《授权协议》。
2;本网站图片,文字之类版权申明,因为网站可以由注册用户自行上传图片或文字,本网站无法鉴别所上传图片或文字的知识版权,如果侵犯,请及时通知我们,本网站将在第一时间及时删除,相关侵权责任均由相应上传用户自行承担。
[complaint:内容投诉]
智造资料网打造智能制造3D图纸下载,在线视频,软件下载,在线问答综合平台 » 机械制图教程-(2.2)三面投影及其投影规律(图文教程)