机械制图-5.3 零件上尺寸的测量(图文教程)

3.1 常用测量工具
     测量零件尺寸时,由于零件的复杂程度和精度要求不同,需要使用多种不同的测量工具和仪器,才能比较准确地确定零件上各部分的尺寸。这里仅介绍几种常见的测量工具—钢皮尺、内卡、外卡、游标卡尺等,供学习测绘草图时参考。

   机械制图-5.3 零件上尺寸的测量(图文教程),机械制图-5.3_零件上尺寸的测量,如图,零件,尺寸,第1张

图6-3 常用的测量工具

3.2 测量尺寸的方法

    在测绘零件时,正确测量零件上各部分的尺寸,对确定零件的形状大小是非常重要的,在实际工作中,使用的测量工具、仪器及测量方法很多,这里仅介绍几种常用的方法。

(1)测量直线尺寸对于直线尺寸,通常用钢皮尺或游标卡尺直接量取,如图6-4所示。

机械制图-5.3 零件上尺寸的测量(图文教程),机械制图-5.3_零件上尺寸的测量,如图,零件,尺寸,第2张    

图6-4 测量直线尺寸

(2)测量回转体的内、外直径

    测量外径若用外卡,外卡应与被测量零件的轴线垂直;测量内径若用内卡,内卡应沿轴线方向放入,然后轻松转动,测量出最大的尺寸即为直径尺寸。用上述工具测量,还需再用钢皮尺量出其数值。若用游标卡尺测量内、外径,则可直接读出尺寸数值,如图6-5所示。

机械制图-5.3 零件上尺寸的测量(图文教程),机械制图-5.3_零件上尺寸的测量,如图,零件,尺寸,第3张

(3)测量壁厚

    当被测零件的壁厚能直接量取时,可采用钢皮尺或游标尺测量;若不宜直接量取时,可采用钢皮尺和外卡配合测量,如图6-6所示。

机械制图-5.3 零件上尺寸的测量(图文教程),机械制图-5.3_零件上尺寸的测量,如图,零件,尺寸,第4张机械制图-5.3 零件上尺寸的测量(图文教程),机械制图-5.3_零件上尺寸的测量,如图,零件,尺寸,第5张    

图6-6 测量壁厚

(4)测量阶梯孔的直径

机械制图-5.3 零件上尺寸的测量(图文教程),机械制图-5.3_零件上尺寸的测量,如图,零件,尺寸,第6张

机械制图-5.3 零件上尺寸的测量(图文教程),机械制图-5.3_零件上尺寸的测量,如图,零件,尺寸,第7张

(5)测量孔间距

机械制图-5.3 零件上尺寸的测量(图文教程),机械制图-5.3_零件上尺寸的测量,如图,零件,尺寸,第8张

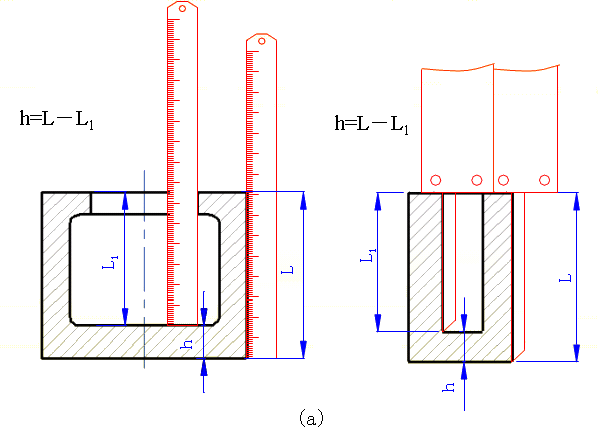
(6)测量中心高 如图6-9所示

机械制图-5.3 零件上尺寸的测量(图文教程),机械制图-5.3_零件上尺寸的测量,如图,零件,尺寸,第9张    

(7)测量圆角

    测量圆角可应用圆角规。测量时找出与被测零件相吻合的样板,从而读出圆角半径的大小。测量螺纹的螺距时,若用螺纹规测量,应找出与被测螺纹牙型吻合的样板,从而读出螺距。对外螺纹可用钢皮尺直接测量螺距。此外也可将螺纹的牙尖拓印在纸上,然后用钢皮尺测量印痕间的距离即为螺距数值。如图6-10、6-11所示。

机械制图-5.3 零件上尺寸的测量(图文教程),机械制图-5.3_零件上尺寸的测量,如图,零件,尺寸,第10张机械制图-5.3 零件上尺寸的测量(图文教程),机械制图-5.3_零件上尺寸的测量,如图,零件,尺寸,第11张   

(8)测量曲线轮廓或曲面半径

1)铅丝法—将铅丝弯成与被测的曲线或曲面部分的实形相吻合的形状,然后将铅丝放在纸上画出曲线,最后适当分段用中垂线法求得各段圆弧的中心,再量得半径,如图6-12所示。

机械制图-5.3 零件上尺寸的测量(图文教程),机械制图-5.3_零件上尺寸的测量,如图,零件,尺寸,第12张    

2)拓印法—在零件的被测部位,覆盖一张纸,用手轻压纸面,或用铅心或用复写纸,在纸面上轻磨,即可印出曲面轮廓,得到真实的平面曲线,再求出各段圆弧半径,如图6-13所示。

机械制图-5.3 零件上尺寸的测量(图文教程),机械制图-5.3_零件上尺寸的测量,如图,零件,尺寸,第13张

免责声明:
1;所有标注为智造资料网zl.fbzzw.cn的内容均为本站所有,版权均属本站所有,若您需要引用、转载,必须注明来源及原文链接即可,如涉及大面积转载,请来信告知,获取《授权协议》。
2;本网站图片,文字之类版权申明,因为网站可以由注册用户自行上传图片或文字,本网站无法鉴别所上传图片或文字的知识版权,如果侵犯,请及时通知我们,本网站将在第一时间及时删除,相关侵权责任均由相应上传用户自行承担。
[complaint:内容投诉]
智造资料网打造智能制造3D图纸下载,在线视频,软件下载,在线问答综合平台 » 机械制图-5.3 零件上尺寸的测量(图文教程)