行星齿轮变速器是一种比较先进的齿轮传动装置,与定轴轮系齿轮传动装置相比,它有传动比大、体积小、重量轻、材料消耗少、输入与输出轴同轴等优点。因之,在很多机械上,如透平压缩机、各种起重机等,目前已较多地使用行星齿轮变速器。
在行星齿轮传动装置中,一般都有两个或两个以上的行星轮参与啮合,使参与传递动力的各行星轮之间载荷分布均匀,是各类行星齿轮传动中的基本问题,故在装配时,除了一般性的工艺要求外,还应注意提高和检查各齿轮间的啮合质量,使各行星齿轮的载荷尽量分布均匀,从而保证其运转的平稳性和使用寿命。为此在制造单位往往采取一些措施以提高其啮合质量。
(1)控制各个齿轮的齿圈径向跳动和齿厚公差,有的单位为此而采用选择装配。
(2)采用定向装配,使部分误差能在装配时相互抵消。
(3)注意保证机体、内齿圈、端盖和主、从动轴的同轴度。
由于这种情况,在现场安装行星变速器时,如欲进行解体装配,则应对上列情况予以注意,对于采用定向装配的行星变速器,在解体时应在对应的啮合齿上打上标记,以免在解体装置后降低原有的啮合质量。
行星齿轮装配完成后,各部分应转动灵活,并可用涂色法检查各齿面的啮合情况,接触精度应符合技术要求。在进行空载荷试运转时声音应平稳,不应有冲击或特殊声响。
由于各类产品上的使用要求不同,因此行星齿轮变速装置的种类繁多,下面介绍几种典型结构的装配。
(一)一般行星齿轮传动装置的装配
此类行星变速器的传动原理见图1。按其啮合特点系属NGW型,其特点是内齿轮3与太阳轮1和公用的行星轮2相啮合。当太阳轮作高速旋转时,行星轮在太阳轮和内齿轮之间既作自转运动,又绕太阳轮作公转运动。行星转架则将行星轮的低速公转运动输出。图6-20为NGW型减速器的结构形式之一。
按照上述结构原理,当以行星转架作为输入轴时,即为行星增速器。图2为行星增速器结构形式之一,用于透平压缩机的增速。

图1 NGW型传动原理图
1—太阳轮;2—行星轮;3—内齿轮

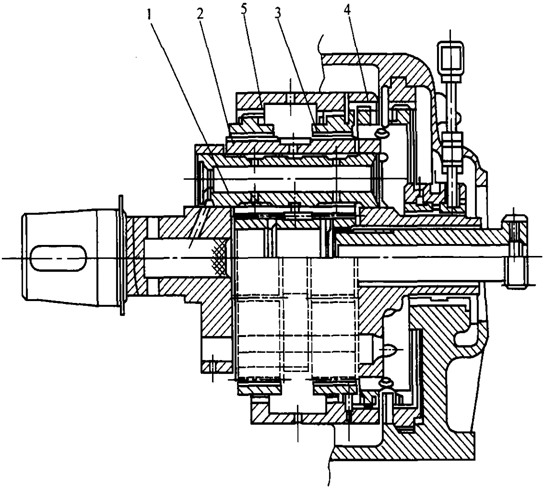
图2 NGW型二级减速器
1—太阳轮;2—内齿轮;3—行星齿轮;4—浮动联轴器

图3 行星增速器
1—太阳轮;2—行星齿轮;3—浮动内齿圈;4—浮动持环;5—止动环

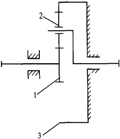
图4 定向装配示意图
1—太阳轮;2—行星轮;3—内齿轮;
a1、a2、a3—行星轮径向跳动最大值方向;
b1、b2、b3—行星轮径向跳动最小值方向
1.装配特点
因为NGW型行星变速器在设计时已满足下列装配条件:

式中 z1——太阳轮齿数;
z3——内齿轮齿数;
U——行星轮个数。
故行星轮在转架上可以处在任何相对位置(不需对准某一特定齿),转子都能从轴向装入中心轮。
对于无定向装配要求的此类行星变速器,安装时解体后都可按上述要求进行装配。
如果制造厂为了提高啮合质量而采用了定向装配,总装时将各行星轮径向跳动的最大值(或最小值)均放在同一啮合位置上,见图4,安装解体时,为了不致降低原有的啮合质量,应在各行星轮上打上啮合标记,并按此标记进行再装配。
2.齿侧间隙的检查
NGW型行星变速器的中心距一般都是不可调整的,齿侧间隙主要由各零件的加工精度及齿厚减薄量予以保证,安装时一般可不作测量。如需检查侧隙,则可用压铅法,方法与测量圆柱齿轮相同。
当太阳轮和内齿圈均采用浮动式结构时,如欲测量齿侧间隙,应在专用工具上将各浮动件找正并固定后再进行测量。
当内齿圈为非浮动式结构时,为了使内齿圈与各行星轮间的齿侧间隙分布均匀,在安装解体后再装配内齿圈、壳体和端盖时,应按原定位销进行装配,否则应尽量校正各零件与内齿圈的同轴度。
3.接触精度的检查
齿轮的接触精度是评定行星齿轮传动装置质量的一个重要指标,故在安装时应予注意。检查方法采用一般的涂色法,为了便于鉴别,应在行星齿轮上涂色,并逐个进行检查,观察其与太阳轮及内齿圈的接触情况。对于双面工作的变速器,应在正反方向各做一次检查。
对于高速行星变速器,一般要求齿面接触精度不低于6级。
4.轴向间隙的检查
当变速箱内有一个或数个浮动元件串列时,浮动元件和非浮动元件之间或各浮动元件之间均应留有一定的轴向间隙,一般为0.5~1mm,安装时应注意检查,切勿顶死,以保证其有自由调整径向和轴向位置的可能性。
(二)双联行星齿轮传动装置的装配
在NW型、NGWN型(图5)等行星变速器中,都使用双联行星齿轮。
具有双联行星轮的行星变速器,为使各行星轮都能从轴向装入中心轮而不产生干涉,同一变速器内各行星轮两齿圈的齿位定向都必须相同,即两齿圈中须有一个齿或齿间(槽)的对称中心线均须处在同一平面内。此问题在制造时已予考虑,并在该齿上打上了对位标记,以作装配时的定位依据,见图6。

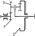
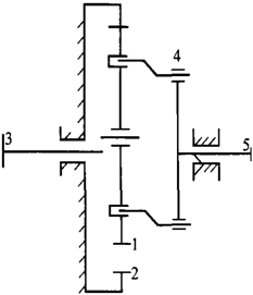
NW型

NGWN型
图5 NW型和NGWN型行星变速器传动原理图
1—太阳轮;2—内齿轮;3—双联行星轮

图6 双联行星轮的对位标记线
当与行星轮相啮合的各中心轮齿数均为行星轮数的整数倍时,组装时只需将各行星轮的对位标记线与转架上的联心线OⅠ、OⅡ、OⅢ……对准即可装入。因为此时各中心轮上必有一齿或齿间(槽)的对称中心线与联心线OⅠ、OⅡ、OⅢ……相重合。
当中心轮的齿数不能满足上述要求时,则各行星轮的对位标记线不在同一相位上(图7)。装配时行星轮1的对位标记线应放在OⅠ线上。其余各行星轮的对位标记线必须与连心线OⅡ、OⅢ……,相应成2、3……的一定角度才能装入中心轮。各行星轮转的角度2、3……取决于中心轮齿数等设计参数,组装时可根据制造单位在各对应啮合齿上所打的标记进行装配。如无啮合标记,则可逐齿试装以定其所处的位置。
装配中的其他要求同NGW型行星变速器。
(三)少齿差行星齿轮传动装置的装配
渐开线少齿差行星齿轮减速器是最近才发展起来的,其应用范围也在逐渐扩大,如起重运输机械、轻工业机械等。这种减速器的特点是结构较紧凑,因此体积小、重量轻、减速比较大。用于这种减速器的齿轮副是一个外齿轮和一个内齿轮所组成的内齿轮副。这个外齿轮的齿数比内齿轮的齿数少一、二个齿或三、四个齿,由于两个齿轮的齿数差很少,所以叫它少齿差。

图7 双联行星轮装配位置图

图8 少齿差减速器传动原理图
1—行星轮;2—内齿轮;
3—高速轴;4—输出机构;5—低速轴
1.传动原理与结构
图8为单偏心少齿差行星减速器的传动原理图,内齿轮2和外齿轮1构成一对少齿差内啮合。当高速偏心轴3转动时,迫使外齿轮1(即行星轮)在内齿轮中作公转运动。同时由于内、外齿轮间只有少量齿数差,故当外齿轮公转一圈后又产生了小量自转运动。此低速自转运动通过一所谓“平行轴间联轴器”4即输出机构而传至低速轴5输出。当传递功率较大时,则常采用双偏心高速轴,两行星轮在相隔180°的位置上同时与内齿轮相啮合(图9)。在该减速器中,两行星轮的低速自转运动通过销轴而传至低速轴输出。

图9 两级销轴式减速器
1—偏心轴;2—行星齿轮;3—内齿轮;4—销轴
目前常用输出机构的形式有:浮动十字盘式、销轴式(图9),十字滑块式和零齿差式(图10)等几种。从传动原理看,它们都是相同的,只是结构形式不同而已;从装配方面看,销轴式减速器较为麻烦,其他几种都较方便。

图10 零齿差式减速器
1—偏心轴;2—内齿轮;3—行星齿轮;4—零齿差输出机构
2.销轴式输出机构销孔(等分孔)与齿的装配位置
当行星齿轮仅用单只时,装配时可不必考虑孔与齿的位置关系。当用两只行星齿轮时,则必须使行星齿轮的齿和孔在某一特定位置,才能使行星轮连同销轴机构从轴向装入内齿轮,并使两行星轮取得同步运转。一般在加工行星齿轮时,以精加工的销孔作为基准,并使某一齿的中心线与某一销孔的中心线对准。加工完毕后在两只齿轮上打上对应的标记(图11)。

图11 销孔与齿对位标记

图12 内齿轮为奇数、行星轮为偶数时的装配位置
因为两行星齿轮是在互相错开180°的位置上同内齿轮相啮合的,故在装配时对于不同齿数差和奇、偶数和内齿轮,两行星齿轮的装配位置不同:
(1)内齿轮为偶数齿数,齿数差z2-z1 =1、3、5……(z2、z1分别为内齿轮和行星齿轮齿数),即行星轮的齿数为奇数时,此时内齿轮在0°和180°处的齿形相同(同为齿或齿槽),而行星轮在对应位置上的齿形相反。故必须将两行星轮的定位标记错开180°后装入内齿轮。
(2)内齿轮的齿数为任意数(奇数或偶数),齿数差z2-z1=2、4、6……时,此时行星轮与内齿轮的齿数同为奇数或偶数,装配时将两行星轮上的定位标记放在同一方向上即能和内齿轮啮合。
(3)内齿轮为奇数齿数,齿数差z2-z1 =1、3、5……,即行星轮的齿数为偶数时,此时在相隔180°的位置上,内齿轮的齿形与0°处相反,而行星轮的齿形则相同(图12)。
在装第二个行星轮时,必须求出另一销孔(图12中的孔B),要求此孔中心线至A孔(打有标记的销孔)中心线间的齿数为一整数加1/2齿。装入时将孔B转至0°方向,即将两行星轮上打记号的孔错开一定的孔数后装入内齿轮。
对于不同齿数和销孔数时,两行星轮的装配位置见表1。
表1 两行星轮的装配位置表
销孔数n | z1/n=a+b | 两行星轮对位标记错开孔数 | |
26、34、42、50、58、66、74、82、90、98、106、114 | 8 | b=0.25 | 2孔 |
28、36、44、52、60、68、76、84、92、100、108 | 8 | b=0.5 | 1孔或3孔 |
30、38、46、54、62、70、78、86、94、102、110 | 8 | b=0.75 | 2孔 |
30、42、54、66、78、90、102、114 | 12 | b=0.5 | 1孔、3孔或5孔 |
38、50、62、74、86、98、110 | 12 | b=0.166…… | 3孔 |
40、56、72、88、104、120 | 16 | b=0.5 | 1孔、3孔或5孔 |
注:表中a为z1/n的整数部分;b为z1/n的小数部分。
3.少齿差减速器组装时应注意的问题
除制造厂内有关的装配问题外,在解体安装时应注意在行星轮、十字浮动盘、低速轴等有相对运动的平面之间,应保证有合适的轴向间隙(一般不小于0.5mm)。
装配顺序一般是将机座等装成一组,偏心轴、行星轮等运转组件装成一组,然后将运转件垂直放置,最后套上内齿圈及端盖等零件,这样装配比较方便。
装配后,传动应灵活,运转平稳,不得有冲击、振动和噪声。
该文章所属专题:齿轮传动
1;所有标注为智造资料网zl.fbzzw.cn的内容均为本站所有,版权均属本站所有,若您需要引用、转载,必须注明来源及原文链接即可,如涉及大面积转载,请来信告知,获取《授权协议》。
2;本网站图片,文字之类版权申明,因为网站可以由注册用户自行上传图片或文字,本网站无法鉴别所上传图片或文字的知识版权,如果侵犯,请及时通知我们,本网站将在第一时间及时删除,相关侵权责任均由相应上传用户自行承担。
[complaint:内容投诉]
智造资料网打造智能制造3D图纸下载,在线视频,软件下载,在线问答综合平台 » 行星齿轮装置的装配(图文教程)

