6 几何公差
本标准按照GB/T 1182-2008 产品几何技术规范(GPS)几何公差 形状、方向、位置和跳动公差标注的规定执行。
6.1 几何公差的符号
几何公差的几何特征、符号和附加符号见表:




6.2 公差框格
(1)用公差框格标注几何公差时,公差要求注写在划分成两格或多格的矩形框格内。各格自左至右顺序标注以下内容:
a 几何特征符号
b 公差值,以线型尺寸单位表示的量值。如果公差带为圆形或圆柱形,公差值前应加注符号“φ”;如果公差带为圆球形,公差值前应加注符号“Sφ”;
c 基准,用一个字母表示单个基准或用几个字母表示基准体系或公共基准
![]()
(2)当某项公差应用于几个相同要素时,应在公差框格的上方被测要素的尺寸之前注明要素的个数,并在两者之间加上符号“×”。
![]()
(3)如果需要限制被测要素在公差带内的形状,应在公差框格的下方注明。
![]()
(4)如果需要就某个要素给出几种几何特征的公差,可将一个公差框格放在另一个的下面。
![]()
6.3 被测要素
按下列方式之一用指引线连接被测要素和公差框格。指引线引自框格的任意一侧,终端带一箭头.
a 当公差涉及轮廓线或轮廓面时,箭头指向该要素的轮廓线或其延长线(应与尺寸线明显错开);箭头也可指向引出线的水平线,引出线引自被侧面。
b 当公差涉及要素的中心线、中心面或中心点时,箭头应位于相应尺寸线的延长线上。
需要指明被测要素的形式(是线而不是面)时,应在公差框格附近注明。



该文章所属专题:机械制图标准学习
6.4 公差带
公差带的宽度方向为被测要素的法向,另有说明时除外。注:指引线箭头的方向不影响对公差的定义。

除非另有说明,方向公差公差带的宽度方向为指引线箭头方向,与基准成0°或90°。
除非另有规定,当在同一基准体系中规定两个方向的公差时,它们的公差带是互相垂直的。

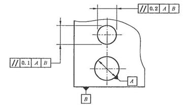
(1)若公差值前面标注符号“φ”,公差带为圆柱形(见图23和图24)或圆形;若公差值前面标注符号 “Sφ”,公差带为圆球形。

(2)—个公差框格可以用于具有相同几何特征和公差值的若干个分离要素。

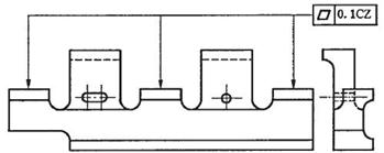
(3)若干个分离要素给出单一公差带时,可在公差框格内公差值的后面加注公共公差带的符号CZ。

6.5 基准
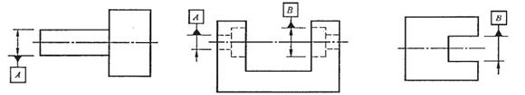
a 与被测要素相关的基准用一个大写字母表示。字母标注在基准方格内,与一个涂黑的或空白的三角形相连以表示基准;表示基准的字母还应标注在公差框格内。涂黑的和空白的基准三角形含义相同。

b 带基准字母的基准三角形应按如下规定放置:
a)当基准要素是轮廓线或轮廓面时,基准三角形放置在要素的轮廓线或其延长线上(与尺寸线明显错开);基准三角形也可放置在该轮廓面引出线的水平线上。

b)当基准是尺寸要素确定的轴线、中心平面或中心点时,基准三角形应放置在该尺寸线的延长线上。如果没有足够的位置标注基准要素尺寸的两个尺寸箭头,则其中一个箭 头可用基准三角形代替。

c 如果只以要素的某一局部作基准,则应用粗点画线示出该部分并加注尺寸。

d 以单个要素作基准时,用一个大写字母表示。
以两个要素建立公共基准时,用中间加连字符的两个大写字母表示。
以两个或三个基准建立基准体系(即采用多基准)时,表示基准的大写字母按基准的优先顺序自左至右填写在各框格内。
![]()
6.6 限定性规定
如果给出的公差仅适用于要素的某一指定局部,应采用粗点画线示出该局部的范围,并加注尺寸。

6.7 各类几何公差之间的关系
a 如果功能需要,可以规定一种或多种几何特征的公差以限定要素的几何误差。限定要素某种类型几何误差的几何公差,亦能限制该要素其他类型的几何误差。
b 要素的位置公差可同时控制该要素的位置误差、方向误差和形状误差。
c 要素的方向公差可同时控制该要素的方向误差和形状误差。
d 要素的形状公差只能控制该要素的形状误差。
该文章所属专题:机械制图标准学习
1;所有标注为智造资料网zl.fbzzw.cn的内容均为本站所有,版权均属本站所有,若您需要引用、转载,必须注明来源及原文链接即可,如涉及大面积转载,请来信告知,获取《授权协议》。
2;本网站图片,文字之类版权申明,因为网站可以由注册用户自行上传图片或文字,本网站无法鉴别所上传图片或文字的知识版权,如果侵犯,请及时通知我们,本网站将在第一时间及时删除,相关侵权责任均由相应上传用户自行承担。
[complaint:内容投诉]
智造资料网打造智能制造3D图纸下载,在线视频,软件下载,在线问答综合平台 » 机械制图标准学习-几何公差(图文教程)

