UG模具设计-UGNX4.0连杆造型设计

一、连杆主体
1.工作图
UG模具设计-UGNX4.0连杆造型设计,模具设计,4.0,第1张
UG模具设计-UGNX4.0连杆造型设计,模具设计,4.0,第2张
图1
2.产品分析
1)结构分析
    本例中的连杆,由于其形状不规则,又含有较多的倒圆角,且各部分的厚度不相同。造型时可按下列步骤进行:先画二维曲线再采用拉伸的方法构造基础的实体;考虑到连杆是关于左右和上下对称的,只做1/4的实体即可;拉伸中灵活运用偏置值和起始距离等参数,可以简便地完成造型。
2)构造框图
 连杆建模步骤
步骤
模型
说明
步骤
模型
说明
1
UG模具设计-UGNX4.0连杆造型设计,模具设计,4.0,第3张
绘制草图曲线
2
UG模具设计-UGNX4.0连杆造型设计,模具设计,4.0,第4张
拉伸连杆主体
3
UG模具设计-UGNX4.0连杆造型设计,模具设计,4.0,第5张
拉伸连杆头部
4
UG模具设计-UGNX4.0连杆造型设计,模具设计,4.0,第6张
拉伸凹槽
5
UG模具设计-UGNX4.0连杆造型设计,模具设计,4.0,第7张
拉伸凸棱
6
UG模具设计-UGNX4.0连杆造型设计,模具设计,4.0,第8张
实体倒圆
7
UG模具设计-UGNX4.0连杆造型设计,模具设计,4.0,第9张
建立拔模斜度
8
UG模具设计-UGNX4.0连杆造型设计,模具设计,4.0,第10张
镜像实体
9
UG模具设计-UGNX4.0连杆造型设计,模具设计,4.0,第11张
构造孔特征
 
 
 
3.操作步骤
1)绘制二维轮廓
    采用草图图标UG模具设计-UGNX4.0连杆造型设计,模具设计,4.0,第12张,绘制下图所示二维轮廓图。
UG模具设计-UGNX4.0连杆造型设计,模具设计,4.0,第13张
图2
2)拉伸连杆主体
UG模具设计-UGNX4.0连杆造型设计,模具设计,4.0,第14张UG模具设计-UGNX4.0连杆造型设计,模具设计,4.0,第15张
图3                                             图4
    单击拉伸命令UG模具设计-UGNX4.0连杆造型设计,模具设计,4.0,第16张,在选择意图对话框中选择“已连接曲线”,鼠标单击连杆主体曲线,在拉伸对话框中设置拉伸参数为:起始0,结束6.5,方式为创建。生成的拉伸实体如图3所示。
3)拉伸连杆头部
    拉伸的方法和步骤与上面大致相同。在拉伸对话框中设置拉伸参数为:起始0,结束10,方式为求和。生成的拉伸实体如图4所示。
4)构造连杆的凹槽
    拉伸的方法和步骤与上面大致相同。在拉伸对话框中设置拉伸参数为:起始3,结束6.5,方式为求差。生成的拉伸实体如图5所示。
UG模具设计-UGNX4.0连杆造型设计,模具设计,4.0,第17张UG模具设计-UGNX4.0连杆造型设计,模具设计,4.0,第18张
图5                                        图6
5)拉伸凸棱
单击拉伸命令UG模具设计-UGNX4.0连杆造型设计,模具设计,4.0,第16张,在选择意图对话框中选择“单个曲线”,鼠标单击草图曲线中R25的边,在拉伸对话框中设置拉伸参数如下图所示,注意偏置中结束值的正负。生成的拉伸实体如图6所示。
UG模具设计-UGNX4.0连杆造型设计,模具设计,4.0,第20张
图7
采用同样的办法拉伸连杆头部的另外一个凸棱,在拉伸对话框中设置偏置参数为:起始0,结束4。生成的拉伸实体如图8所示。
UG模具设计-UGNX4.0连杆造型设计,模具设计,4.0,第21张UG模具设计-UGNX4.0连杆造型设计,模具设计,4.0,第22张
图8                                  图9
6)实体倒圆
    实体倒圆要按照从大到小的顺序。
    选择图标UG模具设计-UGNX4.0连杆造型设计,模具设计,4.0,第23张,在对话框中将“默认半径”的值改为40,并且在实体上选取要倒圆的边,单击“应用”按钮即可。
    同样的办法,在对话框中将“默认半径”的值改为25,在实体上选择相应的边。
    将将“默认半径”的值改为3.5,选择连杆头部凸棱的边(注意选择顺序),单击“应用”按钮。
    同理,输入相应的半径值,将凹槽的各边倒圆角,如图9所示。
7)建立拔模斜度
    单击图标UG模具设计-UGNX4.0连杆造型设计,模具设计,4.0,第24张,选择“从固定边缘拔模”图标UG模具设计-UGNX4.0连杆造型设计,模具设计,4.0,第25张,修改自动判断矢量为UG模具设计-UGNX4.0连杆造型设计,模具设计,4.0,第26张,选择拔模的边,在角度栏输入“10”,单击确定结束,结果图10所示。
UG模具设计-UGNX4.0连杆造型设计,模具设计,4.0,第27张
图10
8)镜像实体
    由于只建立了整个连杆的1/4可以通过左右和上下镜像完成其余部分。
a 建立辅助平面(基准平面):这里我们可以直接使用XY平面和XZ平面为基准平面。
b 选择实例特征图标UG模具设计-UGNX4.0连杆造型设计,模具设计,4.0,第28张,在对话框中选择“镜像体”选项。
c 选中需要镜像的实体,单击UG模具设计-UGNX4.0连杆造型设计,模具设计,4.0,第29张确定。
d 选择镜像的基准平面,分别以XY平面和XZ平面为基准平面,镜像实体,再对实体进行布尔运算,得到如图8所示实体。
9)构造孔特征a
10)构造孔特征b  使用孔特征命令设置好孔的参数,定位后得到孔。
11)镜像孔特征b  使用镜像特征镜像孔特征b,得到图1所示实体。
二、连杆接头
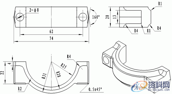
1.连杆接头工作图
UG模具设计-UGNX4.0连杆造型设计,模具设计,4.0,第30张
2 步骤提示
A、抓住关键,构造二维草图
B、通过拉伸完成连杆接头的主体
C、倒角、拔模等操作完成半个实体的构造
D、通过镜像完成整个实体的构造

步骤
模型
说明
步骤
模型
说明
1
UG模具设计-UGNX4.0连杆造型设计,模具设计,4.0,第31张
绘制草图曲线
2
UG模具设计-UGNX4.0连杆造型设计,模具设计,4.0,第32张
拉伸
3
UG模具设计-UGNX4.0连杆造型设计,模具设计,4.0,第33张
拉伸
4
UG模具设计-UGNX4.0连杆造型设计,模具设计,4.0,第34张
倒角
5
UG模具设计-UGNX4.0连杆造型设计,模具设计,4.0,第35张
拔模
6
UG模具设计-UGNX4.0连杆造型设计,模具设计,4.0,第36张
镜像

 

N95口罩耳带机、N95切片加内置鼻梁一体机、N95口罩机整套现货,预订电话:13018639977

CNC数控编程培训、塑胶模具设计培训,冲压模具设计培训,精雕、ZBrush圆雕培训、Solidworks产品设计培训、pro/E产品设计培训,潇洒职业培训学校线下、线上网络学习方式,随到随学,上班学习两不误,欢迎免费试学!

学习联系李老师电话:13018639977(微信同号)QQ:2033825601

学习地址:东莞市横沥镇新城工业区兴业路121号-潇洒职业培训学校

免责声明:
1;所有标注为智造资料网zl.fbzzw.cn的内容均为本站所有,版权均属本站所有,若您需要引用、转载,必须注明来源及原文链接即可,如涉及大面积转载,请来信告知,获取《授权协议》。
2;本网站图片,文字之类版权申明,因为网站可以由注册用户自行上传图片或文字,本网站无法鉴别所上传图片或文字的知识版权,如果侵犯,请及时通知我们,本网站将在第一时间及时删除,相关侵权责任均由相应上传用户自行承担。
[complaint:内容投诉]
智造资料网打造智能制造3D图纸下载,在线视频,软件下载,在线问答综合平台 » UG模具设计-UGNX4.0连杆造型设计