机械制图-键的连接(图文教程)

键用于连接轴和轴上的传动件(如齿轮、皮带轮等),使轴和传动件不发生相对转动,以传递扭矩或旋转运动,如图10-34所示为一齿轮被一半圆头键连接导轴上。

机械制图-键的连接(图文教程),机械制图-键的连接,如图,键槽,第1张机械制图-键的连接(图文教程),机械制图-键的连接,如图,键槽,第2张
图10-34 齿轮与导轴连接      图10-35 键的类型

1.键的类型

常用键的型式有:普通平键、半圆键和钩头楔键。普通平键又可分A型、B型、C型。如图10-35所示。

2.常用键的种类、型式、标记和连接画法

①普通平键

普通平键的标记为:键b×LGB/T1096。其中b为键的宽度,L为键的长度,如图10-36所示。

普通平键的工作表面为前后表面,其连接图如图10-37所示。

机械制图-键的连接(图文教程),机械制图-键的连接,如图,键槽,第3张机械制图-键的连接(图文教程),机械制图-键的连接,如图,键槽,第4张
图10-36 普通平键标记    图10-37 普通平键的连接图

②半圆头键的标记为:键b×d1GB/T1099。其中b为键的宽度,d1为键的直径,如图10-38所示。

半圆头键的工作表面为前后表面,其连接图如图10-39所示。

机械制图-键的连接(图文教程),机械制图-键的连接,如图,键槽,第4张机械制图-键的连接(图文教程),机械制图-键的连接,如图,键槽,第6张
图10-38 半圆头键的标记   图10-39 半圆头键连接图

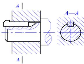
③钩头楔键的标记为:键b×LGB/T1565。其中b为键的宽度,L为键的长度,如图10-40所示。

钩头楔键的工作表面为上下两表面,其连接图如图10-41所示。

机械制图-键的连接(图文教程),机械制图-键的连接,如图,键槽,第7张机械制图-键的连接(图文教程),机械制图-键的连接,如图,键槽,第8张
图10-40 钩头楔键的标记    图10-41 钩头楔键连接图

3.轴和轮毂上键槽的画法和尺寸标注

轴和轮毂上键槽的尺寸是根据轴径的大小和长短选择的。图10-42为一轴、轮毂、和普通平键的一般连接时的尺寸。其中轴的直径为24,所以选宽度为8的普通平键;根据平键的大小查表可知轴上键槽和轮毂上键槽的大小。

机械制图-键的连接(图文教程),机械制图-键的连接,如图,键槽,第9张
图10-42 轴和轮毂上键槽的画法和尺寸标注

该文章所属专题:AutoCAD机械制图教程

相关阅读:

1、数控车床编程实例,详细讲解!实例一、如图2-16所示工件,毛坯为φ45㎜×120㎜棒材,材料为45钢,数控车削端面、外圆。实例二、如图2-17所示变速手柄轴,毛坯为φ25㎜×100㎜棒材,材料为45钢,完成数控车削。实例三、如图2-18所示工件,毛坯为φ25㎜×65㎜棒材,材料为45钢。实例四、如图2-20所示轧辊工件,毛坯为φ55㎜×18㎜盘料,φ12+0。05 ㎜内孔及倒角和左右两端面已加工过,材料为45钢。

2、数控车床编程教程,图文实例详解第一节数控车床编程基础一、数控车编程特点二、数控车的坐标系统三、直径编程方式四、进刀和退刀方式五、绝对编程与增量编程第2节数控车床的基本编程方法一、坐标系设定例:按图2.1.5设置加工坐标的程序段如下:例如,用G54指令设定如图所示的工件坐标系。二、基本指令G00、G01、G02、G03、G04、G284.暂停指令G045.返回参考点指令G28三、有关单位设定

3、塑胶模具设计:薄框夹具设计方案PART 01 薄框夹具设计方案PART 02 反搪内孔刀具选择方案PART 03 2D9键槽加工方案

4、数控车床编程教程,图文实例详解,这套资料就够了第一节数控车床编程基础一、数控车编程特点二、数控车的坐标系统三、直径编程方式四、进刀和退刀方式五、绝对编程与增量编程第2节数控车床的基本编程方法一、坐标系设定例:按图2.1.5设置加工坐标的程序段如下:例如,用G54指令设定如图所示的工件坐标系。二、基本指令G00、G01、G02、G03、G04、G284.暂停指令G045.返回参考点指令G28三、有关单位设定

5、齿轮联轴器花键槽配合间隙调整(图文教程)

免责声明:
1;所有标注为智造资料网zl.fbzzw.cn的内容均为本站所有,版权均属本站所有,若您需要引用、转载,必须注明来源及原文链接即可,如涉及大面积转载,请来信告知,获取《授权协议》。
2;本网站图片,文字之类版权申明,因为网站可以由注册用户自行上传图片或文字,本网站无法鉴别所上传图片或文字的知识版权,如果侵犯,请及时通知我们,本网站将在第一时间及时删除,相关侵权责任均由相应上传用户自行承担。
[complaint:内容投诉]
智造资料网打造智能制造3D图纸下载,在线视频,软件下载,在线问答综合平台 » 机械制图-键的连接(图文教程)