第四篇 机器的装配
任何机器都是有许多零件装配而成的。如何从零件装配成机器,零件的精度和产品的精度的关系以及达到装配精度的方法,这些都是装配工艺所要解决的基本问题。机器装配的基本任务就是在一定的生产条件下,装配出保证质量、高效率而又经济的产品。一台机器总是从设计开始,经过零件的加工最后装配而成。装配是机器制造中的最后一个阶段,他包括装配、调整、试验及性能检验、试车等工作。机器的质量最终是通过装配保证的,装配质量在很大程度上决定机器的最终质量。另外,通过机器的装配过程,可以发现机器设计和零件加工质量等所存在的问题,并加以改进,以保证机器的质量。
目前,在众多的工厂中,装配的主要工作是靠手工完成的,所以选择合适的装配方法,制定合理的装配工艺规程,不仅是保证机器装配质量的手段,也是提高产品生产效率、降低制造成本的有力措施。
第十四章 机器的装配
第一节 概 述
一、机器装配的基本概念

图14-1 套件—装配式齿轮
1—基准零件2—铆钉 3—齿轮
任何机器都是由零件、套件、组件、部件等组成的。为保证有效地进行装配工作,通常将机器划分为若干能进行独立进行装配的部分,称为装配单元。
零件是组成机器的最小单元,它是由整块金属或其他材料制成的。零件一般都预先装配成套件、部件、组件后安装到机器上,直接装入机器的零件并不太多。
套件是在一个基准零件上,装上一个或若干个零件构成的。它是最小的装配单元。如装配式齿轮(图14-1),就是一个由一个小齿轮和大齿轮所组成的套件,小齿轮是基准零件,套上大齿轮并用铆钉固定。这种套件主要是考虑加工工艺问题,分成几件制造,再套在一起,在以后的装配中作为一个零件,一般不再分开。为此进行的装配工作称为套装。
组件是在一个基准零件上,装上若干个套件及零件构成的。如机床主轴箱的主轴,在基准主轴上装上齿轮、套、垫片、键及轴承的组合件称为组件。为此进行的装配工作称为组装。
部件是在一个基准零件上,装上若干个组件、套件及零件构成的。部件在机器中能完成一定的、完整的功用。把零件装配成部件的过程,称之为部装。如车床的主轴箱装配就是部装。主轴箱箱体为部装的基准零件。
在一个基准零件上,装上若干个部件、组件、套件及零件就成为一个机器,把零件和部件装配成最终产品的过程称之为总装。例如卧式车床就是以床身为基准零件,装上主轴箱、进给箱、溜板箱等部件及其它组件、套件、零件所组成的。

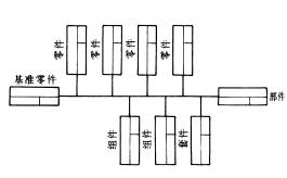
图14-2 部件装配系统图
二、装配工艺系统图
在装配工艺规程制定过程中,表明产品零部件间相互装配关系及装配流程示意图称为装配工艺系统图。每一个零件用一个方格来表示,在方格上表明零件名称、编号及数量。这种方框不仅可以表示零件,也可以表示套件、组件和部件等装配单元。
图14-2、图14-3分别表示部件、机器的装配工艺系统图。从上述图中可以看出,装配是由基准零件开始,沿水平线自左向右进行的,一般将零件画在上方,套件、组件、部件画在下方,其排列次序表示了装配的次序。图中套件、组件、部件的数量有实际装配结构来确定。

图14-3 机器装配系统图
装配工艺系统图配合装配工艺规程在生产中具有一定的指导意义。它主要应用于大批大量生产中,以便指导组织平行流水装配。
三、 装配精度
装配精度不仅影响到机器或部件的工作性能,而且影响它们的使用寿命。正确地规定机器、部件的装配精度要求,是产品设计的重要环节之一,它不仅关系到产品的质量,也关系到产品制造的难易程度和经济性,它是制定装配工艺规程的主要依据,也是确定零件加工精度的依据。
产品装配精度所包含的内容可根据机械的工作性能来确定,一般包括以下内容:
1. 相互位置精度
相互位置精度是指产品
中相关零部件间的距离精度和相互位置精度。如机床主轴箱装配时,相关轴之间中心距尺寸精度和同轴度、平行度、垂直度等。2.相对运动精度
相对运动精度是产品中有相对运动的零部件之间在运动方向和相对运动速度上的精度。运动方向的精度常表现为部件间相对运动的平行度和垂直度,如机床溜板箱在导轨上的移动精度;溜板箱移动轨迹对主轴中心线的平行度。相对运动速度的精度即是传动精度,如滚齿机滚刀主轴与工作台的相对运动精度,它将直接影响滚齿机的加工精度。
3. 相互配合精度
相互配合精度包括配合表面间的配合质量和接触质量,配合质量是指零件配合表面之间达到规定的配合间隙和过盈的程度,它影响配合的性质。接触质量是指两配合面或连接表面间达到规定的接触面积的大小和接触点分布的情况,它影响接触刚度,也影响配合质量。
不难看出,各装配精度间有密切的关系,相互位置精度是相对运动精度的基础,相互配合精度对相对位置精度和相对运动精度的实现有较大的影响。
机器和部件是有许多零件装配而成的,所以,零件的精度特别是关键零件的精度直接影响装配精度。同时,多数装配精度均与和它相关的零件或部件的加工精度有关,即这些零件的加工误差的累积将影响装配精度。
三、装配的组织形式
装配是机械制造过程的最后一个阶段。为了使产品达到规定的技术要求,装配不仅是指零件、部件的结合过程,还应包括调整、检验、检测、试验、油漆和包装等工作。目前在多数的实际生产中,装配工作大多靠手工劳动完成,自动化程度和劳动生产率远不如机械加工。所以根据产品的生产类型,选择组织形式和装配方法,制定合理的装配工艺,不仅是保证产品装配质量的手段,也是提高生产效率、降低成本的有力措施。
选择装配组织形式是一项重要的工作,它直接关系到装配工作的效率、质量和成本。采用何种装配组织形式,应根据产品的生产批量、结构特点及装配劳动量等因素来确定。
装配组织形式一般分为固定式装配和移动式装配两种。
(一)固定式装配
固定式装配是产品或部件的全部装配工作都安排在一个固定的工作地点进行的装配组织形式。其优点是基础件在装配过程中位置不变,不需要特殊的装配线运输设备。缺点是生产面积占用较大,要求工人有较高的技术水平,所需零部件都要送到装配地点,因此运输量大,这种装配组织形式多用于单件小批量生产,也适合于成批生产的重型产品。
(二)移动式装配
移动式装配是负责各装配工序的工人和工作地固定不变,而所要装配的产品不断的依次通过每个工作地,在每个工作地完成一个或几个工序,在最后一个工作地装配成产品。其优点是生产效率高、装配周期短、工人专业化程度高、工作地固定、可广泛采用专用设备及工具,因而大多应用于大批大量生产。移动式装配又可分为自由移动式装配和强制移动式装配。
1;所有标注为智造资料网zl.fbzzw.cn的内容均为本站所有,版权均属本站所有,若您需要引用、转载,必须注明来源及原文链接即可,如涉及大面积转载,请来信告知,获取《授权协议》。
2;本网站图片,文字之类版权申明,因为网站可以由注册用户自行上传图片或文字,本网站无法鉴别所上传图片或文字的知识版权,如果侵犯,请及时通知我们,本网站将在第一时间及时删除,相关侵权责任均由相应上传用户自行承担。
[complaint:内容投诉]
智造资料网打造智能制造3D图纸下载,在线视频,软件下载,在线问答综合平台 » 机械制造工程-14.1机器的装配(图文教程)

