solidworks解决管道流体问题,原来可以如此轻松

很多朋友可能都会遇到这类问题。如下图。知道入口流量,知道出口压力,想求各个支管力的流量。流量这个参数很重要,因为流量的大小直接决定了设计是否符合要求,末端系统所需流量分配是否合理的问题。

这类问题用模拟软件来求解是一个很好的办法。今天就用SolidWorks中的Flow simulation来解决一下这个问题。

solidworks解决管道流体问题,原来可以如此轻松,solidworks解决管道流体问题,原来可以如此轻松,管道,第1张

SolidWorks flow simulation是流体分析软件,可以解决流体和热传导的问题。flow simulation采用向导和组块化结构,操作起来比较简单,还容易理解。

下面我们就来看一下分析的过程。

一、预处理

在分析之前,需要对管路进行预处理。比如加封盖,去掉模型中多余的loge和零部件。去掉没有用的细小结构等等。这样有助于我们得到最终结果。关于这个管道内的流体分析,我们只需要把管道封起来就可以了。这样系统就知道我们要计算那部分的管道里的流体了。

封管道可以用封盖工具进行,封好进行模型检查,检查没有问题就可以进行分析了。创建封盖和检查工具在工具栏中都可以找到。

solidworks解决管道流体问题,原来可以如此轻松,solidworks解决管道流体问题,原来可以如此轻松,管道,第2张

二、开始分析

分析从向导开始比较好合理。因为向导里的内容早晚都要设置。向导开始我们来命名项目名称:管道内部流体分析。

solidworks解决管道流体问题,原来可以如此轻松,solidworks解决管道流体问题,原来可以如此轻松,管道,第3张

然后下一步,设置单位。可以新建一个自己的单位系统。把长度单位和温度单位改成毫米和摄氏度,方便我们进行单位的统一。

solidworks解决管道流体问题,原来可以如此轻松,solidworks解决管道流体问题,原来可以如此轻松,管道,第4张

分析类型选择内部分析。

solidworks解决管道流体问题,原来可以如此轻松,solidworks解决管道流体问题,原来可以如此轻松,管道,第5张

流体选择液体水。双击或点击添加都可以进行选择。

solidworks解决管道流体问题,原来可以如此轻松,solidworks解决管道流体问题,原来可以如此轻松,管道,第6张

边界条件选择默认的选项。如果知道管路的粗糙度可以填写。没有热传递就可以选择绝热壁面。

solidworks解决管道流体问题,原来可以如此轻松,solidworks解决管道流体问题,原来可以如此轻松,管道,第7张

初始条件采用默认设置就可以。内部分析,后面还需要设置内部的条件。

solidworks解决管道流体问题,原来可以如此轻松,solidworks解决管道流体问题,原来可以如此轻松,管道,第8张

下面是创建好向导的界面。

solidworks解决管道流体问题,原来可以如此轻松,solidworks解决管道流体问题,原来可以如此轻松,管道,第9张

从左边的设计上我们可以看到一些项目:这些项目指引我们要如何设置边界条件。当然这些项目都是最进本的。如果需调添加风扇,多孔介质,热源等。我们可以把这些组块添加进来。根据题添加边界条件。右键单击边界条件,选择插入边界条件,在入口盖板上选择内表面,作为入口条件的添加面。参数如下图。

solidworks解决管道流体问题,原来可以如此轻松,solidworks解决管道流体问题,原来可以如此轻松,管道,第10张

同样的办法设置出口边界条件。分别设置3个出口的压力,为静压,默认压力和温度。

solidworks解决管道流体问题,原来可以如此轻松,solidworks解决管道流体问题,原来可以如此轻松,管道,第11张

设置分析目标,分析目标是我们比较关注的参数,比如这个案例中,我们比较关注管道中流体的流量,因此我们可以设置管道流量为目标。

右键单击目标,选择表面目标,在下面体积流量对应的方框内单击。同样的办法对其他两个管道进行添加目标。

solidworks解决管道流体问题,原来可以如此轻松,solidworks解决管道流体问题,原来可以如此轻松,管道,第12张

设置好后,如下图,边界条件和目标已经设置完毕,网格选择默认网格就可以。然后开始分析。

solidworks解决管道流体问题,原来可以如此轻松,solidworks解决管道流体问题,原来可以如此轻松,管道,第13张

分析结束后,开始进行结果的后处理

三、后处理

结果分析出来后,我们还要会看。对结果有个评判。后处理的办法很多。

solidworks解决管道流体问题,原来可以如此轻松,solidworks解决管道流体问题,原来可以如此轻松,管道,第14张

我们要观察流量的情况,所以可以用流动迹线,先观察一下。右键单击插入流动迹线

solidworks解决管道流体问题,原来可以如此轻松,solidworks解决管道流体问题,原来可以如此轻松,管道,第15张

把管道变成透明,就可以看到流动迹线了。虽然流动迹线没有流量的选项,我们可以通过观察流动迹线的疏密来判断流量的分配。如下图。我们可以大概的判断第三根分支管路流量是最大的。

solidworks解决管道流体问题,原来可以如此轻松,solidworks解决管道流体问题,原来可以如此轻松,管道,第16张

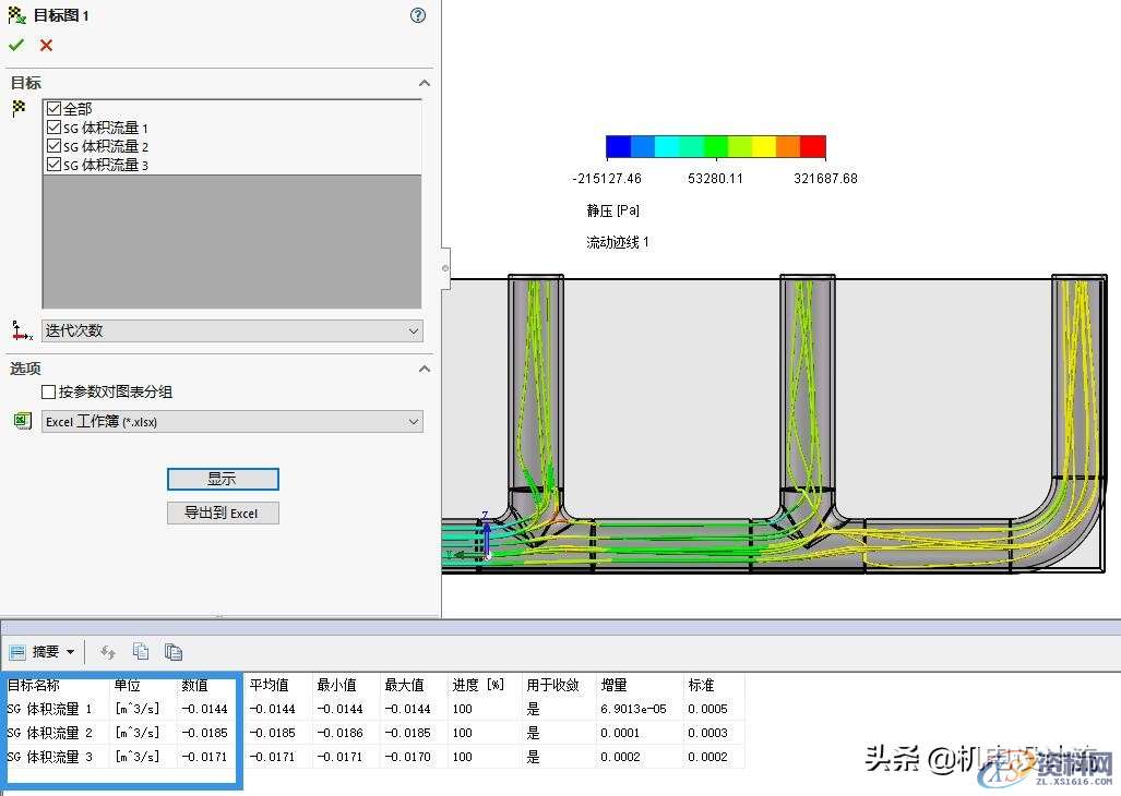
为了验证我们的看法,我们可以看下目标,前面设置了3个目标,这里就可以看一下了。

solidworks解决管道流体问题,原来可以如此轻松,solidworks解决管道流体问题,原来可以如此轻松,管道,第17张

从目标数值中可以看出,第一,第二支管的流量明显小于第三支管的。三个支管的流量加起来正好等于入口的流量。负值代表流出。

四、结果分析

通过对结果的观察,我们发现第三支管的流量是最大,如果这不符合我们的设计要求,我们就要修改设计,比如可以把第三管路变细一些,或者增加第三管路的出口压力。我们来重新设置一下第三管道的出口压力,再重新计算一下。

克隆一个算例,把边界条件力的出口压力修改一下。只修改第三个管路的出口压力。修改为150000pa。

solidworks解决管道流体问题,原来可以如此轻松,solidworks解决管道流体问题,原来可以如此轻松,管道,第18张

在计算后来看结果,结果明显发生了改变,3个支路管的流量已经平衡了很多。

solidworks解决管道流体问题,原来可以如此轻松,solidworks解决管道流体问题,原来可以如此轻松,管道,第19张

整个分析流程就介绍了。这个流程并不难,却很有用。不知道你看明白了没有。

免责声明:
1;所有标注为智造资料网zl.fbzzw.cn的内容均为本站所有,版权均属本站所有,若您需要引用、转载,必须注明来源及原文链接即可,如涉及大面积转载,请来信告知,获取《授权协议》。
2;本网站图片,文字之类版权申明,因为网站可以由注册用户自行上传图片或文字,本网站无法鉴别所上传图片或文字的知识版权,如果侵犯,请及时通知我们,本网站将在第一时间及时删除,相关侵权责任均由相应上传用户自行承担。
[complaint:内容投诉]
智造资料网打造智能制造3D图纸下载,在线视频,软件下载,在线问答综合平台 » solidworks解决管道流体问题,原来可以如此轻松