UG编程-适合新手学习的编程基础知识详细讲解

UGNX7.0的工作环境

UG软件基本操作:文件操作、视图操作

特征操作:布尔运算的概念

新建文件

注意挑选新建零件的单位:毫米/英寸。

文件名中不能包含中文字符。

UG文件的后缀为 . prt

UG编程-适合新手学习的编程基础知识详细讲解,第1张

5.UG建模模块界面

UG编程-适合新手学习的编程基础知识详细讲解,第2张

UG编程-适合新手学习的编程基础知识详细讲解,第3张

鼠标右键菜单

挑选视图工具条完结相应的指令改写拟合缩放扩大/缩小旋转平移透视线框显示类型上色显示线框定向视图

视图工具条

UG编程-适合新手学习的编程基础知识详细讲解,第4张

文件的保存、封闭与翻开保存文件

另存为(文件→另存为):换名保存当时文件。

封闭文件

封闭一切文件:封闭一切的文件,并返回到入门环境(Gateway)。

另存为并封闭:将当时文件换名保存并封闭。

悉数保存并退出:保存一切文件并退出UG系统。

UG所翻开的文件名及其地点的文件途径的名称不能为中文。

工作任务一

UG编程-适合新手学习的编程基础知识详细讲解,第5张

工作任务三

常识点

辅助工具:矢量构造器

能力目标

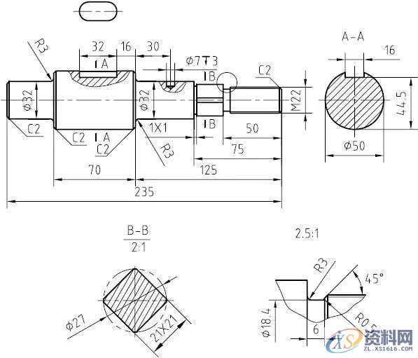
工作任务(含零件二维、三维图形)或教育内容

UG编程-适合新手学习的编程基础知识详细讲解,第6张

UG编程-适合新手学习的编程基础知识详细讲解,第7张

教育示范

发动UG NX4.0

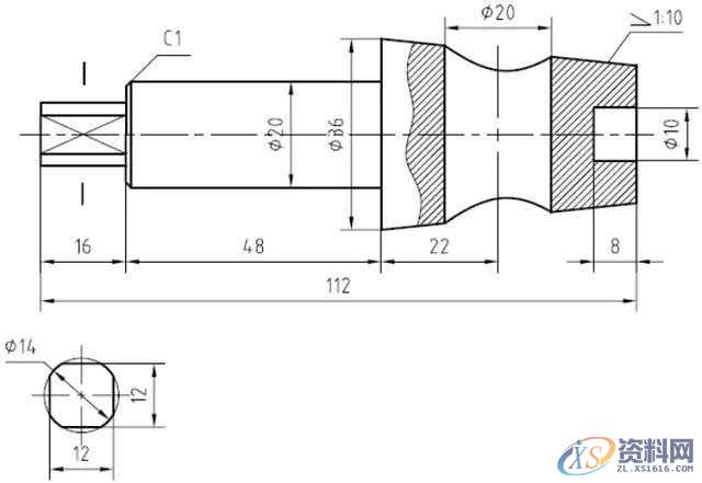
锥形塞建模示范

UG编程-适合新手学习的编程基础知识详细讲解,第8张

2)创立圆柱体(Ø20×48)

UG编程-适合新手学习的编程基础知识详细讲解,第9张

4)创立圆柱体(Ø10×8)

UG编程-适合新手学习的编程基础知识详细讲解,第10张

6)创立圆柱体(Ø14×16)

UG编程-适合新手学习的编程基础知识详细讲解,第11张

8)斜角(1×45°)

UG编程-适合新手学习的编程基础知识详细讲解,第12张

六、课堂小结

“特征建模”是UG CAD的根底与核心建模工具,根据特征的实体建模和编功能,使得工程师能够直接修正实体特征的尺度,在树立杂乱实体模型时具有交互性。

选用尺度驱动(参数化)方式修正模型,规划修正更加便利。

选用主模型技术驱动后续的规划运用,如工程图、装配、CAM等。主模型更新后,相关运用自动更新。

可对实体模型进行烘托处理,显示效果更好

基本体素特征:长方体、圆柱体、圆锥/圆台体、球体

成型特征:孔、圆台、凸垫、腔体、键槽、沟槽

特征操作:拔模角、边倒圆、倒斜角、抽壳、螺纹、特征引用(阵列、镜像)、实体修剪、实体切割、份额体、面切割、布尔运算(加、减、相交)等

UG编程-适合新手学习的编程基础知识详细讲解,第13张

2D五金模具设计、3D汽车模具设计,冲压模具设计全能班、UG塑胶模具设计、Pore产品设计、北京精雕、Zbrush圆雕设计、Solidworks产品设计培训、UG/Mastercam/Powermill数控编程、三轴/四轴/五轴精雕浮雕模具设计、数控加工CNC电脑锣操机、精雕浮雕操机、Autoform软件、UG/VISI软件应用、PressCAD软件应用、AutoCAD等学历提升课程供君参观参考,找李老师预约提供免费试学。学习电话:13018636633(微信同号)QQ:1740467385
学习地址:东莞市横沥镇新城工业区兴业路121号-潇洒教育

免责声明:
1;所有标注为智造资料网zl.fbzzw.cn的内容均为本站所有,版权均属本站所有,若您需要引用、转载,必须注明来源及原文链接即可,如涉及大面积转载,请来信告知,获取《授权协议》。
2;本网站图片,文字之类版权申明,因为网站可以由注册用户自行上传图片或文字,本网站无法鉴别所上传图片或文字的知识版权,如果侵犯,请及时通知我们,本网站将在第一时间及时删除,相关侵权责任均由相应上传用户自行承担。
[complaint:内容投诉]
智造资料网打造智能制造3D图纸下载,在线视频,软件下载,在线问答综合平台 » UG编程-适合新手学习的编程基础知识详细讲解