1)绝对坐标编程常用代码X和Z表示;增量坐标编程时用U 和W表示,可按绝对坐标、增量坐标或两者混合编程。--般不用G90、G91指令。
2)由于车削常用的毛坯为棒料或锻件,加工余量较大,可充分利用各种固定循环功能,达到多次循环切削目的。
3)直径方向按绝对坐标编程时常以直径值表示,按增量坐标编程时,以径向实际位移量的2倍值表示。
常用指令介绍:GOO、GO1、GO2、GO3
快速点定位: G00X (U)_ Z (W)_ ; 直线插补: G01X(U)_Z(W)_F_;
圆弧插补: (G02 G03) X (U)_ Z(W)_ I_ K_ F_ :( G02 G03) X (U)_ Z(W)_ R_ F_
按增量坐标编程时程序段为:GO1 U0.0 W-20.0 F50 ; GO2 U20.0 W-20.0 R25.0;
按绝对坐标编程时程序段为:GO1 X30.0 Z50.0 F50; GO2 X50.0 Z30.0 R25.0;
东莞潇洒职业培训学校开设课程有:CNC数控编程、塑胶模具设计,压铸模具设计、冲压模具设计, Solidworks/pro/E产品设计、AutoformR7工艺分析,非标自动化设计、PLC编程、文职、电商、平面设计、新媒体等培训课程,潇洒职业培训学校线下、线上、随到随学等学习方式,上班学习两不误,欢迎预约免费试学!
联系电话:13018639977(微信同号)QQ:2033825601
学校官网:www.dgxspx.com线上免费试学:xsmj.ke.qq.com
即日起,组团3人以上学习CNC电脑锣实操课程,学费全免,学会为止包就业,工资4000-6000以上
F、S指令设置: G99 F_ ; (每转进给模式);G98 F_; (每 分钟进给模式)
恒切削速度的设置方法为:G96 S_ ; (S的 单位为m/ min)也可设置成:G97 S_ ; (S的单位为r/ min)
恒切削速度设置时,为防主轴转速过高,预先设置主轴最高转速,指令格式为 :G50 S_ ; (S的单位为r/ min)
G96 S150表示切削点线速度150 m /min。为保持 A、B、C各点的线速度在150 m /min,则各点在加工时的主轴转速分别为: 如图所示:

暂停指令G04:在车削加工中,该指令可用于车削环槽、不通孔以及加工螺纹等场合。

G04 U_(或P)_;
在G98进给模式下,指令中输入的时间即为停止进给的时间;在G99进给模式下,则为暂停进刀的主轴回转数。
单一形状圆柱切削循环,如图所示:

单一形状圆锥切削循环,如图所示:


端面循环切削


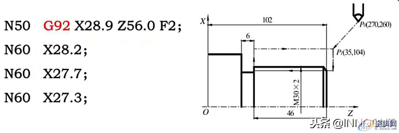
螺纹切削循环


多重复合循环G70-G76
在多重复合循环中,只须指定精加工路线、粗加工的背吃力量和退刀量、精车余量等,系统就会自动计算出粗加工路线和走刀次数。
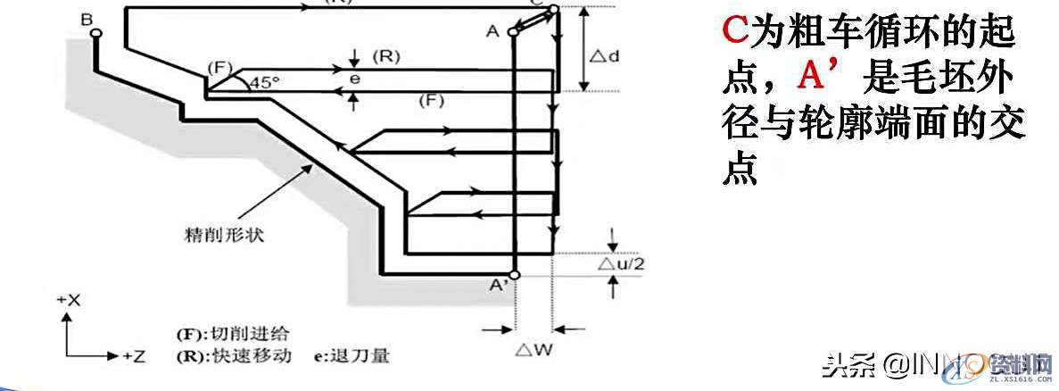
外圆粗车循环G71

G71格式指令

编程示例:切削深度为5MM,退刀量为1MM,X向精车余量为2MM,Z向精车余量为2MM.

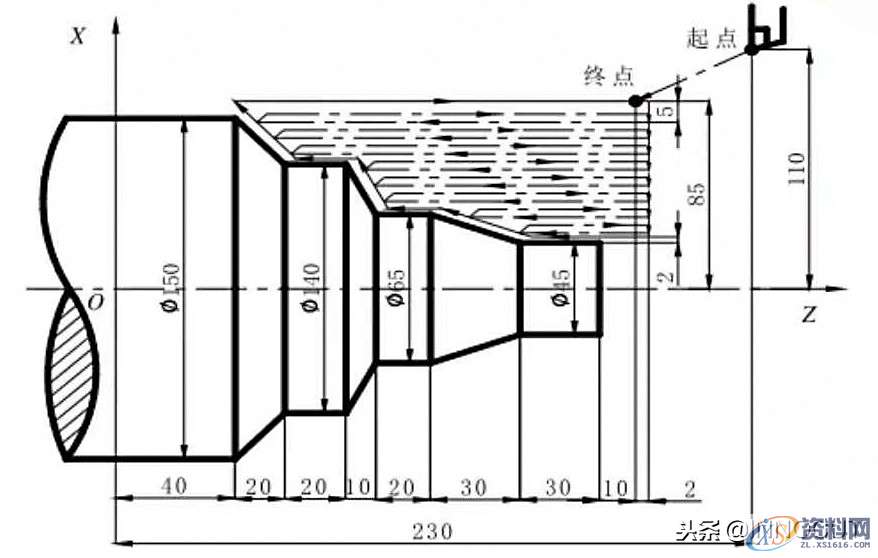
编程示例:如图所示

端面加工循环指令G72

成形车削循环指令G73 经铸或锻已有基本形状的零件

指令格式:

在采用G71、G72、G73指令进行粗车后,用G70 指令可以作精加工循环切削,程序段格式为 G70P_Q_; 端面切断循环G74 ◆外径、内径切断循环G75 ◆复合螺纹循环G76
工件坐标系设定要G50

其它指令:刀尖半径补偿G41\G42\G40,一般车刀均有刀尖半径,即车刀刀尖部分有一圆弧构成假想圆的半径值。

用假想刀尖编程时,当车外径或端面时,刀尖圆弧大小并不起作用,当车削倒角、锥面或圆弧时,则会引起过切或欠切。

刀尖半径补偿指令程序格式为:G41/G42 X(U)_Z(W)

刀具位置偏置是对编程时所用刀具(基准刀具)与实际使用的刀具的位置偏差进行自动补偿的功能。

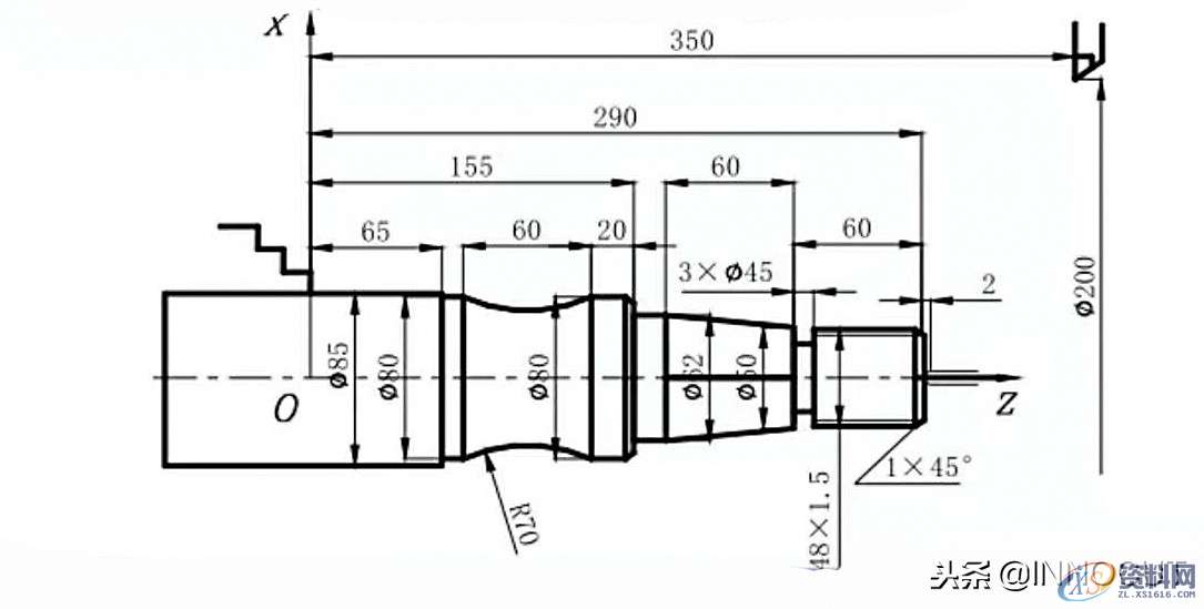
编程实例:精加工,其中直径85MM,外圆不加工,毛坯为85*340MM棒材,材料为45钢。




好了,今天的文章到这里就结束了,喜欢我们的小伙伴可以点击关注哦,我们下期不见不散,拜拜!
1;所有标注为智造资料网zl.fbzzw.cn的内容均为本站所有,版权均属本站所有,若您需要引用、转载,必须注明来源及原文链接即可,如涉及大面积转载,请来信告知,获取《授权协议》。
2;本网站图片,文字之类版权申明,因为网站可以由注册用户自行上传图片或文字,本网站无法鉴别所上传图片或文字的知识版权,如果侵犯,请及时通知我们,本网站将在第一时间及时删除,相关侵权责任均由相应上传用户自行承担。
[complaint:内容投诉]
智造资料网打造智能制造3D图纸下载,在线视频,软件下载,在线问答综合平台 » 数控车削编程指令大全与实例介绍,内容简单详细!

