塑胶模具设计之笔记本电源适配器插头设计方法

1. 产品介绍

本文老师以笔记本电源适配器插头注塑模具设计为例,重点介绍嵌件在模具中的安装形式和注意事项。笔记本电源适配器是笔记本电脑工作的动力之源,里面是个高品质的开关电源,其工作原理与彩电等家电中的开关电源是一样的,它的作用是为笔记本电脑提供稳定的低压直流电(一般在12~19V之间)。笔记本的电源适配器均为全密封小体积设计,而其消耗的功率一般可达35~90W,所以内部温度较高,特别是在炎热的夏天,触摸工作中的电源适配器会有烫手的感觉。

每个笔记本电源适配器都带有一个插头,插头组装在笔记本电源适配器的一个端面,用来连接电源线。插头的四周都有一个槽,笔记本电源适配器的上下壳卡在这个槽里,通过超声波焊接组装在一起,如图1所示。插头上有3个铜电极,分别嵌在塑件的3个孔里,这3个铜电极1大2小,两种尺寸规格,见图3,需要注塑前插在模具里准确定位,这3个铜电极需要做好平行度,其平行度不能超过0.03.因此,此套模具关键在于插针以及插针后的顶出。

塑胶模具设计之笔记本电源适配器插头设计方法,模具设计,塑胶,第1张图1笔记本电源适配器及插头照片

2. 产品分析

根据前面的描述,笔记本电源适配器内部温度较高,塑料在高温下长期工作会有老化,因此,笔记本电源适配器插头的材料需要有抗老化性。通常选用PC原料(不能使用抽粒料)作为插头的注塑材料。注塑时,为了节约成本,注塑厂家往往会在PC料里掺进水口料,这样会使插头的耐老化性能大大降低,因而,正常的注塑工艺要求,水口料不得超过5%,插头的生产批量非常大,这就要求模具的型腔数量较多才使注塑能够经济进行。

经过分析,本套模具选择了1出12的设计,插头外表面有类似于蚀纹的火花纹,不得存在进胶口和顶出痕迹,也不得存在气纹、熔接痕、银丝、烧焦等各种注塑缺陷。

塑胶模具设计之笔记本电源适配器插头设计方法,模具设计,塑胶,第2张图2笔记本电源适配器插头3D图

塑胶模具设计之笔记本电源适配器插头设计方法,模具设计,塑胶,第3张图3铜电极图纸

3. 模具设计要点

1. 制品材料为PC原料,缩水率选择1.006.

2. 模具排位采用1出12,两排排位,大水口侧面进胶,模具设计紧凑。

塑胶模具设计之笔记本电源适配器插头设计方法,模具设计,塑胶,第4张图4笔记本电源适配器定模图

3. 模胚采用LKM CI3045,钢材采用预硬化钢材NAK80.

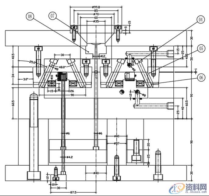
4. 分型面设计见图4~图11,塑件的外观面处于动模,塑件的3个铜电极处分别设计了3个司筒,铜电极插在司筒针里,由3个司筒顶出塑件,塑件除司筒外没有顶针,只有流道设计了顶针。

5. 司筒针的插铜针的口部,需要设计R0.1的圆角,以免损伤和刮花铜电极的电镀层。

塑胶模具设计之笔记本电源适配器插头设计方法,模具设计,塑胶,第5张图5笔记本电源适配器动模图

6. 注意司筒针的底部固定方式,为了确保司筒针的长度,司筒针的底部采用压块固定,避免了螺丝固定的弊端,见图6.

7. 本套模具有36支司筒,司筒需要可靠的导向,因而模具设计了中托司。

塑胶模具设计之笔记本电源适配器插头设计方法,模具设计,塑胶,第6张

8. 本套模具有36支铜电极需要在注塑前插入模具动模司筒针中,司筒针的插铜电极内孔,制造公差比铜电极大0.03,如果间隙过大,则会造成合模时,铜电极晃动造成歪斜,间隙过小则铜电极插入困难从而耗时,影响注塑周期。铜电极相对应的定模,则需要较大的间隙,单边0.05以上,此处不封胶,可以做大一些。

塑胶模具设计之笔记本电源适配器插头设计方法,模具设计,塑胶,第7张图6 笔记本电源适配器模具剖视图

9. 两种规格的铜电极,数量达36支,需要两人插针,操作侧一人,反操作侧一人,依次规定好每个人的作业位置。

塑胶模具设计之笔记本电源适配器插头设计方法,模具设计,塑胶,第8张图7 笔记本电源适配器模具剖视图 (续)

塑胶模具设计之笔记本电源适配器插头设计方法,模具设计,塑胶,第9张图8 笔记本电源适配器动模3D图

塑胶模具设计之笔记本电源适配器插头设计方法,模具设计,塑胶,第10张图9定模

10. 水口料的剪切,如图13所示,注塑完成后,由于模具结构的原因,较难实现全自动注塑生产,流道和制品的分离需要大量的人工来完成,为此,设计了切水口治具,安装在手动冲床上使用,极大地提高了效率。

塑胶模具设计之笔记本电源适配器插头设计方法,模具设计,塑胶,第11张图10 动模

塑胶模具设计之笔记本电源适配器插头设计方法,模具设计,塑胶,第12张图11插头及流道照片

塑胶模具设计之笔记本电源适配器插头设计方法,模具设计,塑胶,第13张图12动模实物照片

东莞潇洒职业培训学校目前开设课程有:学历提升、积分入户、数控编程培训、塑胶模具设计培训,压铸模具设计培训、冲压模具设计培训,精雕、ZBrush圆雕培训、Solidworks产品设计培训、pro/E产品设计培训、AutoformR7工艺分析培训,非标自动化设计、PLC编程、CNC电脑锣操机、平面设计等培训,潇洒职业培训学校线下、线上等网络学习方式,随到随学,上班学习两不误,欢迎免费试学!
联系电话:13018636633(微信同号)  QQ:1740467385
学习地址:东莞市横沥镇

免责声明:
1;所有标注为智造资料网zl.fbzzw.cn的内容均为本站所有,版权均属本站所有,若您需要引用、转载,必须注明来源及原文链接即可,如涉及大面积转载,请来信告知,获取《授权协议》。
2;本网站图片,文字之类版权申明,因为网站可以由注册用户自行上传图片或文字,本网站无法鉴别所上传图片或文字的知识版权,如果侵犯,请及时通知我们,本网站将在第一时间及时删除,相关侵权责任均由相应上传用户自行承担。
[complaint:内容投诉]
智造资料网打造智能制造3D图纸下载,在线视频,软件下载,在线问答综合平台 » 塑胶模具设计之笔记本电源适配器插头设计方法