1, 冲压件构形原则
2,弯曲件构形原则
3,拉深件构形原则
第一章 常用金属材料
常用冲压材料:
1.冷轧低碳钢
SPCC 冷轧低碳钢(Steel Plate Cold Commercial),普通品质。
SPCD 冷轧拉深钢(Steel Plate Cold Deep Drawn),降低了碳、锰、磷、硫等元素的含量,拉伸性好。
SPCE 冷轧深拉深钢(Steel Plate Cold Deep Drawn Extra),进一步降低碳、锰、磷、硫等元素含量,拉伸性更佳。
2.电解镀锌钢
电解镀锌钢是以上述三类冷轧钢板为基材,经过电解镀锌等表面处理后的一种冷轧钢,其化学成份,机械性能与上述冷轧钢相近:
SECC 冷轧电解板(Steel Electrolytic Cold Commercial)。
SECD 冷轧拉深电解板(Steel Electrolytic Cold Deep Drawn)。
SECE 冷轧深拉深电解板(Steel Electrolytic Cold Deep Drawn Extra)。
3 不锈钢,如SUS301/302/303/403/430等等,主要用于制作弹片,外表装饰片以及对防锈有要求的零件。
4 其他,如青铜、黄铜,主要用于端子,导电部件等。
钣金件的设计原则
在设计产品零件时,必须考虑到容易制造的问题。尽量想一些方法既能使加工容易,又能使材料节约,还能使强度增加,又不出废品。为此设计人员应该注意以下制造方面事项。
板金件的工艺性问题,是指零件在冲切、弯曲、拉伸加工中的难易程度。良好的工艺应保证材料消耗少,工序数目少,模具结构简单,使用寿命高,产品质量稳定。在一般情况下,对板金件工艺性影响最大的是材料的性能、零件的几何形状、尺寸和精度要求。
第一节 冲切件构形原则
冲切件的构型原则
冲切件的形状应尽量简单,尽量避免切件上的过长的悬臂狭槽。
如2.1-1图:
对一般钢 A≥1.5t
对合金钢 A≥2t
对黄铜、铝 A≥1.2t
t—材料厚度。

冲切弃料最少以减少料的浪费
如 2.1—2b图,稍稍更改设计,就会得到更多的零件,将大大节约材料。

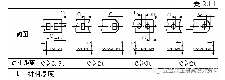
1.最小冲孔边距和孔间距
最小边距和孔间距。零件上冲孔设计应考虑留有合适的孔边距和孔间距以免冲裂。最小孔边距和孔间距见2.1—1表。

2.最小冲孔直径或方孔的最小边长
冲孔时,应受到冲头强度的限制,冲孔的尺寸不能太小,否则容易损坏冲头。最小冲孔直径及最小边长见2.1—2表。
2.1—2表

3.螺钉、螺栓的过孔和沉头座
螺钉、螺栓过孔和沉头座的结构尺寸按下表选取。对于沉头螺钉的沉头座,如果板材太薄难以同时保证过孔d2和沉孔D,应优先保证过孔d2。
表2.1-3 用于螺钉、螺栓的过孔

表2.1-4 用于沉头螺钉的沉头座及过孔

表2.1-5 用于沉头铆钉的沉头座及过孔

*要求钣材厚度t≥h。
4 板金件常用自攻螺钉底孔、翻边孔直径及 翻边高度。见表2.1—6。
表2.1—6

5. 加工螺纹的内孔翻边,结构示意图如图2.1-3所示, 尺寸参数 如表2.1-7。
表2.1-7 带螺纹孔的内孔翻边尺寸参数

图2.1-3

6.设计图纸中毛刺的标注要求(如图2.1-5)
* 毛边方向:BURR SIDE。
* 需要压毛边的部位:COIN或COIN CONTINUE 。一般不要整个结构件断口全部压毛边,这样会增加成本。尽量在下面情况使用:暴露在外面的断口;人手经常触摸到的锐边;需要过线缆的孔或槽;有相对滑动的部位。
图2.1-5 钣金结构设计图纸中毛刺的标注示例

7.冲裁件毛刺的极限值及设计标注
冲裁件毛刺超过一定的高度是不允许的,冲压件毛刺高度的极限值(mm)见下表2.1-10。
表2.1-10 冲压件毛刺高度的极限值

注:f级(精密级)适用于较高要求的零件;m级(中等级)适用于中等要求的零件;g级(粗糙级)适用于一般要求的零件。

第二节 弯曲件结构原则
1 板件最小弯曲半径
板件弯曲时,若弯曲处的圆角R过小(如图2.2-1),则外表面容易产生裂纹。若弯曲圆角过大,因受到回弹的影响,弯曲件的精度不易保证。为此规定最小弯曲半径。见表2.2-1。

2 弯曲的直边高度不宜过小,否则不易成形足够的弯矩,很难得到形状准确的零件。其值h≥R+2t方可。见图2.2-2。

3 弯曲边冲孔时,孔边到弯曲半径R中心的距离L不得过小,以免弯曲成型后会使孔变形。其值L≥2t方可。见图2.2-3。

4.防止弯曲后,产生回弹的切口形式,如图2.2-9。

5.凸部的弯曲
若像下图2.2-13a那样弯曲线和阶梯线一致,有时会在根部开裂变形。所以使弯曲线让开阶梯线如图b,或设计切口如c、d那样。

6.斜边的折弯边应避开变形区,如图2.2-15所示。

7 注弯曲件相关尺寸时,要考虑工艺性
图2.2-17 弯曲件标注示例

如上图2.2-17所示所示, a)先冲孔后折弯,L尺寸精度容易保证,加工方便。b)和c)如果尺寸L精度要求高,免费领取UG资料、学习视频、学历提升请联系:一三零一八六三九九七七,则需要先折弯后加工孔,加工麻烦.
8.高零件强度的合理构型
对较长的板金件为了提高其强度,应该设计加固筋。筋的形状、尺寸及适宜间距见表2.2-3。

9.在弯曲件的弯角处再作弯折,能起到筋条的加强作用,如图2.2-19。角部处加强筋的形状、尺寸及筋间距见表2.2-2。


第三节 拉深件的构形原则
1 拉伸件一般构形原则
拉深件的形状应尽量简单、对称。
拉深件各部分尺寸比例要恰当,尽量避免设计宽凸缘和深度大的拉深件。免费领取UG资料、学习视频、学历提升请联系:一三零一八六三九九七七,(D凸>3d,h≥2d)因为这类零件要较多的拉深次数。
拉深件的圆角半径要合适,圆角半径尽量取大些,以利于成型和减少拉深次数。
2 拉深件的圆角半径要求如表2.3-1所示。

3.防止拉深时产生扭曲变形,A、B宽度应相等(对称)即A=B,如下图2.3-2。

东莞潇洒职业培训学校开设课程有:高升专、专升本学历提升、全日制中职学校学位、积分入户、数控编程培训、塑胶模具设计培训,压铸模具设计培训、冲压模具设计培训,精雕、ZBrush圆雕培训、Solidworks产品设计培训、pro/E产品设计培训、AutoformR7工艺分析培训,非标自动化设计、PLC编程、CNC电脑锣操机、文职培训、电商培训、平面设计等培训、电商培训,潇洒职业培训学校线下、线上等网络学习方式,随到随学,上班学习两不误,欢迎免费试学!
联系电话:13018639977(微信同号)QQ:2033825601
学校官网:www.dgxspx.com 智造人才网:www.58hr.net
学习地址:东莞市横沥镇新城工业区兴业路121号-潇洒职业培训学校1;所有标注为智造资料网zl.fbzzw.cn的内容均为本站所有,版权均属本站所有,若您需要引用、转载,必须注明来源及原文链接即可,如涉及大面积转载,请来信告知,获取《授权协议》。
2;本网站图片,文字之类版权申明,因为网站可以由注册用户自行上传图片或文字,本网站无法鉴别所上传图片或文字的知识版权,如果侵犯,请及时通知我们,本网站将在第一时间及时删除,相关侵权责任均由相应上传用户自行承担。
[complaint:内容投诉]
智造资料网打造智能制造3D图纸下载,在线视频,软件下载,在线问答综合平台 » 冲压模具设计:五金冲压零件设计准则

