从一套小模具认识法国模具的设计理念

​1. 引言

本文以一套小型注塑模设计为例,全面介绍了出口法国的塑胶注塑模具的设计理念。法国是工业发达的欧洲国家,欧洲是世界上模具工业最发达的地区之一,法国注塑模具的标准是 ROUBARDIN 标准,著名的德国 HASCO标准在法国也有采用。欧洲的模具具有高效,精密和长寿命的优势,而决定模具可靠性的最重要的因素除了模具设计和模具保养外,还取决于模具钢材和热处理方法以及模具的加工工艺。一套优质的模具应该充分了解和满足客人的需求并且是符合客户理念的,为不同客户的不同产品而度身定制的解决方案。

不同的文化理念,决定了不同的模具结构形式,出口模具的观念就是所设计的模具要符合客人的设计理念。

客户满意是判断模具合格的唯一标准,我们要生产客人满意的,客人想要的高品质模具。品质观念,包括模具外观,使客人认为模具是为他们度身定造的,精工细作的。例如,后模抛光,前后模同样重要的观念,模具外表的美观都要受到重视。有条件的大型出口模具厂,需要对客户分类管理,不同的客户要求不同,分客户制定不同的模具制造工艺标准,满足其需求。真材实料制做,材料代用等要向客人提前沟通,并取得同意。

成本观念,满足强度的前提下,不能肥头大耳,造成钢材浪费和注塑生产效率的浪费。选择符合客户需要的适当的模具标准件。纳期,则是信誉的体现。

资料的完整性,包括模具设计图纸,模具使用说明书,材质证明书,热处理证明书,样板品质报告,装箱清单等等,都是非常重要的。大数据时代,机床、设备、先进的材料、刀具和先进的软件都可以通过金钱购买,而大数据则是买不来的,或者买来的并不适合自己。


2. 产品分析

塑件为塑料轴承外圈,见图 1,材料为 Delrin 100 NC-10 natur,此材料为 POM 的一种,俗称特灵,它是一种

高结晶聚合物,具有表面光滑、有光泽、吸水性小尺寸稳定、耐磨、强度高、自润滑性好、着色性好,耐油、耐

过氧化物。POM 具有较好的综合性能,在热塑性塑料中是最坚硬的,是塑料材料中力学性能最接近金属的品种之

一,其抗张强度、弯曲强度、耐疲劳强度,耐磨性和电性能都十分优良,可在-40℃--100℃之间长期使用。特灵广

泛应用于制作齿轮、轴承等零件,也可以制作高级小家电外壳,例如高档电动牙刷的外壳。

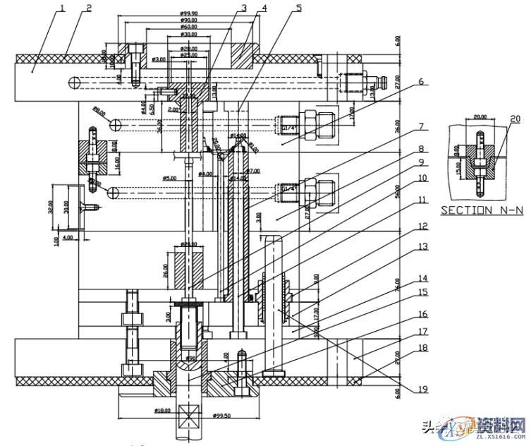
塑件尺寸较小,结构也很简单,模具结构图见图 2。

从一套小模具认识法国模具的设计理念,模具,水口,设计,排气,第1张

图 1 轴承外圈产品图

3. 模具设计要点

3.1 水口自动分离

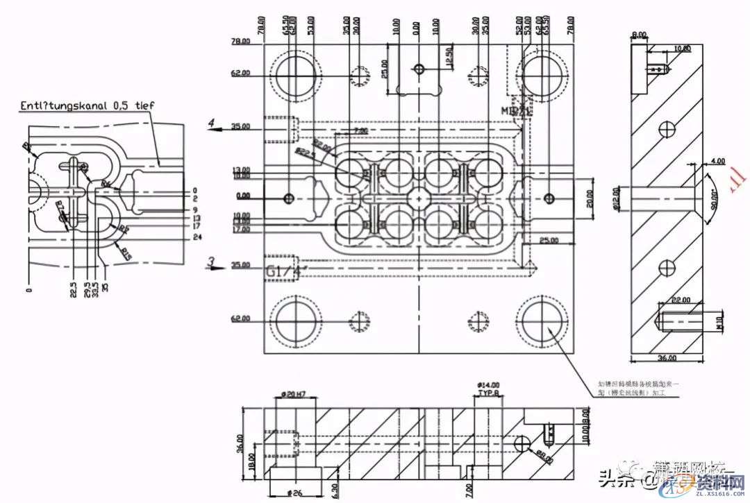
法国模具的特点是全自动成型,尽可能采用热流道(热嘴)进胶,或者潜水,香蕉(牛角)入水,所有水口都必须自动切断,自动掉落。根据制品的尺寸和结构特点,本套模具采用 1 出 8 的设计,进胶方式为潜水口在制品侧面进胶,见图 5 模具设计图(续),开模时能够自动分离。所有模具避免普通大水口进胶,靠人工后加工剪除水口才能实现水口与产品分离这样,一来因为人力成本高,人工后加工剪除水口差异性大,人工剪除水口要用水口钳或者刀,胶件易刮伤而产生不良,人也易受伤易疲劳。因而人工剪切水口料是不符合客人理念的。

从一套小模具认识法国模具的设计理念,模具,水口,设计,排气,第2张

图 2 模具设计图

3.2 浇口套形式

欧洲模具的浇口套端面通常是平面的,与国内的球面有所不同,而法国模具的浇口套端面也是平面,但进浇口是一段 120°倒锥面,这是由于注塑机的精度不同,注塑机的炮嘴端面结构也不同。浇口套 3 结构见图 3。更多结构请参考 ROUBARDIN 标准。


3.3 温控系统设计

在热塑性塑料射出成型的周期中,模具的冷却时间占整个周期的 80%以上,有效的冷却回路设计可减少冷却时间,因而增加总生产量,另外均匀的冷却可降低因热传不均而产生的残余应力,从而控制成品翘曲,,以维持成形品尺寸的精准度和稳定性,进而改善产品的质量。法国模具将整个模具视作一个独立的温控系统,为减少与注塑机的热量传导,在面板 1 与底板 17 均分别设计了隔热板 2 和隔热板 18,面板 1 也设计了冷却回路,见图 5。良好的运水设计,有效的降低了注塑周期。法国模具运水接头一般采用史陶比尔(Staubli)品牌。

从一套小模具认识法国模具的设计理念,模具,水口,设计,排气,第3张

图 3 法国模具浇口套

从一套小模具认识法国模具的设计理念,模具,水口,设计,排气,第4张

图 4 模具设计图(续) 3.4 排气设计

本套模具没有镶模仁,型腔直接做在 A 板 6 上,型芯直接做在 B 板 8 上。POM 塑料具有腐蚀性,因此 A 板 6 和 B 板 8 均采用 S136 制作,并热处理 HRC48-52。注射的过程中,模穴(型腔)的空气必须顺利排出,塑料才能

顺利充填。排气不良时,产品(制件)表面会有困气造成的气泡、甚至是焦痕。排气系统设计见图 4 及图 7,排气系统设计的重要性已经得到模具厂家的重视。但是国内很多厂家对于排气的设计制作不是很规范,有些厂家虽然也做排气,排气是等到试模后,根据样品情况由模具钳工补充制作排气,这样一来排气的制作完全随做模师傅的个

从一套小模具认识法国模具的设计理念,模具,水口,设计,排气,第5张

图 5 模具设计图(续)

人经验来做,存在很大的盲目性,排气数据也没有反应在模具图面上,完全不利于数据的积累和经验的传承与总结。出口法国的模具,排气必须事先设计在模具图面上,排气制作也完全按照图纸加工,很多情况下,模具排气位置的确定需要按照模流分析的结果来判断。模具设计和制造的其他技术要求也要标注在模具图上,因此,设计出口模具,模具结构 2D 图是必须的,它反映了模具设计的理念,不是可有可无的。


3.5 导向与定位系统设计

整套模具设计使用了欧洲模胚的设计特点,即模胚导柱 3 大 1 小,板厚和模板末尾带 6,所有模板之间有导柱露头定位,导柱前模插后模导套。前模面板和后模底板分别设计了一个定位圈 4 和 16,这是欧洲模具的特点。

模具导柱和导套之间存在间隙,因此模具必须设计精密定位块 20,3 组精定位全部设计在模板中间,减少热胀后的误差。

顶针板的导向,设计了顶针板导柱 19 和滚珠导套 12,顶针板导柱 19 的顶部与 B 板之间有 3mm 间隙,这种设计的顶针板精度较高。模具没有回针,制品的顶出采用了司筒顶出,而水口料则用圆顶针顶出,注塑机对顶针板的顶出,采用欧洲惯常使用的强拉强顶形式,即顶针板的顶出和回位都是采用拉杆,通过注塑机的顶出和回位动作,拉动顶针板回位,这种顶出方式的特点是,顶出和回位可靠、准确,有效降低注塑周期,利于全自动注塑。

设计强拉强顶时,必须注意模胚上不能有回针,或者在回针上面不能套弹簧,否则会使顶针板受力变形。

从一套小模具认识法国模具的设计理念,模具,水口,设计,排气,第6张

图 6 模具设计图(续)

3.6 垃圾钉

在欧洲模具中,顶针板底部通常不做垃圾钉,开设垃圾槽,对于小型模具或者既不做垃圾钉也不开设垃圾槽,本套模具就属于后者。


3.5 吊模梁设计

出口模具的起吊是很重要的,如图 6 所示,专门设计吊模梁,计算重心位置,设计起吊螺栓孔。吊模梁需要涂上红色油漆,提示操作者,在注塑机上必须取掉才能作业。

东莞潇洒职业培训学校开设课程有:高升专、专升本学历提升、全日制中职学校学位、积分入户、数控编程培训、塑胶模具设计培训,压铸模具设计培训、冲压模具设计培训,精雕、ZBrush圆雕培训、Solidworks产品设计培训、pro/E产品设计培训、AutoformR7工艺分析培训,非标自动化设计、PLC编程、CNC电脑锣操机、文职培训、电商培训、平面设计等培训、电商培训,潇洒职业培训学校线下、线上等网络学习方式,随到随学,上班学习两不误,欢迎免费试学!

联系电话:13018639977(微信同号)QQ:2033825601

学校官网:www.dgxspx.com 智造人才网:www.58hr.net

学习地址:东莞市横沥镇新城工业区兴业路121号-潇洒职业培训学校

4. 结束语

国内很多从业者,接触出口模具较少,把出口欧洲和美国的模具混为一谈,实际上欧洲和美国的模具相似的地方较少,不能统称欧美模具。出口模具的设计一定要符合客户的设计理念,全球不同地域的客户对注塑模具有不同的理念,这是由不同的文化理念所决定的。出口模具的设计需要熟悉客户的模具标准,严格按照客户的模具式样书(MOULD SPECIFICATION)设计。注重尺寸检测,严格按模具零件图纸加工,杜绝人工配作等传统的落后的工艺。我们要不断学习欧洲先进的技术及管理理念, 努力提高企业自身的核心优势和竞争力。

从一套小模具认识法国模具的设计理念,模具,水口,设计,排气,第7张

图 7 A 板及其排气槽


免责声明:
1;所有标注为智造资料网zl.fbzzw.cn的内容均为本站所有,版权均属本站所有,若您需要引用、转载,必须注明来源及原文链接即可,如涉及大面积转载,请来信告知,获取《授权协议》。
2;本网站图片,文字之类版权申明,因为网站可以由注册用户自行上传图片或文字,本网站无法鉴别所上传图片或文字的知识版权,如果侵犯,请及时通知我们,本网站将在第一时间及时删除,相关侵权责任均由相应上传用户自行承担。
[complaint:内容投诉]
智造资料网打造智能制造3D图纸下载,在线视频,软件下载,在线问答综合平台 » 从一套小模具认识法国模具的设计理念