海天酱油上盖注塑模具设计(同类模具设计一定能用上的参考知识) ...

海天酱油盖,顾名思义,是海天酱油的包装瓶盖。

海天的灌装生产线坐落在全封闭恒温恒湿环境内,由计算机系统控制,全程无人为因素污染。瓶子杀菌消毒、酱油灌装、瓶体封盖的整个过程都是在全封闭的无菌灌装空间内完成。在自动化控制的灌装线上,要求酱油包装瓶子尺寸规格一致,瓶盖无变形,瓶盖的重量误差控制在一定的范围内。

海天酱油上盖注塑模具设计(同类模具设计一定能用上的参考知识) ...,海天酱油上盖注塑模具设计(同类模具设计一定能用上的参考知识),模具设计,注塑,第1张

图1 海天酱油盖上下盖组合图

海天酱油上盖注塑模具设计(同类模具设计一定能用上的参考知识) ...,海天酱油上盖注塑模具设计(同类模具设计一定能用上的参考知识),模具设计,注塑,第2张

图2 海天酱油盖上盖产品图

海天酱油盖分为上盖和下盖两部分,下盖固定在酱油瓶上,顶部有防伪拉环,上盖与下盖用螺纹连接,上盖顶部有海天 Logo,海天酱油盖上下盖组合图见图 1,要求组合后瓶盖有密封作用,外观美观,间隙均匀,无变形, 能够满足自动化灌装。

在之前的文章里,已经对于海天酱油盖下盖的注塑模具结构做了详细介绍,本文只介绍海天酱油盖上盖注塑模具设计要点。海天酱油盖上盖产品图见图 2,产品最大外形尺寸为Φ33.2 mm x 11.87 mm,塑件平均胶位厚度1. 0 mm,塑件材料为 PP,缩水率为 1.015,从图 2 可以看出,塑件内部有不到 2 圈内螺纹,塑件顶部外表面有海天 Logo,模具设计的难点为浇注系统设计和脱螺纹方式的选择。

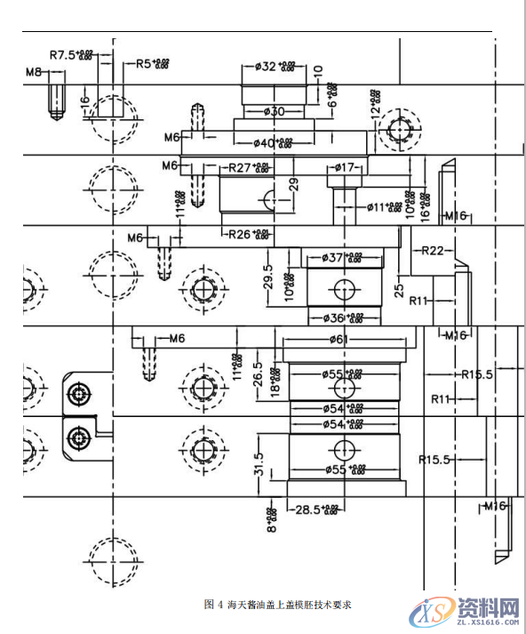
海天酱油盖塑件的生产批量巨大,模具应以多穴为宜,本套模具设计了 1 出 32 腔。由于模具结构的特殊性, 模胚为非标模胚 4870,多腔瓶盖类模具对于模胚的加工要求很高,每块模板上相对应的孔的同心度为 0.015,孔径公差为+0.02,孔的中心距公差为± 0.015,海天酱油盖上盖模胚技术要求见图 4。在模胚的四边分别设计一个零度定位块,便于模具准确合模。

塑件内部有不到 2 圈内螺纹,对于需要脱螺纹的模具,需要分析螺纹的牙型、螺距和深度。如果螺纹螺距较小,两个螺牙之间空间距离较小,且牙型细而尖锐,螺纹圈数多,这种螺纹一般较难强脱。一般圈数在 3 圈以下的粗牙螺纹,即瓶盖螺纹,常用强脱的方式脱螺纹。海天酱油盖上盖即是采用了强脱的方式脱螺纹,模具结构图见图 3.

海天酱油盖上盖顶部有海天Logo,如果在顶部设计点浇口,则会影响瓶盖外观。为此,采用了倒装模具的结构,在瓶盖的里面进胶。多腔模具塑料的流程较长,为了便于塑料流动,降低注射压力,采用了热流道进胶方式。热流道系统用 8 个热嘴进胶,每个热嘴供应 4 腔模具,熔融塑料经热嘴进入水口板与前模托板的分模面后,再用细水口的流道方式在瓶盖里面一点进胶。

模具分四次开模分型,第一次为PL1 分开 160,塑件包紧在前模芯子上从后模分离,第二次为PL2 分开 130, 取出浇注系统凝料。第三次为 PL3 分开 10,作用是水口板将浇注系统凝料推出跌落。第四次为推件板将塑件从前模芯子上推出,至此,模具开模动作结束。

模具投入使用后,经过了长期生产实践的考验,实践表明,该模具设计合理,生产效率高,故障少,可供同类模具设计参考。

海天酱油上盖注塑模具设计(同类模具设计一定能用上的参考知识) ...,海天酱油上盖注塑模具设计(同类模具设计一定能用上的参考知识),模具设计,注塑,第3张

海天酱油上盖注塑模具设计(同类模具设计一定能用上的参考知识) ...,海天酱油上盖注塑模具设计(同类模具设计一定能用上的参考知识),模具设计,注塑,第4张

海天酱油上盖注塑模具设计(同类模具设计一定能用上的参考知识) ...,海天酱油上盖注塑模具设计(同类模具设计一定能用上的参考知识),模具设计,注塑,第5张

海天酱油上盖注塑模具设计(同类模具设计一定能用上的参考知识) ...,海天酱油上盖注塑模具设计(同类模具设计一定能用上的参考知识),模具设计,注塑,第6张

海天酱油上盖注塑模具设计(同类模具设计一定能用上的参考知识) ...,海天酱油上盖注塑模具设计(同类模具设计一定能用上的参考知识),模具设计,注塑,第7张

海天酱油上盖注塑模具设计(同类模具设计一定能用上的参考知识) ...,海天酱油上盖注塑模具设计(同类模具设计一定能用上的参考知识),模具设计,注塑,第8张
我们是知识搬运工,我们是技术传播者!
东莞潇洒职业培训学校开设课程有:CNC数控编程、塑胶模具设计,压铸模具设计、冲压模具设计, Solidworks/pro/E产品设计、AutoformR7工艺分析,非标自动化设计、PLC编程、文职、电商、平面设计、新媒体等培训课程,潇洒职业培训学校线下、线上、随到随学等学习方式,上班学习两不误,欢迎预约免费试学! 
联系电话:18029183455(微信同号)QQ:2799669782
线上免费试学: xsmj.ke.qq.com
免责声明:
1;所有标注为智造资料网zl.fbzzw.cn的内容均为本站所有,版权均属本站所有,若您需要引用、转载,必须注明来源及原文链接即可,如涉及大面积转载,请来信告知,获取《授权协议》。
2;本网站图片,文字之类版权申明,因为网站可以由注册用户自行上传图片或文字,本网站无法鉴别所上传图片或文字的知识版权,如果侵犯,请及时通知我们,本网站将在第一时间及时删除,相关侵权责任均由相应上传用户自行承担。
[complaint:内容投诉]
智造资料网打造智能制造3D图纸下载,在线视频,软件下载,在线问答综合平台 » 海天酱油上盖注塑模具设计(同类模具设计一定能用上的参考知识) ...