专业老师讲解冲压模具料带图的设计

专业老师讲解冲压模具料带图的设计

一.料带布置的设计原则
1.依产品的要求,确定产品在排样时否有纤维方向的要求.
2.依产品展开尺寸大小决定料宽及步骤,决定产品在料带上的布置以达到较高的材料利用率.
3.注意冲切加工时,料条连结部的变形现象 .
4.切刃的形状应尽可能简单化,应避免引起跳屑的形状,形状衔接处应减少,考虑冲头强度.
5.冲导引孔的下一工程应设计导引销以保正料带的送料与定位精度.
6.考虑冲切及料条变形决定冲切形状的顺序.
7.重要的部份应在同一工站至少应在相邻的工站加工.
二.常用带料方式:

专业老师讲解冲压模具料带图的设计,老师,设计,第1张

三.料带的补强设计
在一般的薄材模具设计中,料带的整体强度决定着产品的稳定性,为增加料带的强度,在料带强度较差处的废料上增加补强,提高料带的送料强度.
1.凸包补强:此方法适用于一般较窄料带(150mm以内),模具较短的情况(1500mm以内),设计时需注意,不要因为打补强凸包而增加料带的宽度,凸包高度一般有0.2~0.5mm即可,注意后续工序的让位.

专业老师讲解冲压模具料带图的设计,老师,设计,第2张

2.折弯补强
此补强一般用于较宽料带 (150mm以上) ,模具较长(1500mm以上)的模具当中,也可以与凸包补强两者综合运用,设计时需注意,补强折弯的高度取1.5~2.0mm为宜,多了浪费材料,少了影响补强折弯的质量,90度折弯冲头与材料接触面做平面(如图),有夹角时会因为角度而先接触材料,影响补强折弯的稳定性.

专业老师讲解冲压模具料带图的设计,老师,设计,第3张

专业老师讲解冲压模具料带图的设计,老师,设计,第4张

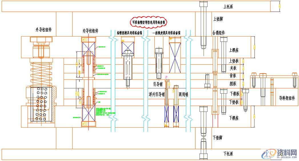
模具结构
薄材模具结构图

专业老师讲解冲压模具料带图的设计,老师,设计,第5张

东莞潇洒职业培训学校开设课程有:高升专、专升本学历提升、全日制中职学校学位、积分入户、数控编程培训、塑胶模具设计培训,压铸模具设计培训、冲压模具设计培训,精雕、ZBrush圆雕培训、Solidworks产品设计培训、pro/E产品设计培训、AutoformR7工艺分析培训,非标自动化设计、PLC编程、CNC电脑锣操机、平面设计等培训,潇洒职业培训学校线下、线上等网络学习方式,随到随学,上班学习两不误,欢迎免费试学!
联系电话:18029180991(微信同号)QQ:3461766451
学校官网:www.dgxspx.com 智造人才网:www.58hr.net
学习地址:东莞市横沥镇新城工业区兴业路121号-潇洒职业培训学校

免责声明:
1;所有标注为智造资料网zl.fbzzw.cn的内容均为本站所有,版权均属本站所有,若您需要引用、转载,必须注明来源及原文链接即可,如涉及大面积转载,请来信告知,获取《授权协议》。
2;本网站图片,文字之类版权申明,因为网站可以由注册用户自行上传图片或文字,本网站无法鉴别所上传图片或文字的知识版权,如果侵犯,请及时通知我们,本网站将在第一时间及时删除,相关侵权责任均由相应上传用户自行承担。
[complaint:内容投诉]
智造资料网打造智能制造3D图纸下载,在线视频,软件下载,在线问答综合平台 » 专业老师讲解冲压模具料带图的设计