内导柱
一. 内导柱功能
内导柱主要用于模板间和上.下模间的导正.
二. 内导柱规格及参数
内导柱规格及参数详见附件:五金零件规格参考图之内导柱,相对应模板尺寸如下.


三. 选用原则
1. 通常选用Φ25的导柱,如果模具比较小也可根据实际情况选用Φ20,Φ16的.
2. 冲孔(或连续)模上模内导柱长度选取原则:一般情况下,开模时内导柱伸出打板面15~20MM,例图(a);当下模定位块(或导料块)等伸出模板面很高时,导柱伸出打板面的长度L=定位块(或导料块)伸出模板面的长度H+(5-7)MM(保証模具闭模过程中,内导柱先导正,定位块后进入打板)例图(b).

四. 排配原则
1. 导柱一般排在模板的四个角上距边35MM处,当导柱较小时,可排距模板边缘30mm处.
2. 如果选用两柱,可排在斜对角,也可根据实际情况排.
3. 在排配过程中要注意防呆,四柱时可选用其中一个大小与其余三个大小不一样或把其中之一移位的方法来防呆;二柱时可选用一大一小的方法来防呆.
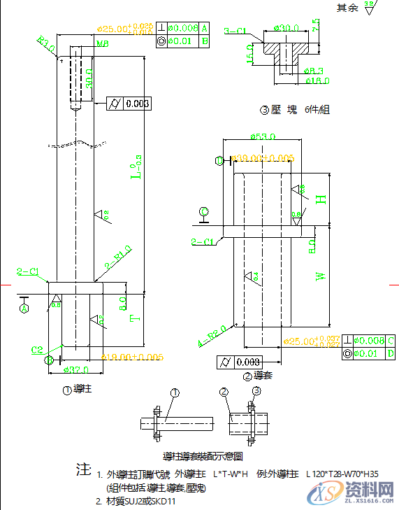
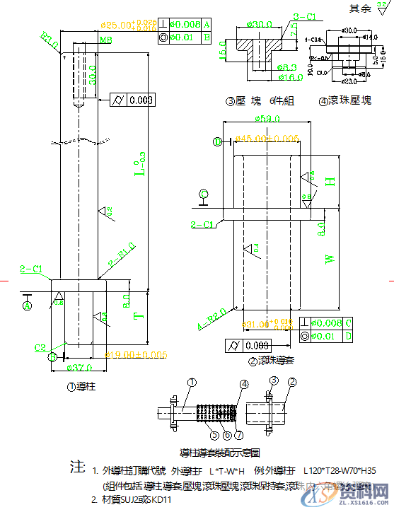
外导柱
一、 外导柱功能
外导柱的功能主要是用于上﹑下模的导正,保证上﹑下模的相对位置.
二、 外导柱规格
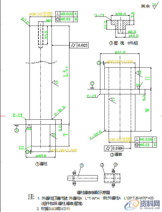
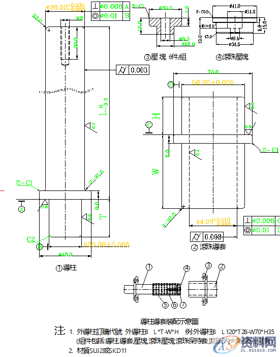
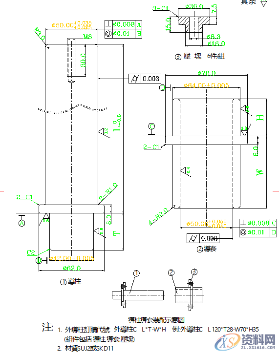
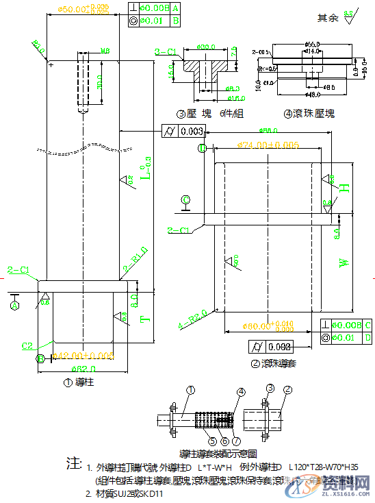
外导柱规格:外导柱A, 外导柱B, 外导柱C, 外导柱D, 外导柱E,外导柱F六种,具体尺寸详见附件“F版标准外导柱导套”.
三、 选用原则
1. 优先选用有珠导柱.
2. 根据模具的大小来适当选用外导柱的数量和大小.
3. 选取外导柱的长度时要注意在合模时模具各部分的导正顺序如下:
外导柱导正 内导柱导正 模具中冲(入)子等零件进入上(或下)模.
四、 排配原则
1. 排四柱和两柱(后柱)时,导柱中心到模座两条直角边的距离尽量相等.如图a.
2. 排二个中柱时,一般排在模座和垫板间,如图b.
3. 连续模中在不影响送料的情况下,导柱一般都装在下模; 工程模中为避免影响冲压作业员的操作,导柱一般都装在上模(后柱可考虑装在下模).
4. 外导柱排布时,注意不要与机械手干涉.
5. 外导柱不能与其它模具零件干涉.
6. 注意导柱(套)固定螺丝孔的中心连线形成的正三角形的一条边应平行于它邻近的上(下)垫板(夹板或模板)的那条边.(如图a、b)

五、 五金零件表(BPA)填写规范
外导柱在BPA表中的书写规范范例:
外导柱A L120*T28-W70*H35
六、 选用注意事项
L与W值以10MM为一阶.
T与H值有28MM和35MM两种规格.
当相配合的模座厚度<40MM时,T或H可取28MM或35MM.
当相配合的模座厚度>=40MM时,T或H取35MM.
BPA表中还必须有锁压块的螺丝M8*30,每对外导柱(套)6个.
如果读者您是在学习模具设计,不懂的模具设计标准,您可以动动小手添加到小编创建的千人交流群,这是一个只属于模具人的圈子。群文件有许多模具公司的设计标准规范,您可以在群文件自行下载!群号获取(关注小编)私信:社群






1;所有标注为智造资料网zl.fbzzw.cn的内容均为本站所有,版权均属本站所有,若您需要引用、转载,必须注明来源及原文链接即可,如涉及大面积转载,请来信告知,获取《授权协议》。
2;本网站图片,文字之类版权申明,因为网站可以由注册用户自行上传图片或文字,本网站无法鉴别所上传图片或文字的知识版权,如果侵犯,请及时通知我们,本网站将在第一时间及时删除,相关侵权责任均由相应上传用户自行承担。
[complaint:内容投诉]
智造资料网打造智能制造3D图纸下载,在线视频,软件下载,在线问答综合平台 » 五金模具设计标准-内导柱、外导柱使用标准!内导柱外导柱

