小型多向弯曲件的级进模设计
多向弯曲件的应用普遍,传统的生产方式是采用单工序模冲压,工序分散,半成品需要大量的周转容器和存放场地,所需设备和人力多、劳动强度大、生产周期长、制造成本高,生产效率较低。在当前市场竞争激烈以及招工难、用工荒的条件下,传统的生产方式难以满足企业的生产要求和适应市场客户的需求。
随着现代制造业的迅猛发展,多向弯曲件将向结构复杂化、尺寸细小化及精密化方向发展,应用也将更加广泛。但对于多向弯曲件的成形,大多数企业仍采用多个单工序模组合的方式进行冲压生产,而采用级进模对多向弯曲件进行连续自动冲裁及成形的较少,因为级进模结构复杂,在设计及制造方面的难度较大。
以下介绍一种多向(向上和向下)弯曲件采用级进模成形,不仅可改善零件成形质量、提高生产效率,还可满足大批量生产的需求,并适应机械化、自动化生产的趋势。
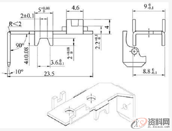
零件结构1
图1零件

图1所示为典型的小型多向弯曲件,该零件的主要成形工序是冲裁和弯曲,冲裁精度要求较高,有向上和向下2个弯曲方向。原生产工艺需4副单工序模完成,包括1副冲孔落料复合模、1副单工序倒角模,2副单工序弯曲模分别完成1个向上和2个向下的弯曲成形。
零件材料为黄铜带H62-Y,料厚为0.8mm,其抗拉强度σb为320MPa,冲压性能接近于冷轧钢板,强度和硬度与08钢相当,所需冲压力不大[1]。零件的尺寸公差要求较高,最小公差为0.08mm,共有3处,公差为0.1mm的尺寸有7处,另有压印字码和倒角,倒角有角度公差要求。零件的5处弯曲均为直角弯曲,弯曲半径小,回弹可控制。
排样设计2
图2 排样方案
(a)材料利用率55.85%

(b)材料利用率53.91%

由于该零件无毛刺面和材料轧制方向的要求,考虑材料利用率可将2个零件反向排列,如图2(a)所示,但此排样方案将给级进模的设计带来困难。综合以上因素,采用单个零件的排样方案,如图2(b)所示,虽然材料利用率比2个零件反向排列稍低,但降低了级进模设计的难度,保证了零件的成形质量和生产效率。

为简化零件的弯曲成形,将大部分弯曲结构向下弯曲成形,少部分弯曲结构向上弯曲成形;为减小条料的送料阻力,尽量先安排向上弯曲成形,后安排向下弯曲成形。最终的排样方案如图3所示。
从图2可以看出,2种排样方式的材料利用率差异不大,选用第2种排样方式使模具结构更简单紧凑。根据零件的结构特点进行工序设计:工序①:冲2个ϕ2.5mm的定位孔;工序②:冲ϕ1.6mm的小圆孔和零件中间的土字形废料;工序③:冲零件一边的工字形废料;工序④:向上弯曲;工序⑤:向上弯曲;工序⑥:向下弯曲;工序⑦:向下弯曲;工序⑧:冲零件另一边废料;工序⑨:挤压成形倒角和压字码;工序⑩:向下弯曲;工序⑪:冲废料;工序⑫:冲废料,零件成形。
模具结构设计3
01
导向与定位
条料送进采用辊式自动送料装置,条料的送进步距有一定误差,只能粗略确定。当条料沿两侧对称布置的导料块进入模具后,导料块对条料进行宽度方向(横向)的粗定位,避免受纵向辊剪开料精度的影响,然后通过第①工序在条料上冲2个ϕ2.5mm的工艺孔作定位孔,从第②工序至最后零件分离始终保持对条料进行导正定位,实现对条料的精定位,保证步距精准。
02
卸料与顶料及零件分离
条料进入模具时由兼具固定卸料板作用的导料块卸料,为便于弯曲成形,在条料切除一边材料后依靠另一边的导料块卸料。
条料进入模具时,由布置在凹模固定板的顶料销顶料,在向上弯曲的凹模内和向下弯曲的凹模侧设置顶料块。向上弯曲和向下弯曲部分的周边废料冲裁后,若采用顶料销顶料会造成送料不畅,可沿条料送进方向布置2个长条形顶料块进行顶料,更安全可靠。

1.上模座 2.上垫板 3.凸模固定板 4.卸料垫板 5.卸料板 6.凹模固定板 7.下垫板 8.下模座 9.顶料销 10.冲孔凹模 11.冲孔凹模 12.冲孔凹模 13.弯曲凹模 14.弯曲顶料块 15.弯曲凸模 16.顶料块 17.顶料块(带气孔) 18.弯曲凹模 19.弯曲凸模 20.冲孔凸模 21.冲孔凸模 22.冲孔凸模
零件最后落料分离后,利用最后工位的一个长条形顶料块的气嘴喷出气流,使零件在气流和自身重力的作用下沿着凹模固定板上的斜坡快速离开模具,保证冲压的连续性。模具结构如图4所示。
03
模具结构特点
凸模固定板、卸料板和凹模固定板采用4个滑动导柱导套定位,此外,还有模架采用的4个滚动导柱导套定位,可提高模具的运动精度,延长模具的使用寿命。为方便模具的维修保养,所有的冲裁凹模、弯曲凸模和凹模均采用镶拼结构。

冲裁向下弯曲的2个U形废料后,零件边缘部分由于应力的作用产生变形,经修正后,将形成零件尺寸为4.6mm处的平行冲裁线改为如图5所示的斜线。


图7 弯曲凹模
为应对可能需要增大弯曲凸模或弯曲凹模尺寸的情况,无论向上弯曲还是向下弯曲,在弯曲凸模和弯曲凹模的工作部分都留下了调整余量,如图6和图7所示,避免改变与其配合的凸模固定板、卸料板或凹模固定板孔的尺寸,减少模具更改的工作量,方便操作,节省模具调整时间。
向上弯曲的弯曲凸模19装在卸料板上,便于控制弯曲尺寸和维修更换。弯曲凸模15和19局部设计凸起,弯曲结束后,弯曲凸模的作用力将集中作用在弯曲变形区,增大弯曲成形的单位压力,克服零件卸载后的回弹,保证弯曲件的弯曲角度要求,如图6所示。

零件倒角成形采用图8所示凸模和凹模,需保证模具闭合后,倒角凸模和倒角凹模之间有间隙,而挤压部分接触材料进行挤压成形以保证倒角的成形质量。
条料的送进需设置顶料销,冲切零件弯曲部分周边的废料后,顶料销的尺寸将会小于废料孔的尺寸,顶料销的浮起将会对条料的送进产生阻碍,为此采用带导入角的长条形顶料块(见图4中的件16、17)进行顶料,保证条料的顶料和送进过程安全可靠、平稳顺畅。

零件与条料分离后,位于模具末端的长条形顶料块,除了起顶料作用外还设计有气孔,如图9所示。通过设置合适的压缩空气气流,可将零件从模具中吹出,在模具末端实现零件的收集,而废料则利用冲床工作台中的出料孔下方进行收集,使零件与废料分开。此成形方式存在的问题是2次冲切线不可避免在直线部分存在交叉,因此对模具的加工精度要求较高,生产过程中必须保证加工精度才能减少毛刺的产生。
东莞潇洒职业培训学校开设课程有:高升专、专升本学历提升、全日制中职学校学位、积分入户、数控编程培训、塑胶模具设计培训,压铸模具设计培训、冲压模具设计培训,精雕、ZBrush圆雕培训、Solidworks产品设计培训、pro/E产品设计培训、AutoformR7工艺分析培训,非标自动化设计、PLC编程、CNC电脑锣操机、平面设计等培训,潇洒职业培训学校线下、线上等网络学习方式,随到随学,上班学习两不误,欢迎免费试学!
联系电话:18029180991(微信同号)QQ:3461766451
学校官网:www.dgxspx.com 智造人才网:www.58hr.net
学习地址:东莞市横沥镇新城工业区兴业路121号-潇洒职业培训学校
1;所有标注为智造资料网zl.fbzzw.cn的内容均为本站所有,版权均属本站所有,若您需要引用、转载,必须注明来源及原文链接即可,如涉及大面积转载,请来信告知,获取《授权协议》。
2;本网站图片,文字之类版权申明,因为网站可以由注册用户自行上传图片或文字,本网站无法鉴别所上传图片或文字的知识版权,如果侵犯,请及时通知我们,本网站将在第一时间及时删除,相关侵权责任均由相应上传用户自行承担。
[complaint:内容投诉]
智造资料网打造智能制造3D图纸下载,在线视频,软件下载,在线问答综合平台 » 小型多向弯曲件的级进模设计

