CAD绘制机械图的过程(图文教程)

    本文以中望CAD2018讲述CAD绘制机械图的过程:

1.我们打开中望CAD2018

CAD绘制机械图的过程(图文教程),CAD绘制机械平面图的过程解说83.png,绘制,教程,第1张

2.然后新建我们的文件,

CAD绘制机械图的过程(图文教程),CAD绘制机械平面图的过程解说98.png,绘制,教程,第2张

3.在开始正式绘图之前,我们需要做好一些准备工作,先要建立好图层,粗实线,中心线,虚线等,然后根据图纸确定线的粗细。

CAD绘制机械图的过程(图文教程),CAD绘制机械平面图的过程解说159.png,绘制,教程,第3张

4.我所绘制的是《油浸变压器装配图》,图纸分为三个部分,左视图、主视图和俯视图。我先画的是油浸式变压器俯视图。

CAD绘制机械图的过程(图文教程),CAD绘制机械平面图的过程解说217.png,绘制,教程,第4张

5. 我发现它的散热片由四个同样的部分组成于是我使用了外部块(按W进入构建块的模式,选择基准点和对象,修改保存文件名字即可。)来构造。

CAD绘制机械图的过程(图文教程),CAD绘制机械平面图的过程解说289.png,绘制,教程,第5张

6. 同样主视图和左视图也有同样的结构我也使用了外部块来画。

CAD绘制机械图的过程(图文教程),CAD绘制机械平面图的过程解说324.png,绘制,教程,第6张CAD绘制机械图的过程(图文教程),CAD绘制机械平面图的过程解说325.png,绘制,教程,第7张

    构建好外部块以后选择插入中的块来插入。

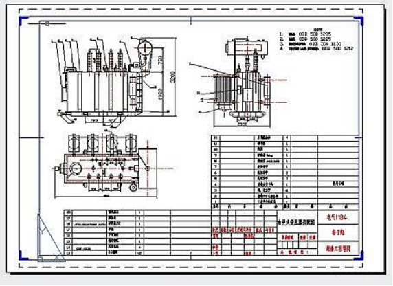
7.其他部分则由圆、直线、倒角的镜像、平移、修剪等工具来实现,不懂的地方通过询问同学和百度来查找,最终画好各视图后便如下图。

CAD绘制机械图的过程(图文教程),CAD绘制机械平面图的过程解说412.png,绘制,教程,第8张

8.书写部件技术参数和保存即可(如下图)

CAD绘制机械图的过程(图文教程),CAD绘制机械平面图的过程解说435.png,绘制,教程,第9张

免责声明:
1;所有标注为智造资料网zl.fbzzw.cn的内容均为本站所有,版权均属本站所有,若您需要引用、转载,必须注明来源及原文链接即可,如涉及大面积转载,请来信告知,获取《授权协议》。
2;本网站图片,文字之类版权申明,因为网站可以由注册用户自行上传图片或文字,本网站无法鉴别所上传图片或文字的知识版权,如果侵犯,请及时通知我们,本网站将在第一时间及时删除,相关侵权责任均由相应上传用户自行承担。
[complaint:内容投诉]
智造资料网打造智能制造3D图纸下载,在线视频,软件下载,在线问答综合平台 » CAD绘制机械图的过程(图文教程)