冲压模具设计标准,这些你必须掌握

冲压模具设计标准,这些你必须掌握,冲压模具设计标准,这些你必须掌握,工件,弯曲,半径,材料,第1张

一丶开模高度

冲压模具设计标准,这些你必须掌握,冲压模具设计标准,这些你必须掌握,工件,弯曲,半径,材料,第2张

開模高度是指:
模座、上下模板、上下公夾板、墊板、上下脫料板、與其它組件組成的總高度,以模具性能為定來設計以上板塊。


二丶展开尺寸计算方法

冲压模具设计标准,这些你必须掌握,冲压模具设计标准,这些你必须掌握,工件,弯曲,半径,材料,第3张
冲压模具设计标准,这些你必须掌握,冲压模具设计标准,这些你必须掌握,工件,弯曲,半径,材料,第4张
冲压模具设计标准,这些你必须掌握,冲压模具设计标准,这些你必须掌握,工件,弯曲,半径,材料,第5张
冲压模具设计标准,这些你必须掌握,冲压模具设计标准,这些你必须掌握,工件,弯曲,半径,材料,第6张
冲压模具设计标准,这些你必须掌握,冲压模具设计标准,这些你必须掌握,工件,弯曲,半径,材料,第7张
冲压模具设计标准,这些你必须掌握,冲压模具设计标准,这些你必须掌握,工件,弯曲,半径,材料,第8张
冲压模具设计标准,这些你必须掌握,冲压模具设计标准,这些你必须掌握,工件,弯曲,半径,材料,第9张
冲压模具设计标准,这些你必须掌握,冲压模具设计标准,这些你必须掌握,工件,弯曲,半径,材料,第10张

三丶冲裁间隙

冲压模具设计标准,这些你必须掌握,冲压模具设计标准,这些你必须掌握,工件,弯曲,半径,材料,第11张

四丶搭边参数


搭边定文:两冲救件间的余料及冲软件与条料边缘间的余料称为搭边


A1AA1AA1A0.25以下1.82.02.22.52.83.00.25-0.51.21.51.82.02.22.50.5-0.81.01.21.51.81.82.00.8-1.20.81.01.21.51.51.81.2-1.61.01.21.51.81.81.81.6-2.01.21.51.82.02.02.22.0-2.51.51.82.02.22.22.52.5-3.01.82.22.22.52.52.83.0-3.52.22.52.52.82.83.2


3.5-4.02.52.82.83.23.23.54.0-5.03.03.53.54.04.04.55.0-120.6T0.7T0.7T0.8T0.8T0.9T


五丶冲裁力计算公式


冲裁力计算的意义: 为了合理的选用冲压设备的顿位及模具钢材的选用

冲压模具设计标准,这些你必须掌握,冲压模具设计标准,这些你必须掌握,工件,弯曲,半径,材料,第12张

六丶翻孔参数


抽芽,翻孔示意图

冲压模具设计标准,这些你必须掌握,冲压模具设计标准,这些你必须掌握,工件,弯曲,半径,材料,第13张

七丶压披锋 简称(面压)

冲压模具设计标准,这些你必须掌握,冲压模具设计标准,这些你必须掌握,工件,弯曲,半径,材料,第14张

在压披锋的过程中,部品会产生产品移动动,
所以在冲制精密部品时一般不要在这个工程中冲孔,切边,折弯等


八丶滑块设计参数

冲压模具设计标准,这些你必须掌握,冲压模具设计标准,这些你必须掌握,工件,弯曲,半径,材料,第15张

说明:
1.滑块之间滑配间隙单边+0.015MM
2.滑块斜度A在15度内时可任取角度,当A大于15度时,只能取30度及45度3.滑块斜度A优先选用:5° 10° 15° 30° 45°几种规格
4.滑块垂直运动行程一般不得大于滑块厚度的1/2
5.为确保滑块可以及时复位,滑块顶部应布置适当数量的浮升销或弹簧


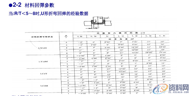
九丶材料回弹参数


回弹:当言曲件从棋具中取出后,由于弯曲时存在若弹性变形,结果使工件的角度和园角半径发生变化,与棋具形状不- - 致,这种现象称为回弹。

冲压模具设计标准,这些你必须掌握,冲压模具设计标准,这些你必须掌握,工件,弯曲,半径,材料,第16张
冲压模具设计标准,这些你必须掌握,冲压模具设计标准,这些你必须掌握,工件,弯曲,半径,材料,第17张

影响回弹的因素:
1.材料的力学性能.材料的屈服点越高,回弹越大
2.材料的相对弯曲半径R/T值越小,回弹也越小
3.弯曲工件的形状,- -般说来,U形工件的回弹比V形工件的回弹要小
4.模具尺寸,当凸模半径一定,V形弯曲件的回弹因凹模开距的增大而减小,U形凹模开口越深,回弹越小


十丶冲孔的最小尺寸

冲压模具设计标准,这些你必须掌握,冲压模具设计标准,这些你必须掌握,工件,弯曲,半径,材料,第18张

影响回弹的因素:
1.材料的力学性能.材料的屈服点越高,回弹越大
2.材料的相对弯曲半径R/T值越小,回弹也越小
3.弯曲工件的形状,一般说来,U形 工件的回弹比V形工件的回弹要小
4.模具尺寸,当凸模半径一-定,V形弯 曲件的回弹因凹模开距的增大而减小,U形凹模开口越深,回弹越小


十一丶冲裁件凸出及凹入参数

冲压模具设计标准,这些你必须掌握,冲压模具设计标准,这些你必须掌握,工件,弯曲,半径,材料,第19张

十二丶冷冲模常用钢

冲压模具设计标准,这些你必须掌握,冲压模具设计标准,这些你必须掌握,工件,弯曲,半径,材料,第20张

我们是知识搬运工,我们是技术传播者!
东莞潇洒职业培训学校目前开设课程有:学历提升、积分入户、数控编程培训、塑胶模具设计培训,压铸模具设计培训、冲压模具设计培训,精雕、ZBrush圆雕培训、Solidworks产品设计培训、pro/E产品设计培训、AutoformR7工艺分析培训,非标自动化设计、PLC编程、工业机器人、CNC电脑锣操机、平面设计等培训课程,潇洒职业培训学校线下、线上等网络学习方式,随到随学,上班学习两不误,欢迎免费试学!
线上免费试学: xsmj.ke.qq.com
联系电话:18029183887(微信同号)QQ:2958861564
学校官网:www.dgxspx.com 智造人才网:www.58hr.net
学习地址:东莞市横沥镇新城工业区兴业路121号-潇洒职业培训学校


免责声明:
1;所有标注为智造资料网zl.fbzzw.cn的内容均为本站所有,版权均属本站所有,若您需要引用、转载,必须注明来源及原文链接即可,如涉及大面积转载,请来信告知,获取《授权协议》。
2;本网站图片,文字之类版权申明,因为网站可以由注册用户自行上传图片或文字,本网站无法鉴别所上传图片或文字的知识版权,如果侵犯,请及时通知我们,本网站将在第一时间及时删除,相关侵权责任均由相应上传用户自行承担。
[complaint:内容投诉]
智造资料网打造智能制造3D图纸下载,在线视频,软件下载,在线问答综合平台 » 冲压模具设计标准,这些你必须掌握