电工识图基础知识(图文教程)

    电工识图基础知识,包括如下五部分内容:

一、电气图的基本构成 

二、电气符号 

三、电气图的分类 

四、电气图的表示方法 

五、电气识图的基本要求和基本步骤

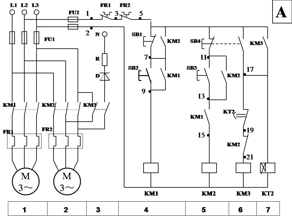
电工识图基础知识(图文教程),电工识图,要求,步骤,第1张

电工识图基础知识(图文教程),电工识图,要求,步骤,第2张

电工识图基础知识(图文教程),电工识图,要求,步骤,第3张

电工识图基础知识(图文教程),电工识图,要求,步骤,第4张

电工识图基础知识(图文教程),电工识图,要求,步骤,第5张

电工识图基础知识(图文教程),电工识图,要求,步骤,第6张

电工识图基础知识(图文教程),电工识图,要求,步骤,第7张

电工识图基础知识(图文教程),电工识图,要求,步骤,第8张

电工识图基础知识(图文教程),电工识图,要求,步骤,第9张

电工识图基础知识(图文教程),电工识图,要求,步骤,第10张

电工识图基础知识(图文教程),电工识图,要求,步骤,第11张

电工识图基础知识(图文教程),电工识图,要求,步骤,第12张

电工识图基础知识(图文教程),电工识图,要求,步骤,第13张

电工识图基础知识(图文教程),电工识图,要求,步骤,第14张

电工识图基础知识(图文教程),电工识图,要求,步骤,第15张

电工识图基础知识(图文教程),电工识图,要求,步骤,第16张

电工识图基础知识(图文教程),电工识图,要求,步骤,第17张

电工识图基础知识(图文教程),电工识图,要求,步骤,第18张

电工识图基础知识(图文教程),电工识图,要求,步骤,第19张

电工识图基础知识(图文教程),电工识图,要求,步骤,第20张

电工识图基础知识(图文教程),电工识图,要求,步骤,第21张

电工识图基础知识(图文教程),电工识图,要求,步骤,第22张

电工识图基础知识(图文教程),电工识图,要求,步骤,第23张

电工识图基础知识(图文教程),电工识图,要求,步骤,第24张

电工识图基础知识(图文教程),电工识图,要求,步骤,第25张

电工识图基础知识(图文教程),电工识图,要求,步骤,第26张

电工识图基础知识(图文教程),电工识图,要求,步骤,第27张

电工识图基础知识(图文教程),电工识图,要求,步骤,第28张

电工识图基础知识(图文教程),电工识图,要求,步骤,第29张

电工识图基础知识(图文教程),电工识图,要求,步骤,第30张

电工识图基础知识(图文教程),电工识图,要求,步骤,第31张

电工识图基础知识(图文教程),电工识图,要求,步骤,第32张

电工识图基础知识(图文教程),电工识图,要求,步骤,第33张

电工识图基础知识(图文教程),电工识图,要求,步骤,第34张

电工识图基础知识(图文教程),电工识图,要求,步骤,第35张


免责声明:
1;所有标注为智造资料网zl.fbzzw.cn的内容均为本站所有,版权均属本站所有,若您需要引用、转载,必须注明来源及原文链接即可,如涉及大面积转载,请来信告知,获取《授权协议》。
2;本网站图片,文字之类版权申明,因为网站可以由注册用户自行上传图片或文字,本网站无法鉴别所上传图片或文字的知识版权,如果侵犯,请及时通知我们,本网站将在第一时间及时删除,相关侵权责任均由相应上传用户自行承担。
[complaint:内容投诉]
智造资料网打造智能制造3D图纸下载,在线视频,软件下载,在线问答综合平台 » 电工识图基础知识(图文教程)