使用中望3D设计阀体(1)(图文教程)

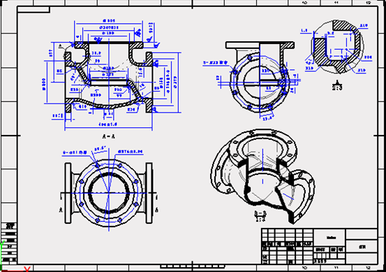
    截门阀是使用最广泛的阀门之一,能通过对压力的运用,强制密封面不泄露,从而达到截止介质的效果。本次的实例教程中,我们将通过中望3D设计图1中的这款截门阀阀体,并对阀体出完整的工程图(图2)。

使用中望3D设计阀体(1)(图文教程),1.png,使用,教程,设计,第1张

图1 截门图1解闷阀阀体   

使用中望3D设计阀体(1)(图文教程),2.png,使用,教程,设计,第2张

图2 阀体的工程图     

    下面我们来看看阀体建模的具体操作。 

第一步:创建草图    

    在XZ工作平面上创建草图,在属性下拉菜单下进入标注,如图3所示。    

使用中望3D设计阀体(1)(图文教程),3.png,使用,教程,设计,第3张 

图3 进入标注 

将草图的小数位数设置为整数,如图4所示。

使用中望3D设计阀体(1)(图文教程),4.png,使用,教程,设计,第4张     

 图4 小数设置 

第二步:绘制草图 

    绘制如图5草图,并进行标注和约束。 

使用中望3D设计阀体(1)(图文教程),5.png,使用,教程,设计,第5张

图5 绘制草图 

    在上一步的基础上继续绘制草图,并进行标注和约束,图6中红色矩形框里的标注为在上一步基础上新添的标注。

使用中望3D设计阀体(1)(图文教程),6.png,使用,教程,设计,第6张   

图6 新添标注 

在上一步的基础上绘制圆弧,圆心落在Y轴上,对圆弧和连接的水平线段进行修剪和约束,如图7所示。 

使用中望3D设计阀体(1)(图文教程),7.png,使用,教程,设计,第7张   

图7 绘制圆弧 

对圆弧进行11.9mm的偏移操作,并进行标注和约束(图8)。 

使用中望3D设计阀体(1)(图文教程),8.png,使用,教程,设计,第8张   

图8 圆弧偏移操作 

倒圆角21.9mm(图9)。  

使用中望3D设计阀体(1)(图文教程),9.png,使用,教程,设计,第9张 

 图9 倒圆角 

在上一步的基础上继续偏移11.9mm的水平线,然后进行倒10mm的圆角,如图10所示。     

使用中望3D设计阀体(1)(图文教程),10.png,使用,教程,设计,第10张

 图10 偏移并倒圆角 

在上一步的基础上继续绘制草图,一段竖直直线段和倒10mm的圆角(图11)。

使用中望3D设计阀体(1)(图文教程),11.png,使用,教程,设计,第11张     

图11 绘制草图 

    继续绘制草图,把两端圆弧进行连接,并进行标注和约束(图12),完成后退出草图。 

使用中望3D设计阀体(1)(图文教程),12.png,使用,教程,设计,第12张       

图12 连接圆弧并标注约束 

第三步:旋转 

    使用“造型”页面下的“旋转”命令,从180°到360°旋转,注意旋转轴的方向,旋转效果如图13所示。 

使用中望3D设计阀体(1)(图文教程),13.png,使用,教程,设计,第13张         

图13 完成旋转 

第四步:创建草图 

    在下图14中高亮面上创建草图。 

使用中望3D设计阀体(1)(图文教程),14.png,使用,教程,设计,第14张       

 图14 高亮面上创建草图 

    绘制下图15的点,并进行标注和约束。 

使用中望3D设计阀体(1)(图文教程),15.png,使用,教程,设计,第15张       

图15 绘制草图点 

第五步:孔操作 

    在上步的点上进行打孔,直径为22mm,结束端为终止面,效果如图16所示。

使用中望3D设计阀体(1)(图文教程),16.png,使用,教程,设计,第16张     

 图16 打孔效果 

第六步:阵列 

    使用“造型”页面下的“阵列”命令,完成数目为4,角度为45度的圆形阵列操作,效果如图17所示。     

使用中望3D设计阀体(1)(图文教程),17.png,使用,教程,设计,第17张  

图17 阵列效果 

第七步:创建工作平面 

    使用“造型”页面下的“基准面”命令,以XY工作平面为基准偏移捕捉到下图18顶点位置,创建工作平面。

使用中望3D设计阀体(1)(图文教程),18.png,使用,教程,设计,第18张       

图18 创建工作平面 

第八步:创建草图 

    在创建的工作平面上绘制1/4的圆弧,以及水平线和竖直线,组成一个1/4圆的封闭草图,如图19所示。

使用中望3D设计阀体(1)(图文教程),19.png,使用,教程,设计,第19张         

图19 创建草图 

第九步:拉伸 

    使用“造型”页面下的“拉伸”命令,对上步草图进行对称3mm的拉伸,和实体造型进行布尔加运算,完毕后隐藏创建的工作平面,如图20所示。 

使用中望3D设计阀体(1)(图文教程),20.png,使用,教程,设计,第20张       

图20 拉伸 

第十步:创建工作平面 

    使用“造型”页面下的“基准面”命令,以XY工作平面为基准在Z轴的正方向偏移187mm,创建工作平面,如图21所示。

使用中望3D设计阀体(1)(图文教程),21.png,使用,教程,设计,第21张       

图21 创建工作平面 

第十一步:绘制草图 

    在第十步的基础上继续绘制草图,绘制1/4的圆弧,以及水平线和竖直线,组成一个1/4圆的封闭草图(图22)。    

使用中望3D设计阀体(1)(图文教程),22.png,使用,教程,设计,第22张         

图22 绘制草图 

第十二步:拉伸 

    使用“造型”页面下的“拉伸”命令,沿Z轴负方向拉伸28mm后隐藏工作平面,如图23所示。

使用中望3D设计阀体(1)(图文教程),23.png,使用,教程,设计,第23张        

图23 沿Z轴拉伸 

第十三步:绘制草图 

    再次在刚才的工作平面上绘制草图,绘制1/4的圆弧,以及水平线和竖直线,组成一个1/4圆的封闭草图(图24)。     

使用中望3D设计阀体(1)(图文教程),24.png,使用,教程,设计,第24张        

图24 绘制草图 

第十四步:拉伸 

    使用“造型”页面下的“拉伸”命令,拉伸到球面,布尔运算为基体,隐藏工作平面,如图25所示。  

使用中望3D设计阀体(1)(图文教程),25.png,使用,教程,设计,第25张       

图25 拉伸效果 

第十五步:布尔运算 

    删除图26所示的多余造型,然后使用“造型”页面下的“组合”命令进行布尔运算,把三个造型进行合并(图27)。    

使用中望3D设计阀体(1)(图文教程),26.png,使用,教程,设计,第26张 

 图26 删除多余造型   

使用中望3D设计阀体(1)(图文教程),27.png,使用,教程,设计,第27张      

 图27 布尔运算合并 

第十六步:打孔 

    使用“造型”页面下的“孔”命令,进行直径为190mm的打孔,如图28所示。   

使用中望3D设计阀体(1)(图文教程),28.png,使用,教程,设计,第28张  

 图28 打孔 

第十七步:创建草图 

    在下图的表面上创建草图,绘制一个直径为240mm的圆(图29)。   

使用中望3D设计阀体(1)(图文教程),29.png,使用,教程,设计,第29张  

图29 创建草图 

第十八步:拉伸切除

    使用“造型”页面下的“拉伸”命令,拉伸切除深度为6mm(图30)。      

使用中望3D设计阀体(1)(图文教程),30.png,使用,教程,设计,第30张 

图30 拉伸切除 

第十九步:倒圆角 

    对图31所示位置分别进行10mm、20mm、31.9mm的倒圆角       

使用中望3D设计阀体(1)(图文教程),31.png,使用,教程,设计,第31张

图31 倒圆角 

第二十步:创建草图 

    在图32所示高亮表面上创建草图,并绘制一个点,进行约束。

使用中望3D设计阀体(1)(图文教程),32.png,使用,教程,设计,第32张     

 图32 创建草图 

第二十一步:打孔 

在上一步的点上进行打孔,直径为21mm(图33)。  

使用中望3D设计阀体(1)(图文教程),33.png,使用,教程,设计,第33张   

图33 打孔 

第二十二步:阵列 

    使用“造型”页面下的“阵列”命令,圆形阵列45度,如图34所示。     

使用中望3D设计阀体(1)(图文教程),34.png,使用,教程,设计,第34张

 图34 阵列 

第二十三步:镜像 

    使用“造型”页面下的“镜像”命令,镜像平面为YZ平面,效果如图35所示。   

使用中望3D设计阀体(1)(图文教程),35.png,使用,教程,设计,第35张    

图35 镜像 

    到这一步,阀体的建模设计基本显示出雏形了! 

免责声明:
1;所有标注为智造资料网zl.fbzzw.cn的内容均为本站所有,版权均属本站所有,若您需要引用、转载,必须注明来源及原文链接即可,如涉及大面积转载,请来信告知,获取《授权协议》。
2;本网站图片,文字之类版权申明,因为网站可以由注册用户自行上传图片或文字,本网站无法鉴别所上传图片或文字的知识版权,如果侵犯,请及时通知我们,本网站将在第一时间及时删除,相关侵权责任均由相应上传用户自行承担。
[complaint:内容投诉]
智造资料网打造智能制造3D图纸下载,在线视频,软件下载,在线问答综合平台 » 使用中望3D设计阀体(1)(图文教程)