孔间距偏差的计算公式 | ||
(a) |
(b) | |
孔间距偏差根据轴(即螺栓、双头螺栓、螺钉、销钉等)与孔的配合性质而定。其计算通常用尺寸链中极大极小法。在计算孔间距偏差时一般作下列假设: | ||
(1)孔的位置尺寸偏差取决于配合间隙的大小和连接方法,而与孔间距本身尺寸无关 | ||
(2)孔与轴的尺寸为已知,即最小间隙已知 | ||
孔间隙的作用,在于使轴能自由通过孔进行连接,即用这个间隙来补偿两个被连接件孔间距在制造过程中所引起的误差 | ||
在连接中必须分清两种不同的连接结构 | (1)螺栓(穿通孔),如上图a所示 | |
(2)螺钉(双头螺栓、销钉、铆钉等),如上图b所示,最小间隙SM: SM=d0-d 式中 d0—— 孔的最小极限尺寸; d—— 轴的最大极限尺寸 | ||
当在一条直线上有很多孔(大于3个)时,偏差值根据尺寸标注的方法不同,其值亦不相同,计算式按表链式与阶梯式孔间距偏差的计算 | ||
孔数n>3一般不推荐按链式法标注,因偏差值随孔数增加而减少,孔数愈多,孔间距偏差愈小,引起加工愈困难,若按阶梯式法标注,其孔间距偏差与孔数无关 | ||
对于鱼眼孔及埋头螺孔以及类似这类连接的其他孔,其孔间距偏差ΔL'推荐按表带沉头的螺钉连接孔间距偏差的计算中的公式计算 | ||
链式与阶梯式孔间距偏差的计算 | ||
尺寸标注法 | 简 图 | 偏差计算式 |
链式 |
|
|
阶梯式 |
|
|
链式与阶梯混合式 |
|
|
带沉头的螺钉连接孔间距偏差的计算 | |||
名 称 | 简 图 | 偏差计算式 | 说 明 |
鱼眼孔 |
| △L′=(0.7~0.8)△L | △L按表一般精度用孔的间距允许偏差、表精确用孔的孔间距允许偏差、表用两个以上的螺栓及螺钉连接的孔间距允许偏差、表用两个螺栓或螺钉及任意数量螺栓连接的孔间距允许偏差选取 |
埋头孔 |
| △L′=(0.5~0.6)△L | |
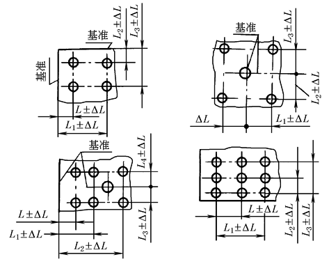
连接型式及特性 | ||
连接 型式 | 简 图 | 特 性 说 明 |
Ⅰ |
| 无基准要求的两个孔(指一个对另一个孔而言) |
Ⅱ |
| 沿直角排列,并无基准要求的二、三、四个孔 |
Ⅲ |
| 排列在一条直线上,并无基准要求的三个或三个以上的孔(以第一个孔为基准) 排列在一条直线上,并有基准要求的一个或一个以上的孔(装配时,以零件所依据的基准面为基准) |
Ⅳ |
| 双排排列,而每排有三个或三个以上的孔(并无基准要求) |
Ⅴ |
| 要求具有互相垂直基准面的一个或一个以上的孔(装配时其中每一个孔均要求垂直基准面为准) 排列在三排或三排以上,无基准要求的三个或三个以上的孔 |
注:上表图中±△L值均按表一般精度用孔的孔间距允许偏差和表精确用孔的孔间距允许偏差选取。 | ||
1;所有标注为智造资料网zl.fbzzw.cn的内容均为本站所有,版权均属本站所有,若您需要引用、转载,必须注明来源及原文链接即可,如涉及大面积转载,请来信告知,获取《授权协议》。
2;本网站图片,文字之类版权申明,因为网站可以由注册用户自行上传图片或文字,本网站无法鉴别所上传图片或文字的知识版权,如果侵犯,请及时通知我们,本网站将在第一时间及时删除,相关侵权责任均由相应上传用户自行承担。
[complaint:内容投诉]
智造资料网打造智能制造3D图纸下载,在线视频,软件下载,在线问答综合平台 » 孔间距偏差的计算公式(图文教程)















