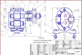
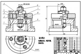
装配图

  • 1
  • 2