装配图如何进行尺寸标注(图文教程)

    装配图尺寸标注要求与零件图的尺寸标注要求不同,它不需要标注每个零件的全部尺寸,只需标注一些必要尺寸,这些必要尺寸可按其作用不同大致归纳为以下几类:

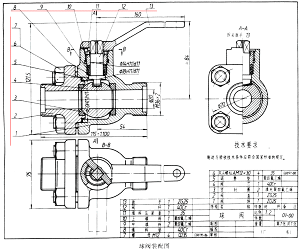
装配图如何进行尺寸标注(图文教程),装配图如何进行尺寸标注,装配图,标注,尺寸,进行,第1张

一、规格尺寸

    用以表明机器(或部件)的性能或规格的尺寸。这类尺寸一般在任务书中就已确定,它是设计、了解和选用该机器或部件时的主要依据,如上图所示球阀的阀体和阀盖的通孔直径φ20。

二、装配尺寸

    为了保证机器或部件的性能和质量,装配图中需注出相关零件间有装配要求的尺寸。

1.配合尺寸

    凡两零件有配合要求时,必须注出配合尺寸,如图所示球阀的阀体和阀盖的配合尺寸,阀杆和阀体的配合尺寸等。

2.重要的相对位置尺寸

    装配时,相关零件间必须保证的距离、间隙等相对位置尺寸,如图所示球阀通孔中心到扳手的距离82mm,阀杆至右端面的距离46mm。

3.连接尺寸

    装配图中一般应标注连接尺寸以表明螺纹紧固件、键、销、滚动轴承等标准零、部件的规格尺寸(通常填写在明细栏中),如图中螺纹压环与阀体连接螺纹的尺寸M22x1.5 和标题栏中的螺柱M10x20、螺母M10等。

三、安装尺寸

    机器或部件安装到其它零、部件或基座上的相关尺寸称为安装尺寸。如上图所示球阀的接口尺寸M40x2等。

四、外形尺寸

   外形尺寸是机器或部件的总长、总高、总宽尺寸,它反映了机器或部件的总体大小,为安装、包装、运输等提供所占空间尺寸的大小。如图的外形尺寸114mm。

免责声明:
1;所有标注为智造资料网zl.fbzzw.cn的内容均为本站所有,版权均属本站所有,若您需要引用、转载,必须注明来源及原文链接即可,如涉及大面积转载,请来信告知,获取《授权协议》。
2;本网站图片,文字之类版权申明,因为网站可以由注册用户自行上传图片或文字,本网站无法鉴别所上传图片或文字的知识版权,如果侵犯,请及时通知我们,本网站将在第一时间及时删除,相关侵权责任均由相应上传用户自行承担。
[complaint:内容投诉]
智造资料网打造智能制造3D图纸下载,在线视频,软件下载,在线问答综合平台 » 装配图如何进行尺寸标注(图文教程)