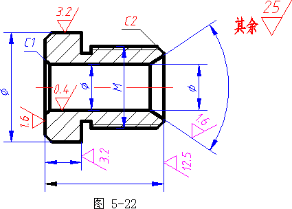
(1)表面粗糙度代(符)号应注在可见的轮廓线、尺寸线、尺寸界线或他们的延长线上;对于镀涂表面,可注在表示线(粗点划线)上,见图5-18(c)。符号的尖端必须从材料外指向表面,如图5-22、图5-23所示。
表面粗糙度代号中数字及符号的方向必须按图5-22、图5-23的规定标注。


(3)当零件所有表面具有相同的表面粗糙度要求时,其代号可在图样的右上角统一标注,如图5-25所示。
(4)当零件的大部分表面具有相同的表面粗糙度要求时,对其中使用最多的一种代号可以统一注在图样的右上角,并加“其余”两字,如图5-22、5-24所示。
(5)对不连续的同一表面,可用细实线连接,只注一次表面粗糙度符号,如图5-24所示。对连续 表面及重复要素(孔、槽、齿、……等)的表面,其表面粗糙度代号只标注一次,如图5-26所示。
6)同一表面上有不同的表面粗糙度要求时,须用细实线画出其分界线,并注出相应的表面粗糙度代号和尺寸,见图5-27。 (7)中心孔的工作表面,键槽工作面,倒角、圆角的表面粗糙度代号,可以简化标注如图5-28。


免责声明:
1;所有标注为智造资料网zl.fbzzw.cn的内容均为本站所有,版权均属本站所有,若您需要引用、转载,必须注明来源及原文链接即可,如涉及大面积转载,请来信告知,获取《授权协议》。
2;本网站图片,文字之类版权申明,因为网站可以由注册用户自行上传图片或文字,本网站无法鉴别所上传图片或文字的知识版权,如果侵犯,请及时通知我们,本网站将在第一时间及时删除,相关侵权责任均由相应上传用户自行承担。
[complaint:内容投诉]
智造资料网打造智能制造3D图纸下载,在线视频,软件下载,在线问答综合平台 » 机械制图-4.4表面粗糙度代(符)号在图样上的标注方法(图文教程) ...
1;所有标注为智造资料网zl.fbzzw.cn的内容均为本站所有,版权均属本站所有,若您需要引用、转载,必须注明来源及原文链接即可,如涉及大面积转载,请来信告知,获取《授权协议》。
2;本网站图片,文字之类版权申明,因为网站可以由注册用户自行上传图片或文字,本网站无法鉴别所上传图片或文字的知识版权,如果侵犯,请及时通知我们,本网站将在第一时间及时删除,相关侵权责任均由相应上传用户自行承担。
[complaint:内容投诉]
智造资料网打造智能制造3D图纸下载,在线视频,软件下载,在线问答综合平台 » 机械制图-4.4表面粗糙度代(符)号在图样上的标注方法(图文教程) ...

